GM Service Manual Online
For 1990-2009 cars only
Makes
🢒
Chevrolet
🢒
2003
🢒
Tracker - 2WD
🢒
Engine
🢒
Engine Electrical
🢒 Starting and Charging Schematics
Figure
1:
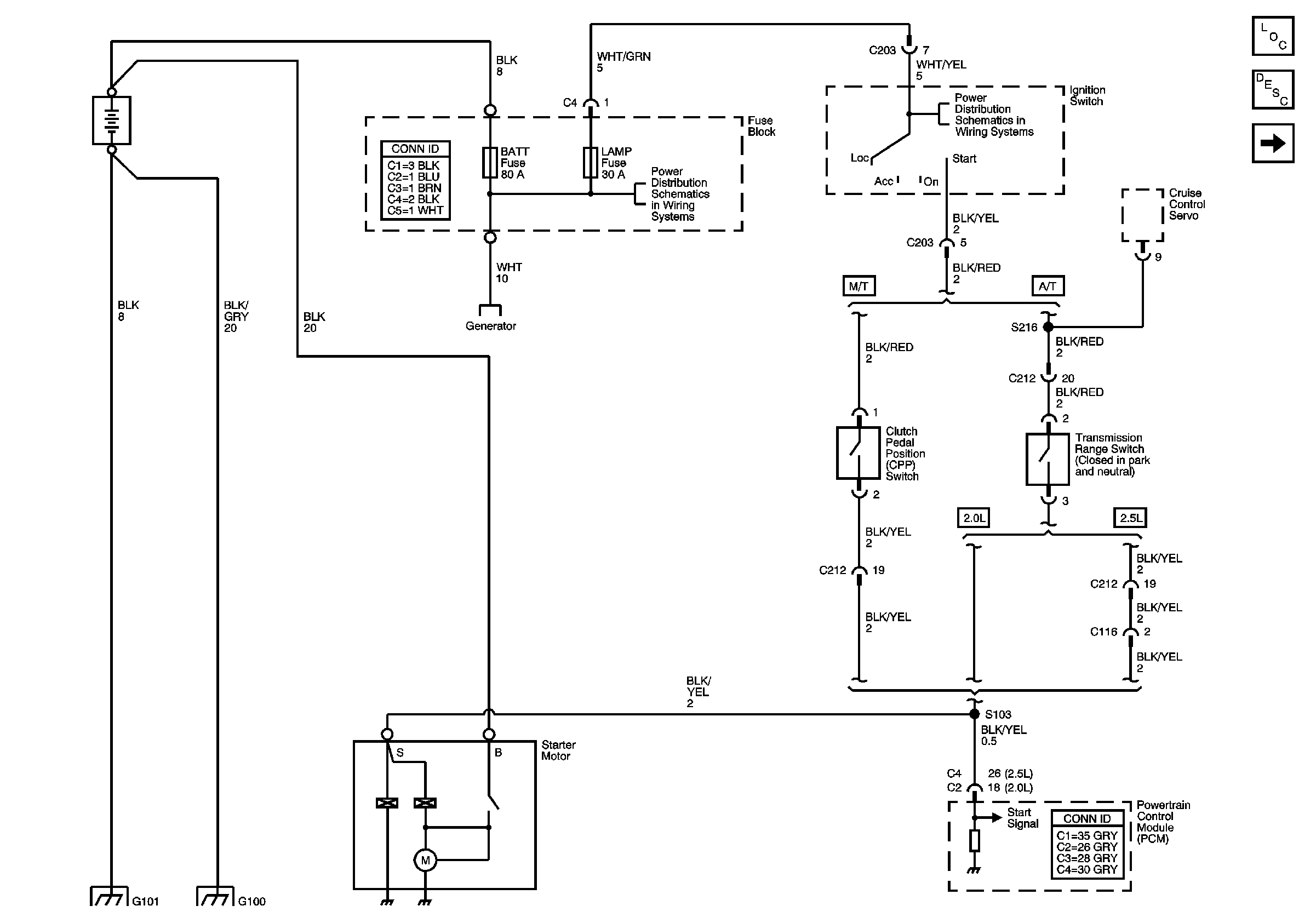
Starting System
Master Electrical Component List
Starting System Description and Operation
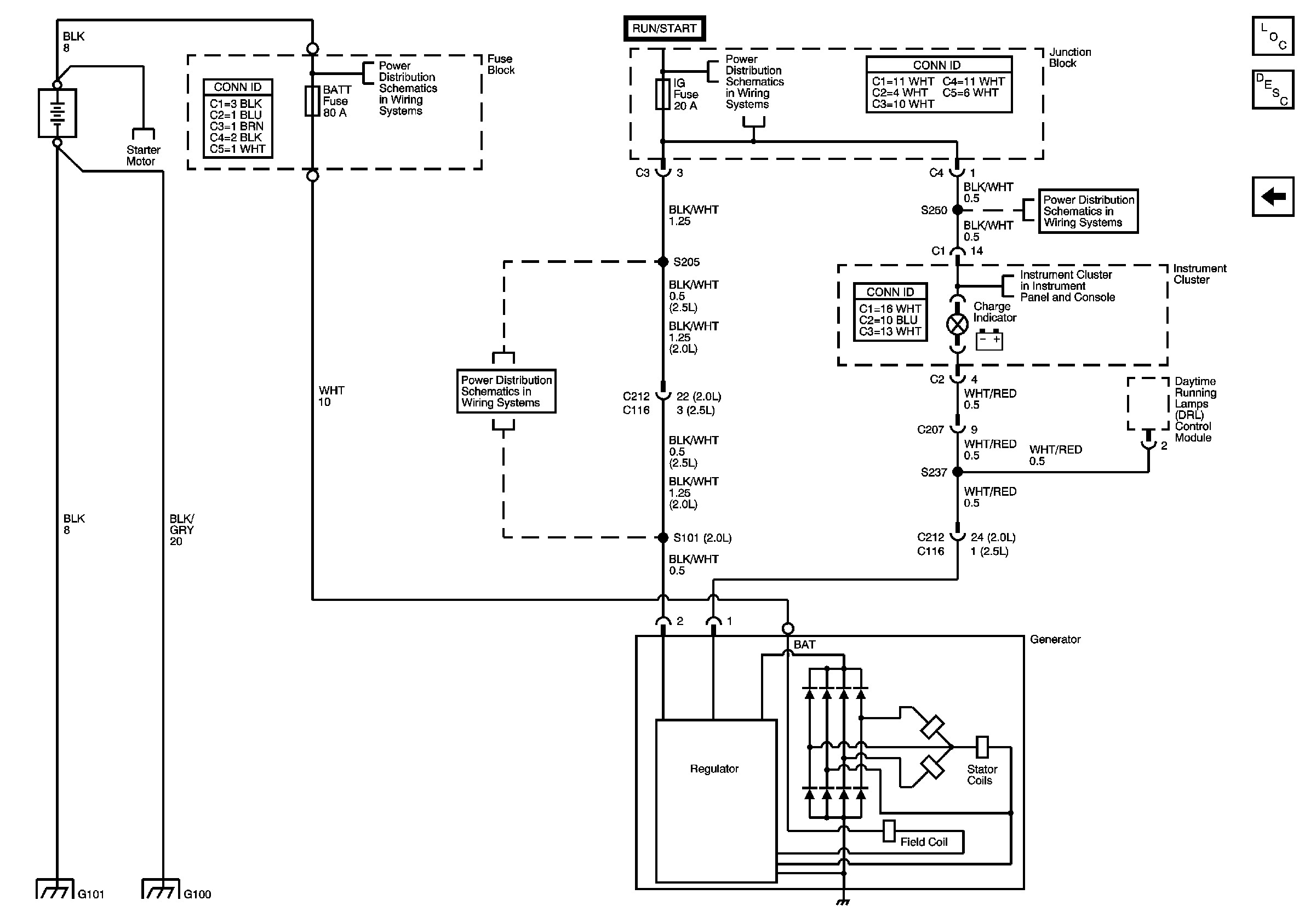
Charging System
H/L, L, H/L, R, HTR, IG, LAMP Fuses
Ignition Switch
Cruise Control Servo, Transmission Range Switch, Cruise Control Release Switch
Figure
2:
Charging System
Master Electrical Component List
Charging System Description and Operation
Starting System
BATT, ABS, FI, ACC Fuses
IG Fuse
IG Fuse
Power, O/D OFF, 4WD, MIL, CRUISE, Charge Indicators
TURN, WIP Fuses