GM Service Manual Online
For 1990-2009 cars only
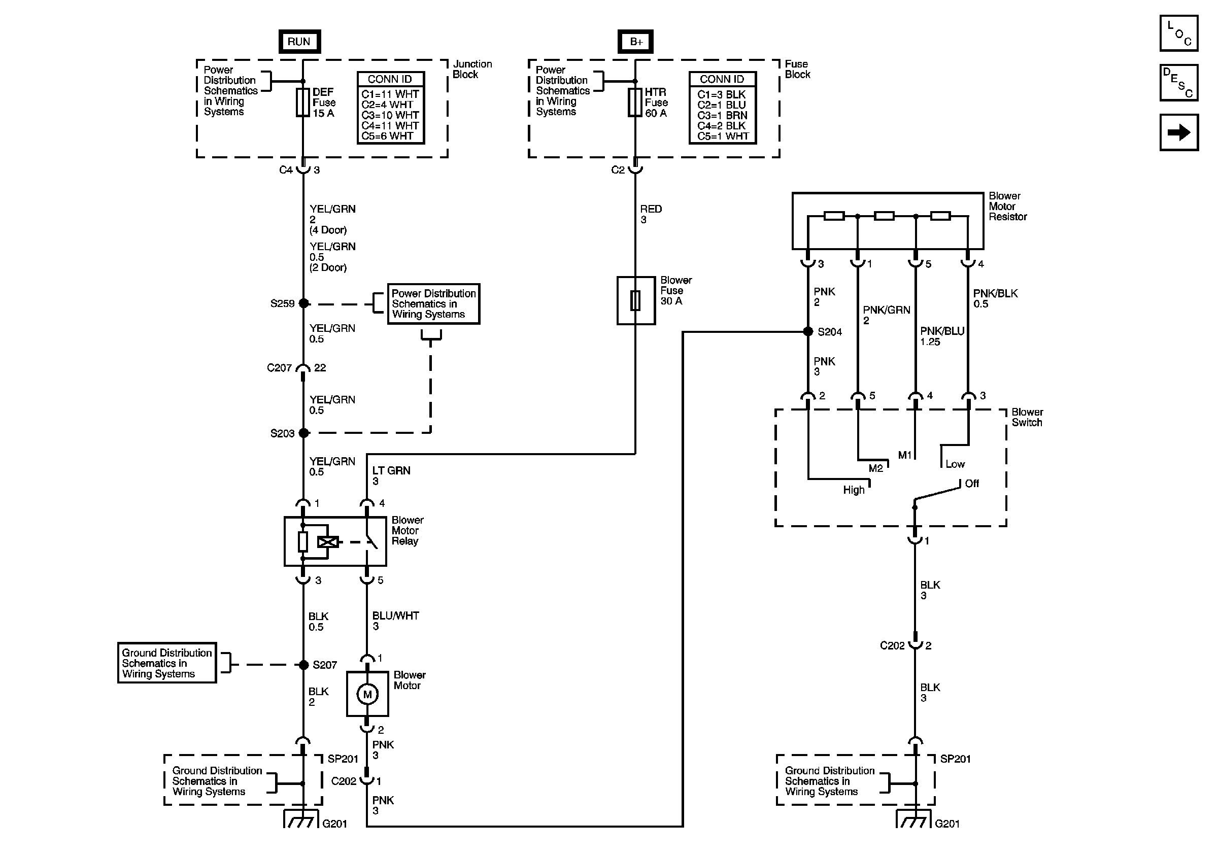
Figure 1:

Blower Control without A/C


Object Number: 883526  Size: FS
Master Electrical Component List
Air Delivery Description and Operation
Blower Control with A/C
CIG, DEF, P/W Fuses
CIG, DEF, P/W Fuses
S207
H/L, L, H/L, R, HTR, IG, LAMP Fuses
G201
G201
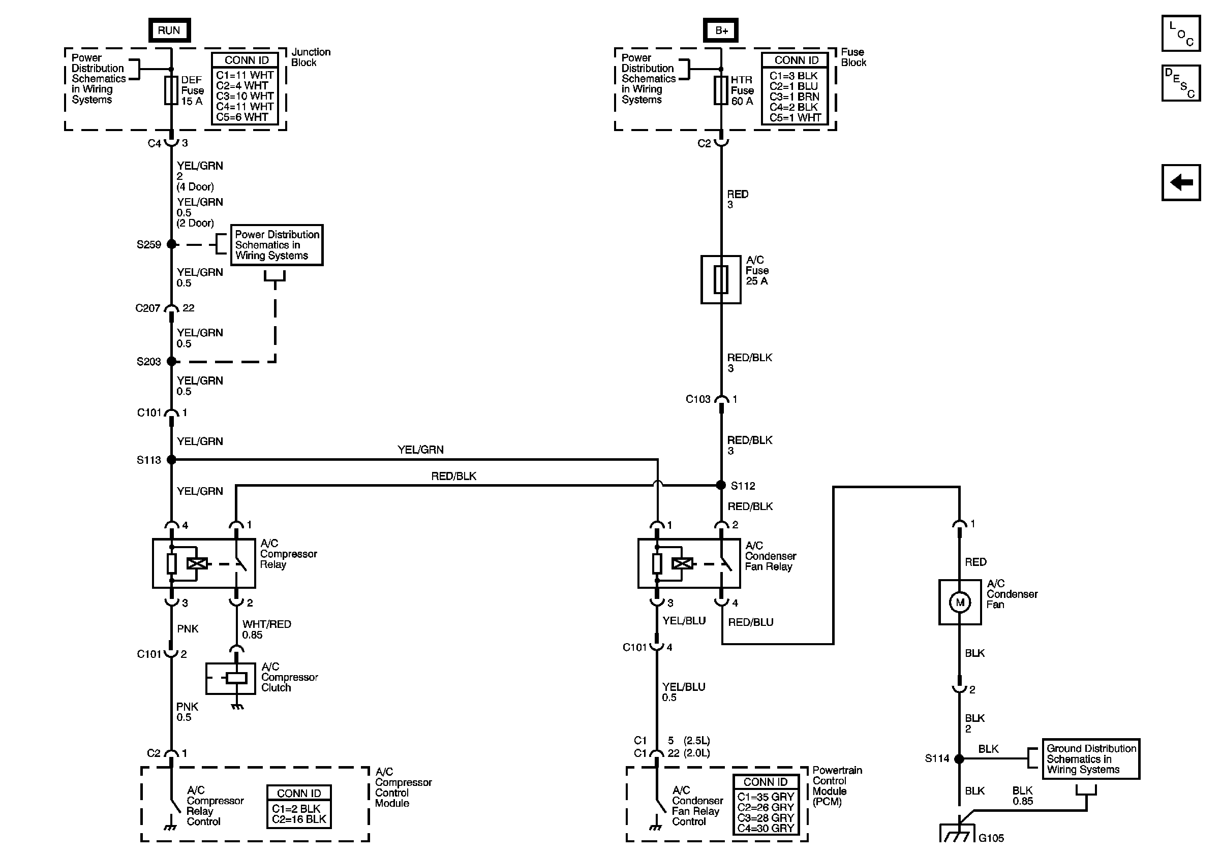
Figure 2:

Blower Control with A/C


Object Number: 883527  Size: FS
Master Electrical Component List
Air Delivery Description and Operation
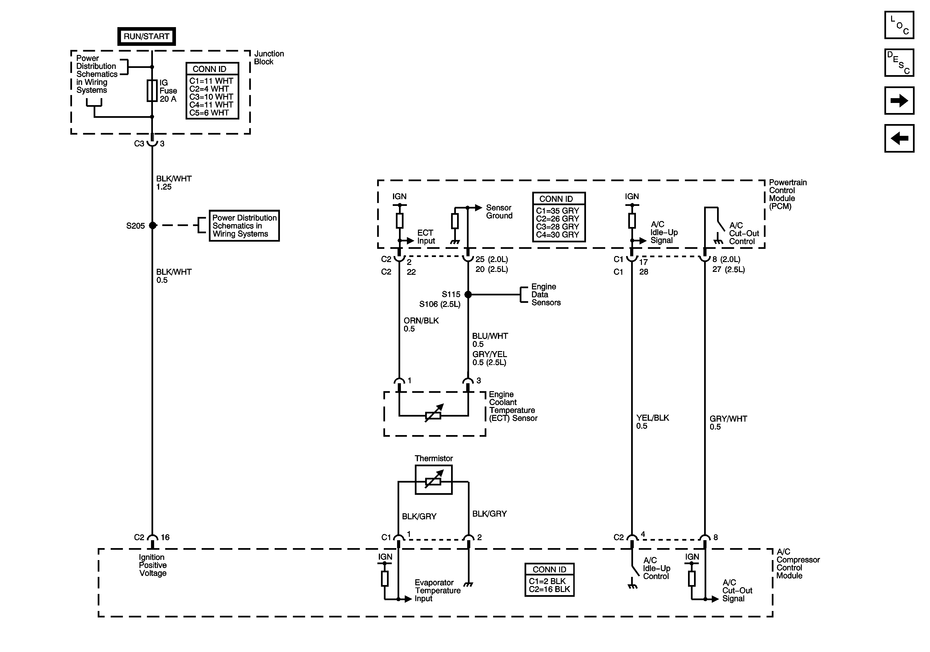
ECT Sensor, Evaporator Temperature Sensor, A/C Compressor Control Module
Blower Control without A/C
CIG, DEF, P/W Fuses
CIG, DEF, P/W Fuses
S207
G201
H/L, L, H/L, R, HTR, IG, LAMP Fuses
G201
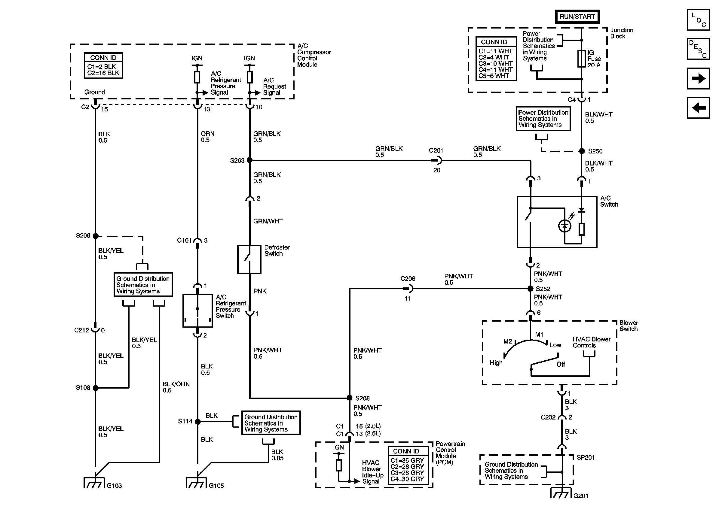
Figure 3:

ECT Sensor, Evaporator Temperature Sensor, A/C Compressor Control Module


Object Number: 883528  Size: FS
Master Electrical Component List
Air Temperature Description and Operation
A/C Compressor Control Module, Refrigerant Pressure Switch, A/C Switch
Blower Control with A/C
IG Fuse
IG Fuse
Figure 4:

A/C Compressor Control Module, Refrigerant Pressure Switch, A/C Switch, Defroster Switch, Blower Switch


Object Number: 883529  Size: FS
Master Electrical Component List
Air Temperature Description and Operation
A/C Condenser Fan Control
ECT Sensor, Evaporator Temperature Sensor, A/C Compressor Control Module
G103
G105
TURN, WIP Fuses
TURN, WIP Fuses
G201
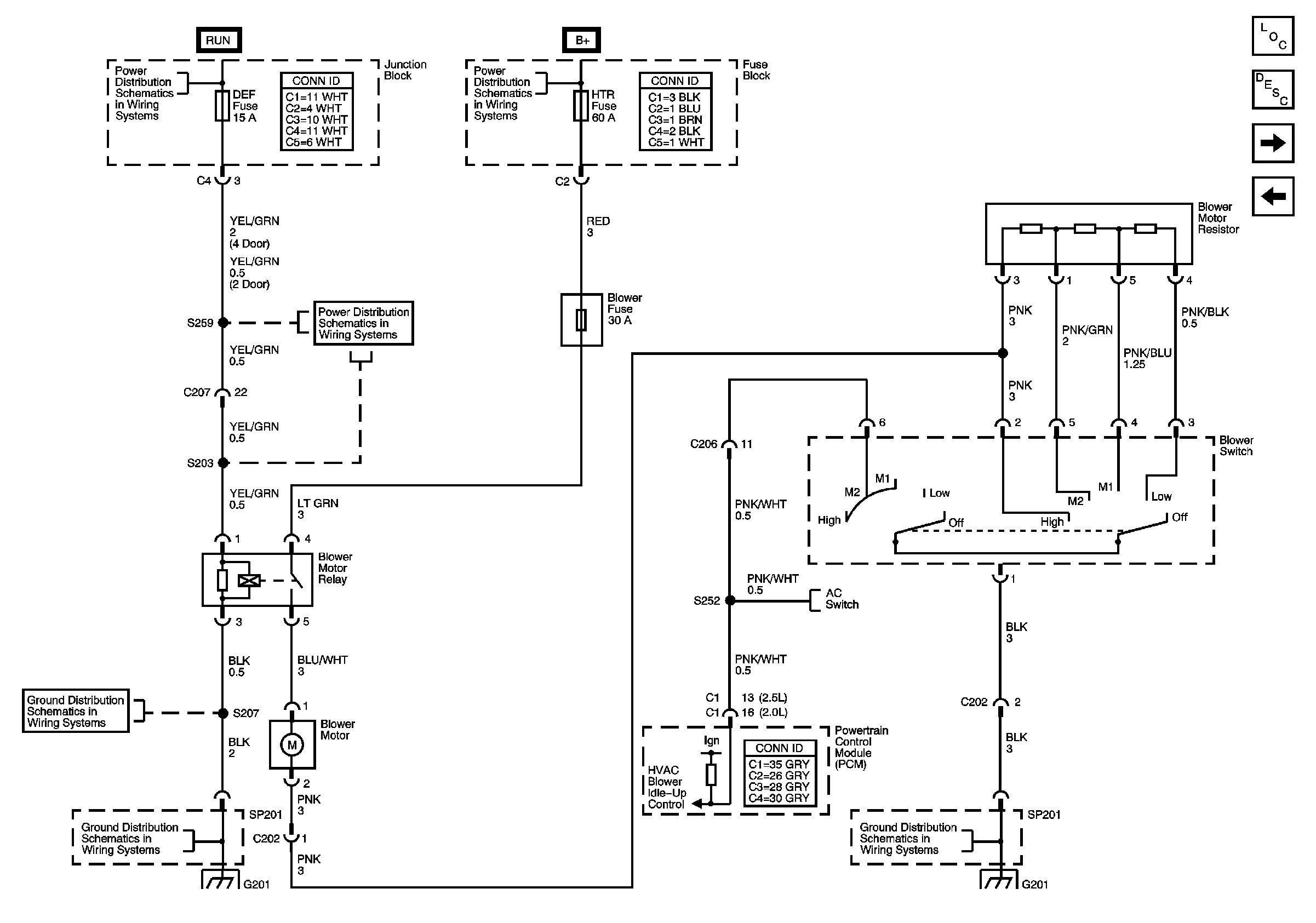
Figure 5:

A/C Condenser Fan Control


Object Number: 883530  Size: FS
Master Electrical Component List
Air Temperature Description and Operation
A/C Compressor Control Module, Refrigerant Pressure Switch, A/C Switch
CIG, DEF, P/W Fuses
CIG, DEF, P/W Fuses
H/L, L, H/L, R, HTR, IG, LAMP Fuses
G105