GM Service Manual Online
For 1990-2009 cars only
Figure 1:

Side Marker Lamps, Light Switch, Ambient Light Sensor


Object Number: 883544  Size: FS
Master Electrical Component List
Exterior Lighting Systems Description and Operation
Tail Lamps, License Plate Lamps
Instrument Panel Lamp Dimmer Control
G104
G105
S207
CIG, DEF, P/W Fuses
HAZ, D/L, TAIL, STOP, DOME Fuses
CIG, DEF, P/W Fuses
S248
G200
Figure 2:

Tail Lamps, License Plate Lamps


Object Number: 883545  Size: FS
Master Electrical Component List
Exterior Lighting Systems Description and Operation
Hazard Switch, Turn/Hazard Flasher, Turn Indicators
Side Marker Lamps, Light Switch, Ambient Light Sensor
Instrument Panel Lamp Dimmer Control
G400 and G401
G400 and G401
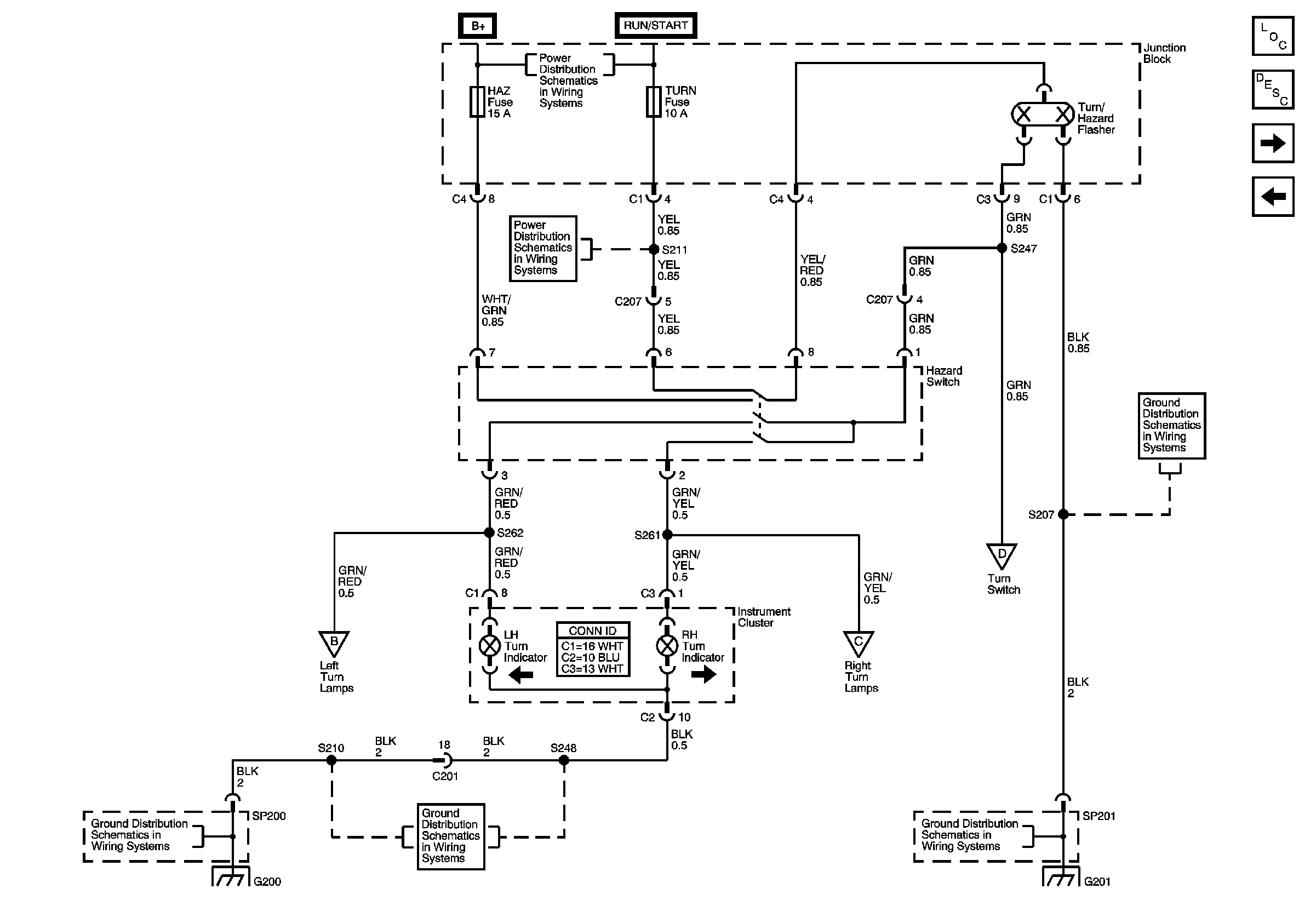
Figure 3:

Hazard Switch, Turn/Hazard Flasher, Turn Indicators


Object Number: 883546  Size: FS
Master Electrical Component List
Exterior Lighting Systems Description and Operation
Turn Signal Lamps, Turn Signal Switch
Tail Lamps, License Plate Lamps
HAZ, D/L, TAIL, STOP, DOME Fuses
TURN, WIP Fuses
TURN, WIP Fuses
S207
G201
G200
S248
Figure 4:

Turn Signal Switch, Turn Signal Lamps


Object Number: 883547  Size: FS
Master Electrical Component List
Exterior Lighting Systems Description and Operation
Stoplamps Switch, Stoplamps
Hazard Switch, Turn/Hazard Flasher, Turn Indicators
G104
G400 and G401
G105
Figure 5:

Stoplamp Switch, Stoplamps


Object Number: 883548  Size: FS
Master Electrical Component List
Exterior Lighting Systems Description and Operation
Backup Lamps, Backup Lamp Switch, Transmission Range Switch
Turn Signal Lamps, Turn Signal Switch
HAZ, D/L, TAIL, STOP, DOME Fuses
HAZ, D/L, TAIL, STOP, DOME Fuses
G400 and G401
G400 and G401
Figure 6:

Backup Lamps, Backup Lamp Switch, Transmission Range Switch


Object Number: 883549  Size: FS
Master Electrical Component List
Exterior Lighting Systems Description and Operation
Stoplamps Switch, Stoplamps
TURN, WIP Fuses
TURN, WIP Fuses
G400 and G401