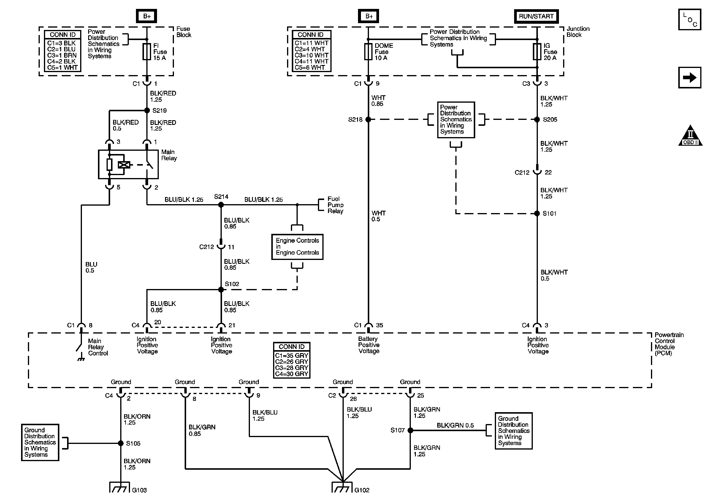
| Figure 1: |
Main Relay, Powertrain Control Module (PCM) Power
and Ground
|
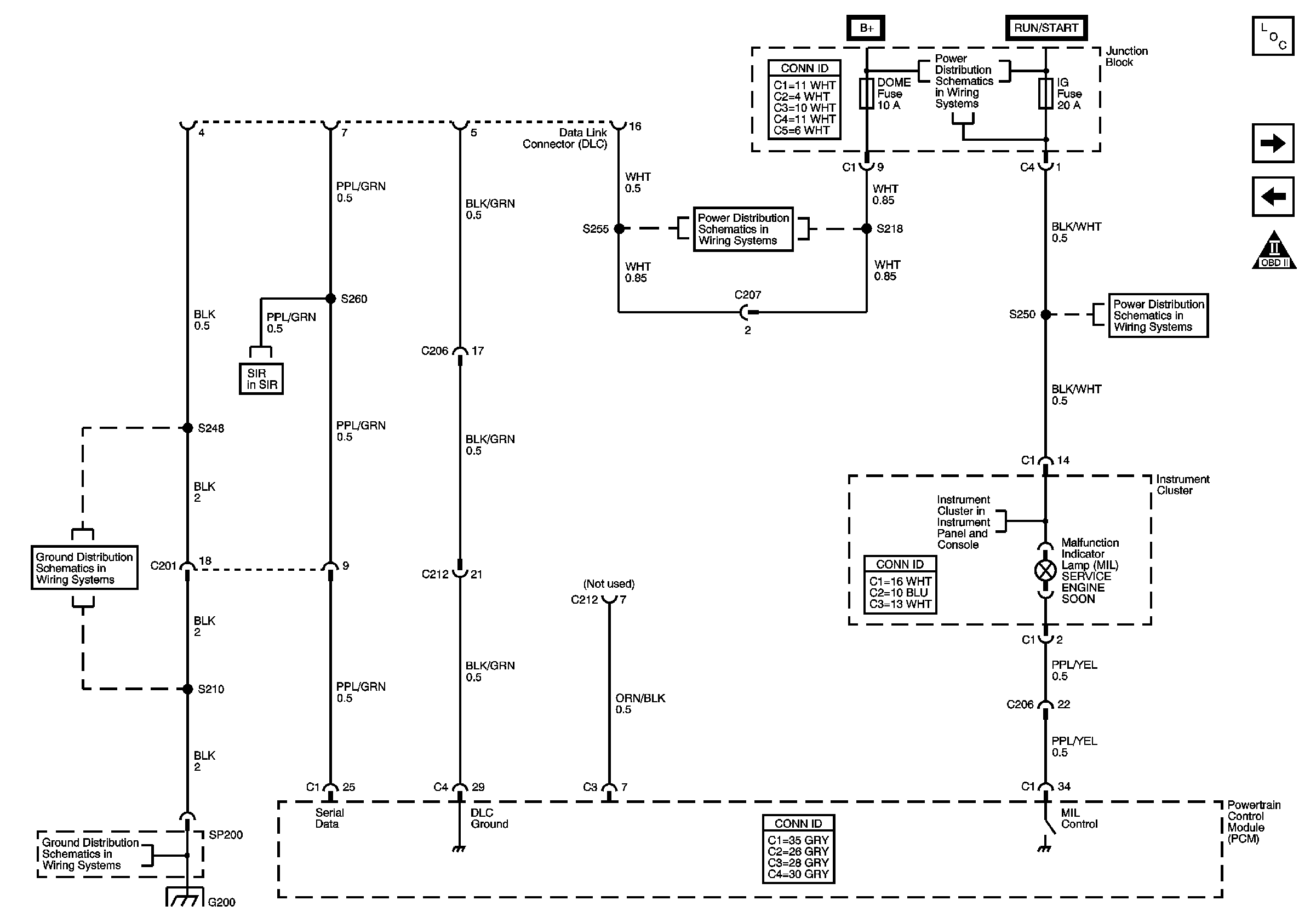
| Figure 2: |
Data Link Connector (DLC) and Malfunction Indicator
Lamp (MIL)
|
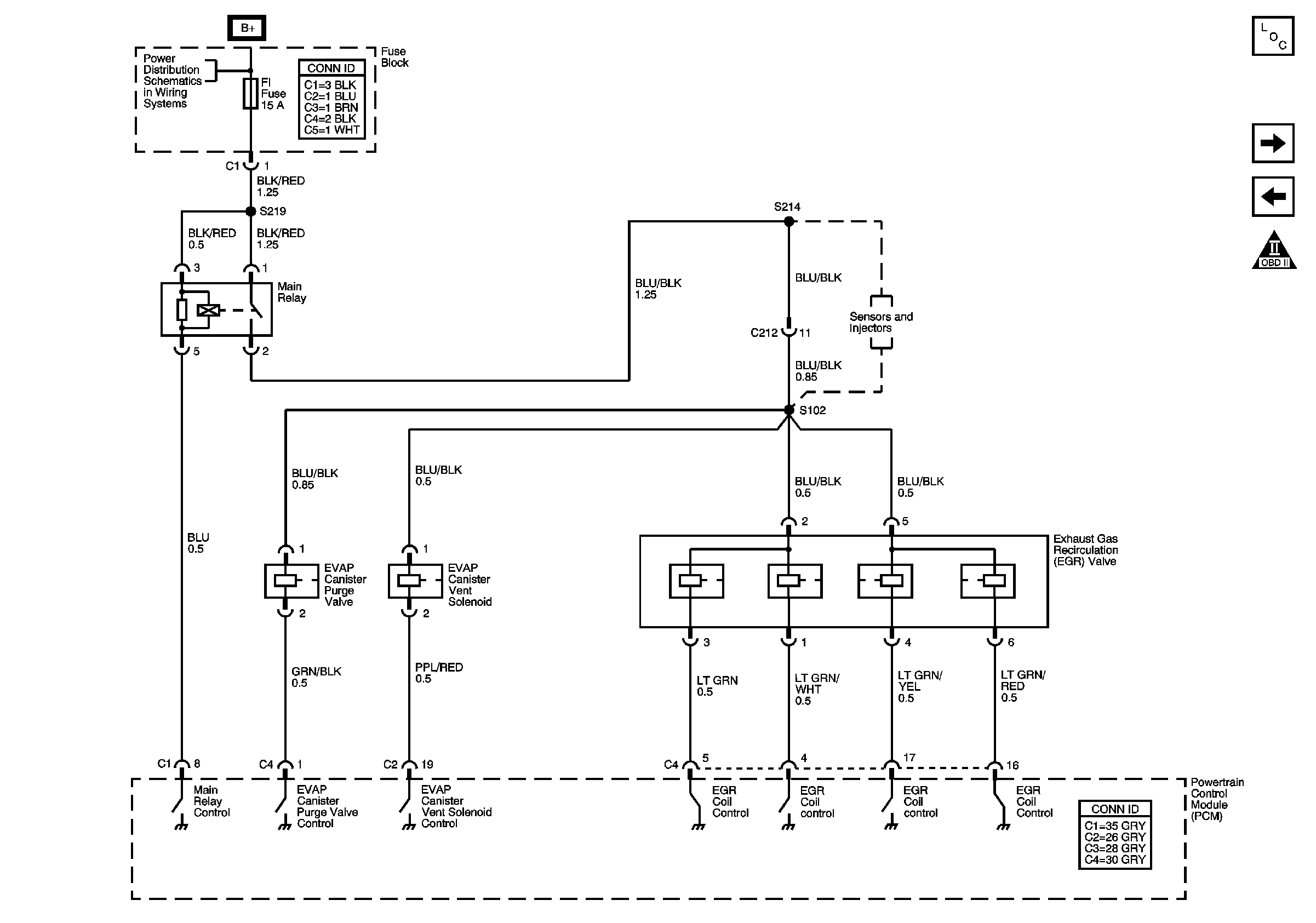
| Figure 3: |
Exhaust Gas Recirculation (EGR) and EVAP Solenoids
|
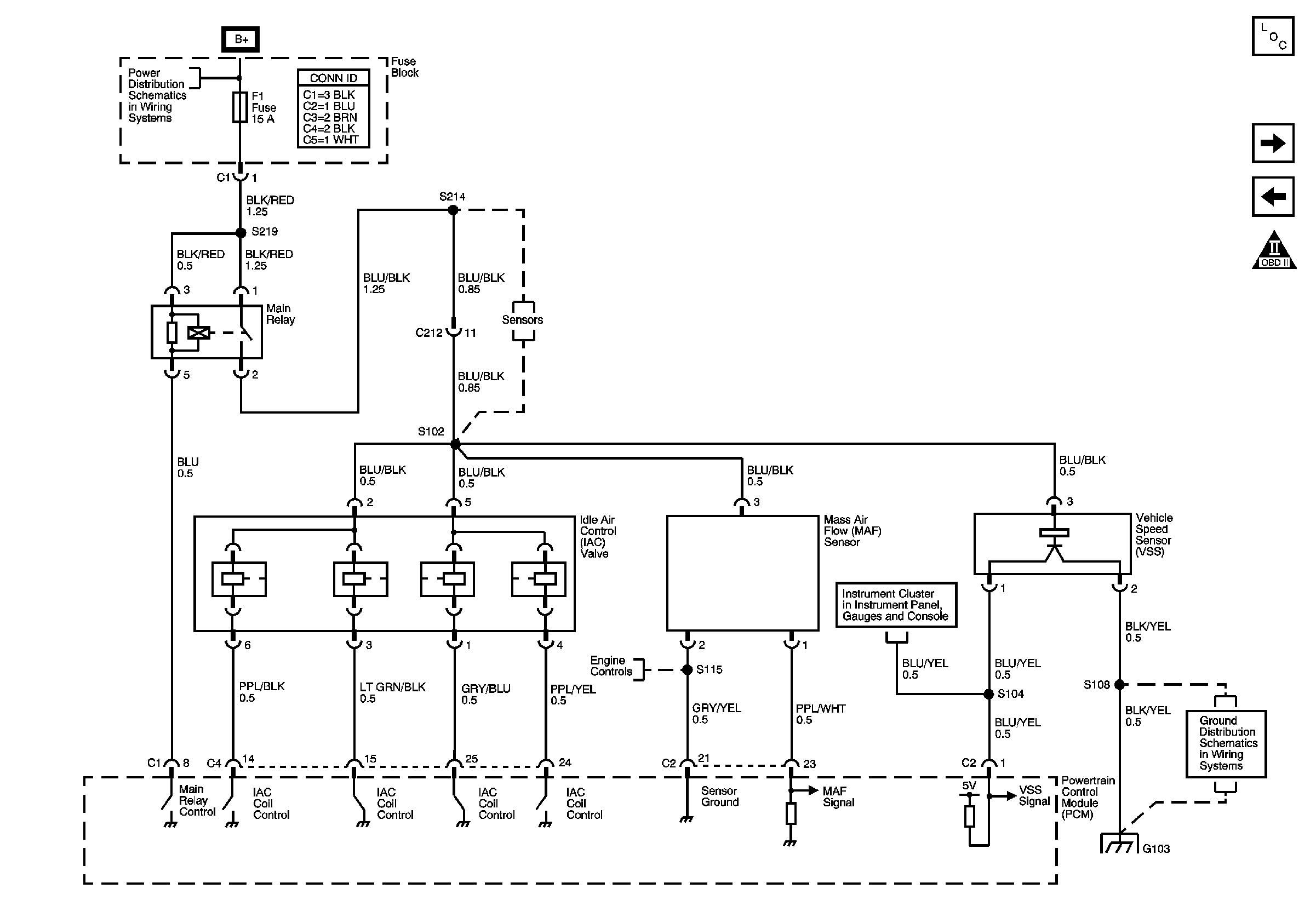
| Figure 4: |
Idle Air Control (IAC) Valve, Mass Air Flow (MAF)
Sensor, Vehicle Speed Sensor (VSS)
|
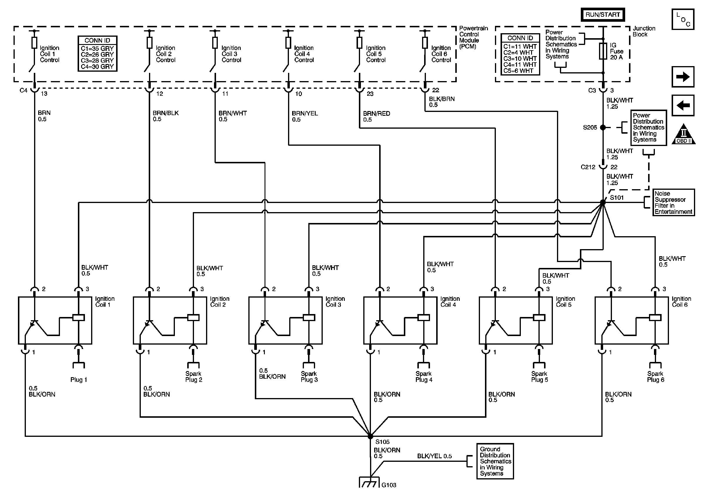
| Figure 5: |
Ignition System
|
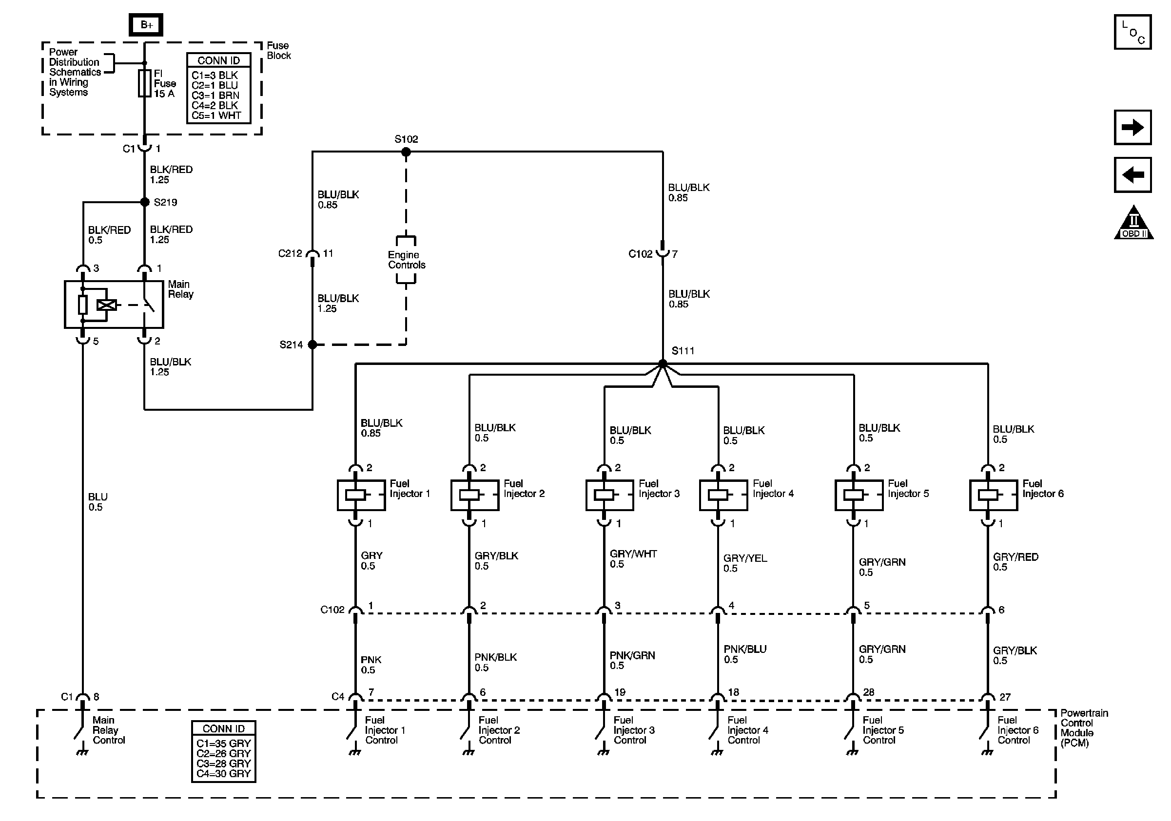
| Figure 6: |
Fuel Injectors
|
| Figure 7: |
ECT, IAT, MAP, TPS, FTP Sensors
|
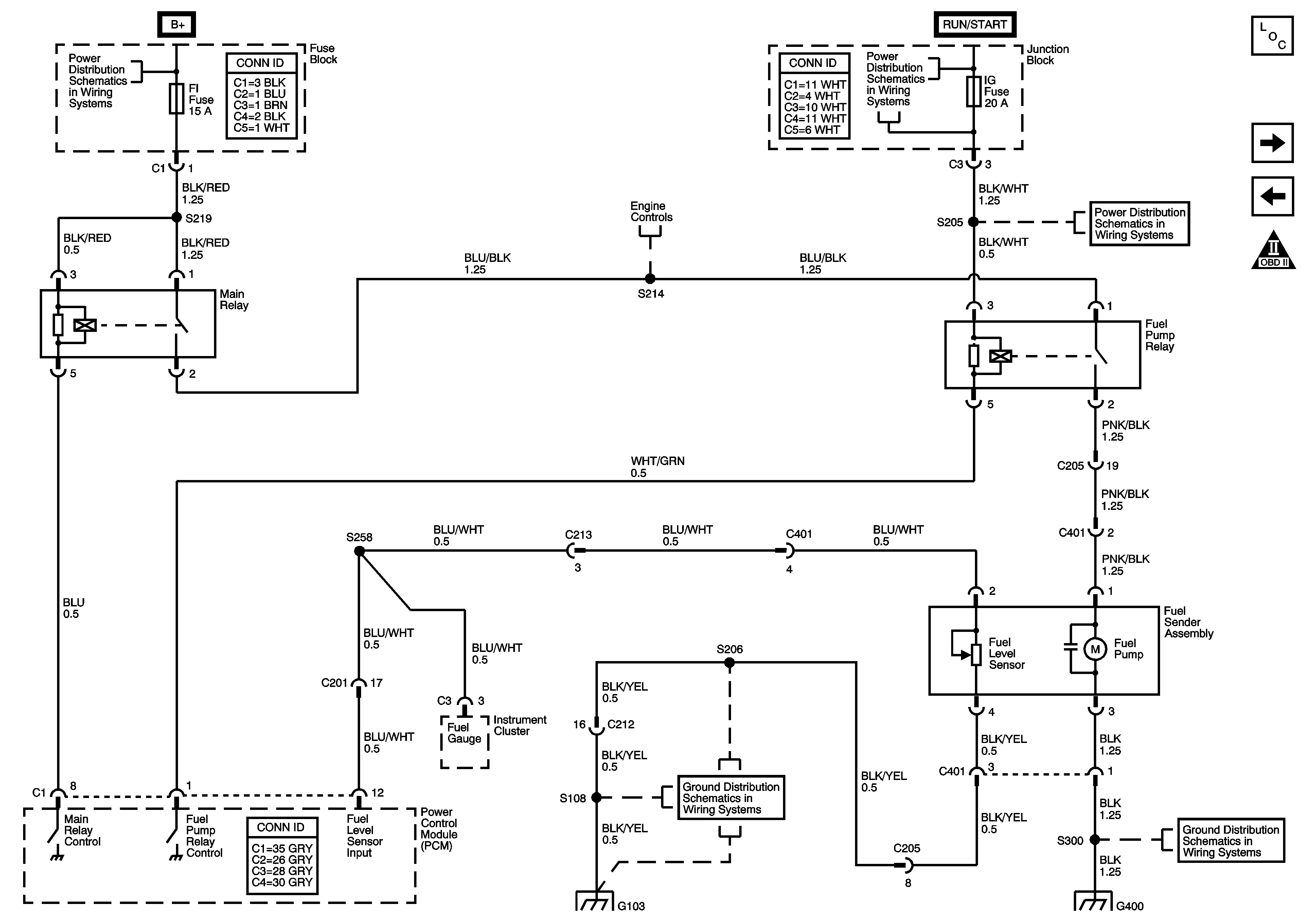
| Figure 8: |
Fuel Pump Relay, Fuel Sender Assembly
|
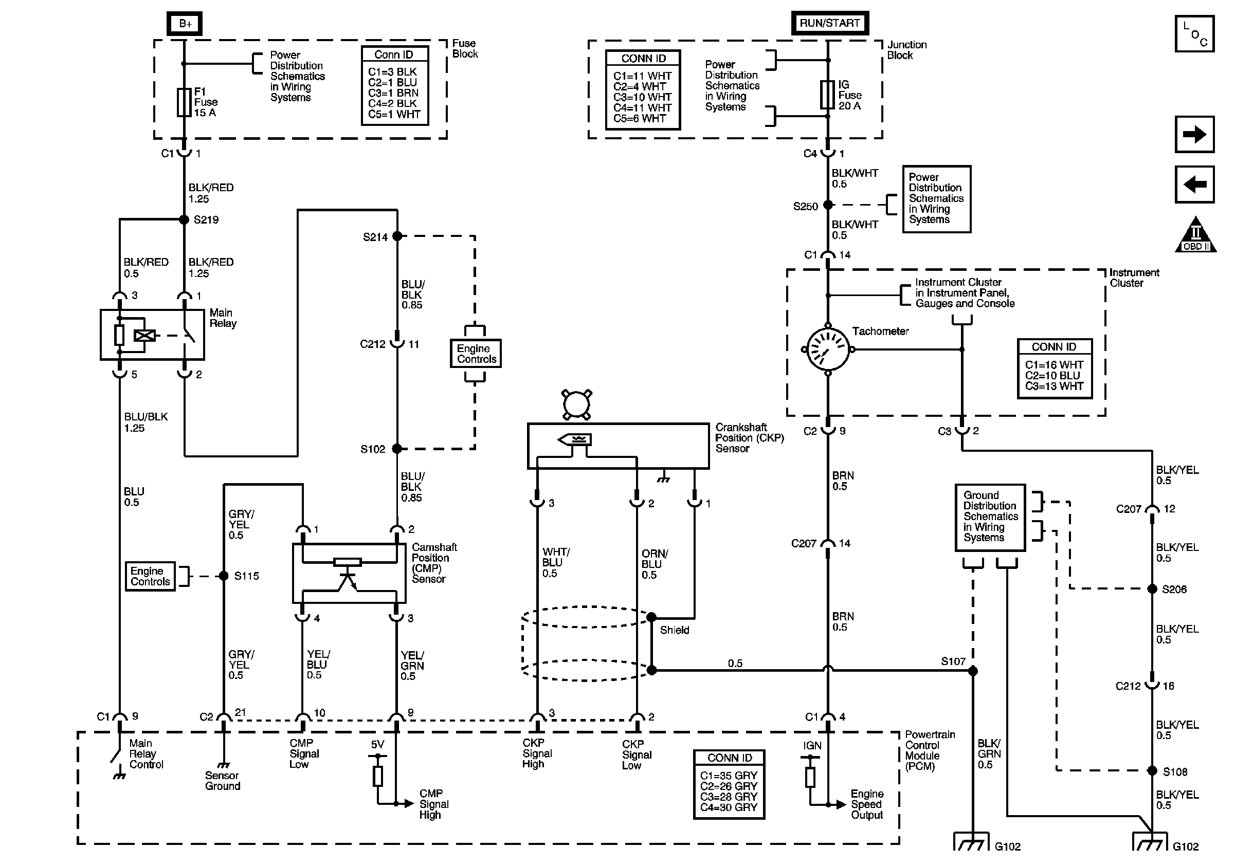
| Figure 9: |
Crankshaft Position (CKP) Sensor, Camshaft Position
(CMP) Sensor, Knock Sensor (KS)
|
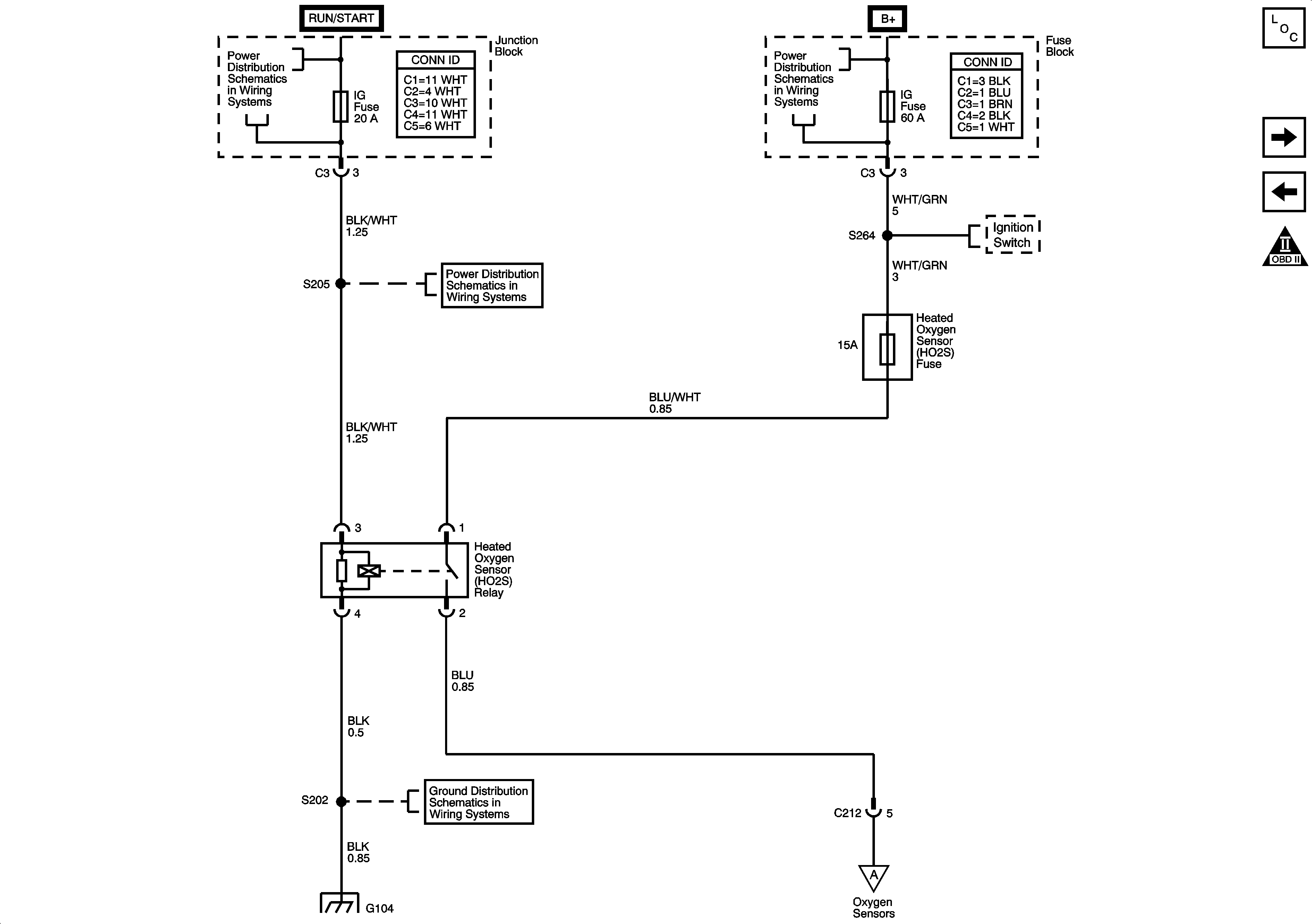
| Figure 10: |
Heated Oxygen Sensor (HO2S) Fuse and Relay
|
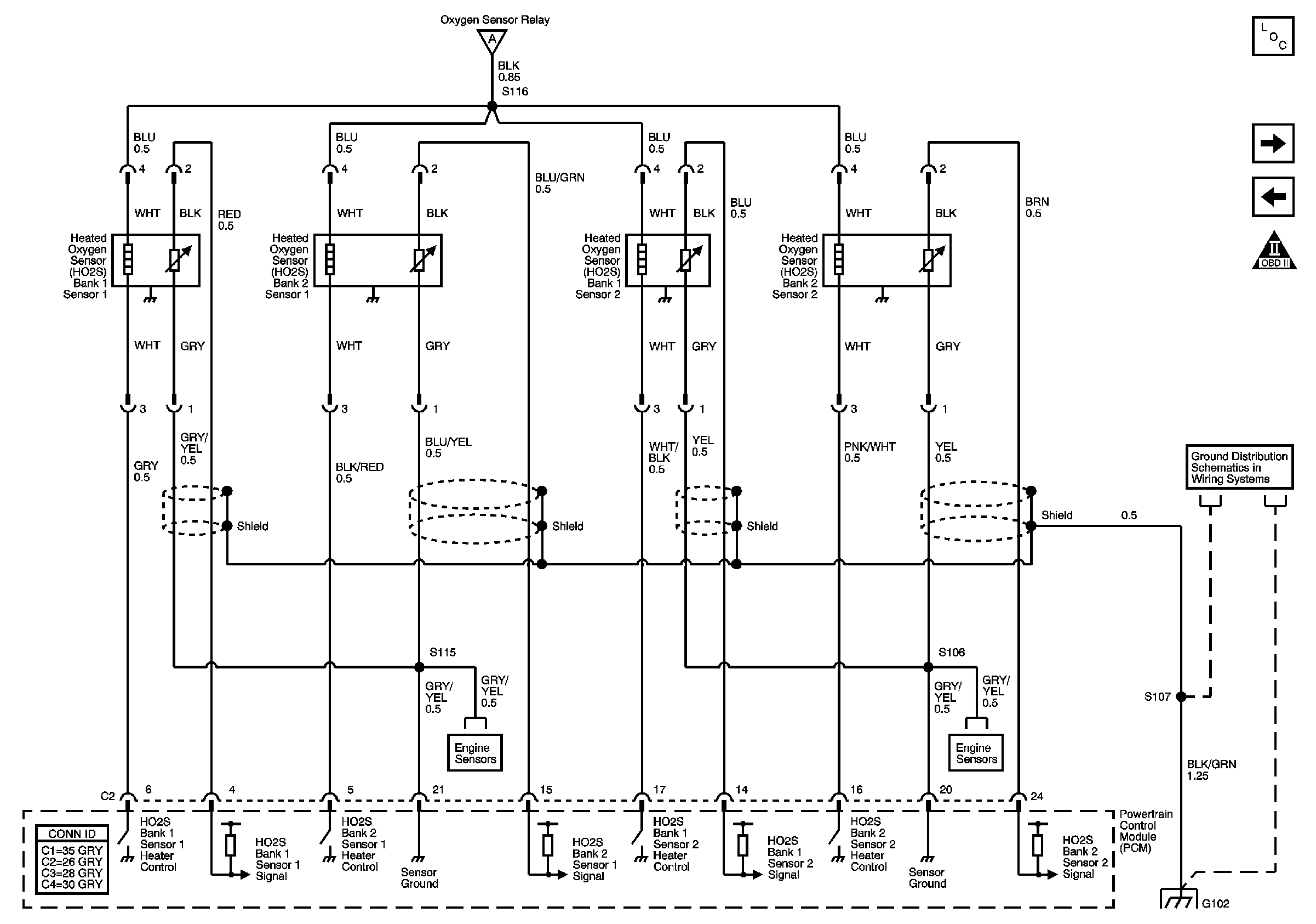
| Figure 11: |
Heated Oxygen Sensors (HO2S)
|
| Figure 12: |
Clutch Pedal Position (CPP) Switch, Transmission
Range Switch
|
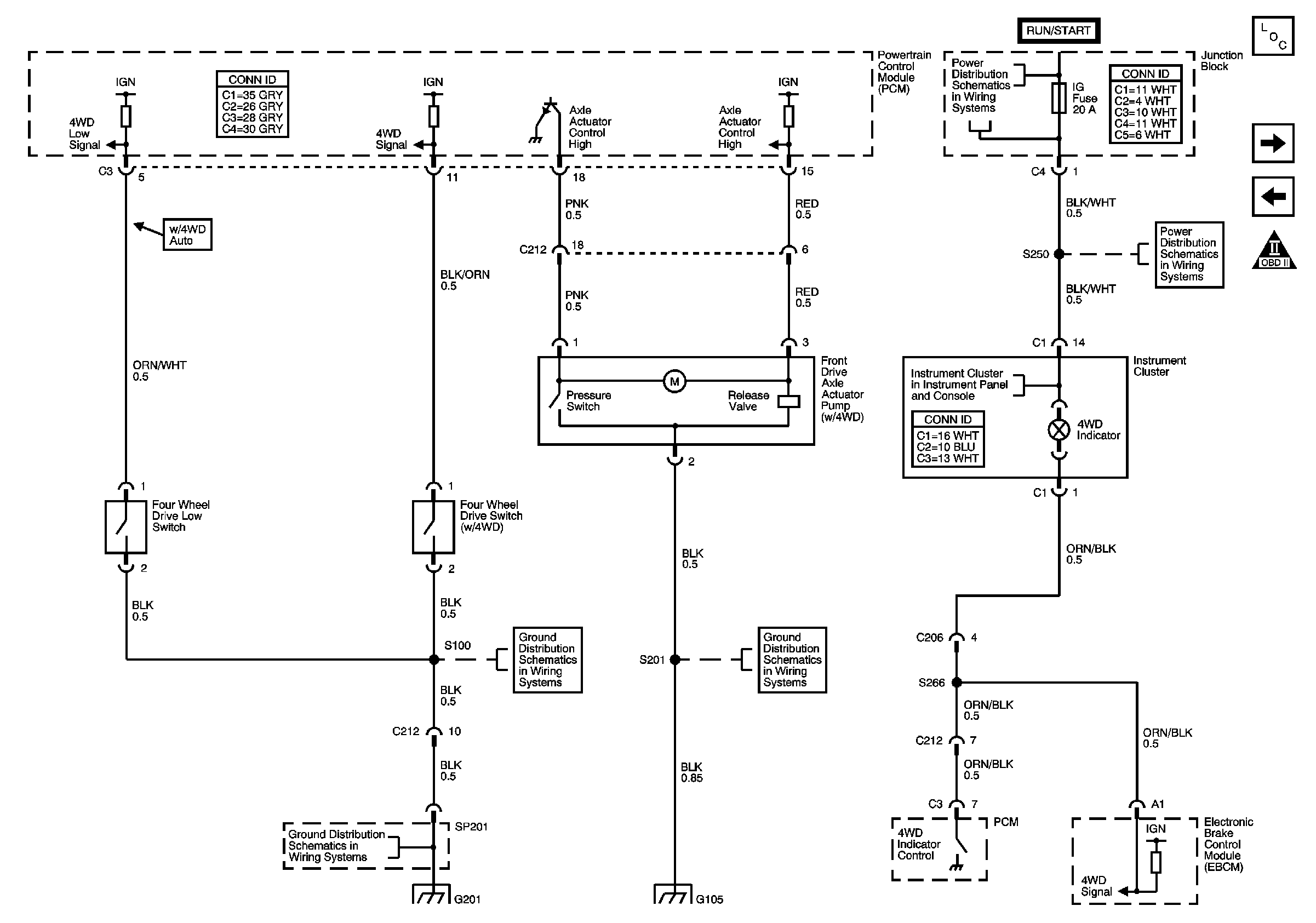
| Figure 13: |
Four Wheel Drive Switches, Front Drive Axle Actuator
Pump
|
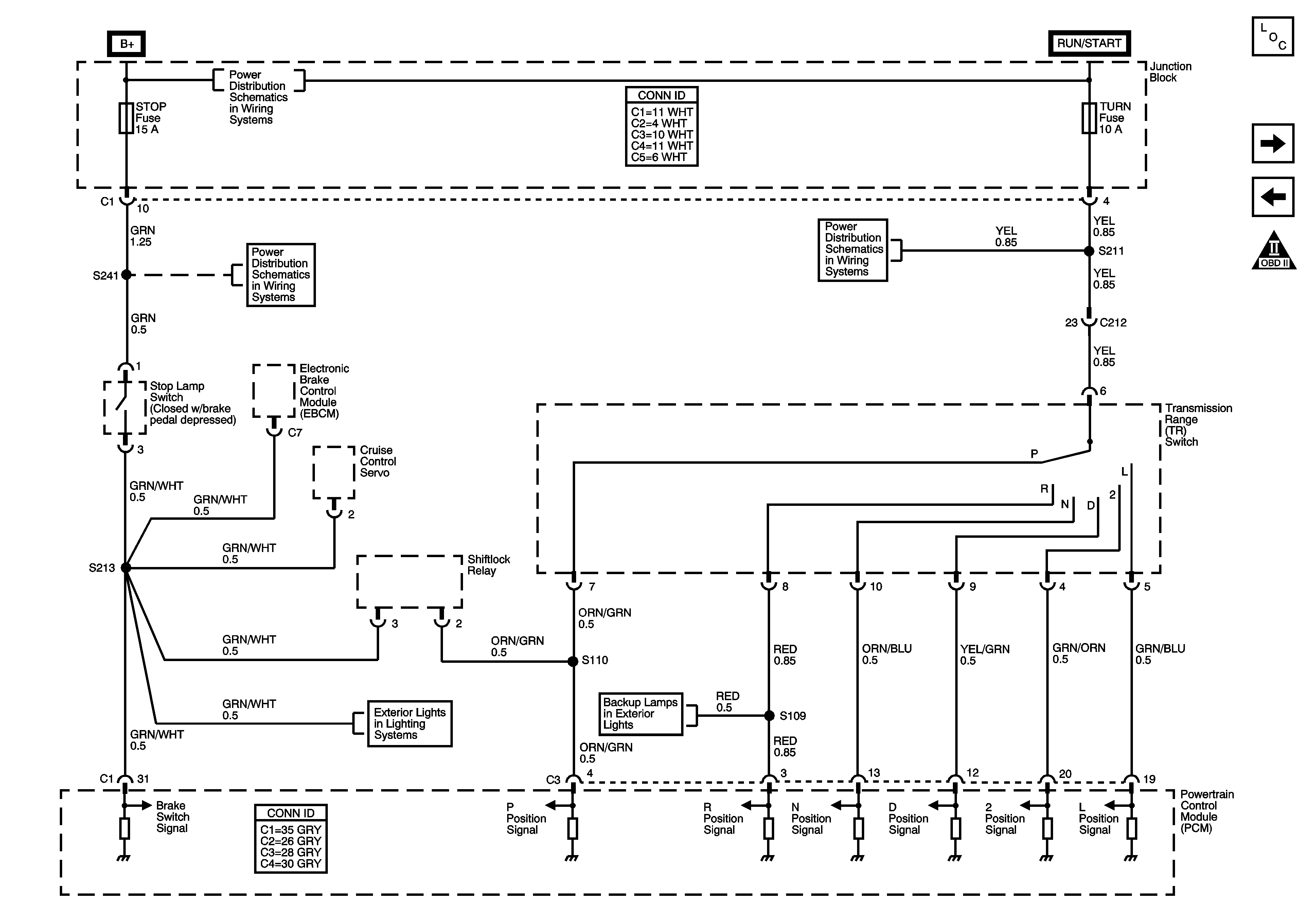
| Figure 14: |
Stoplamp Switch, Transmission Range Switch
|
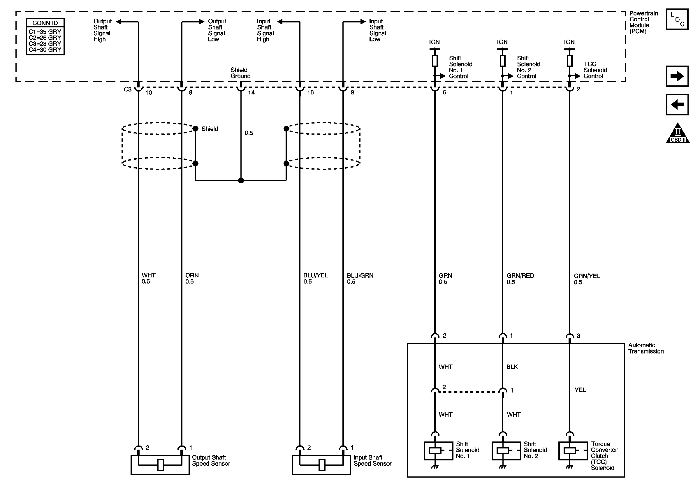
| Figure 15: |
Output Shaft Speed Sensor, Input Shaft Speed
Sensor, Torque Converter Clutch (TCC) Solenoid
|
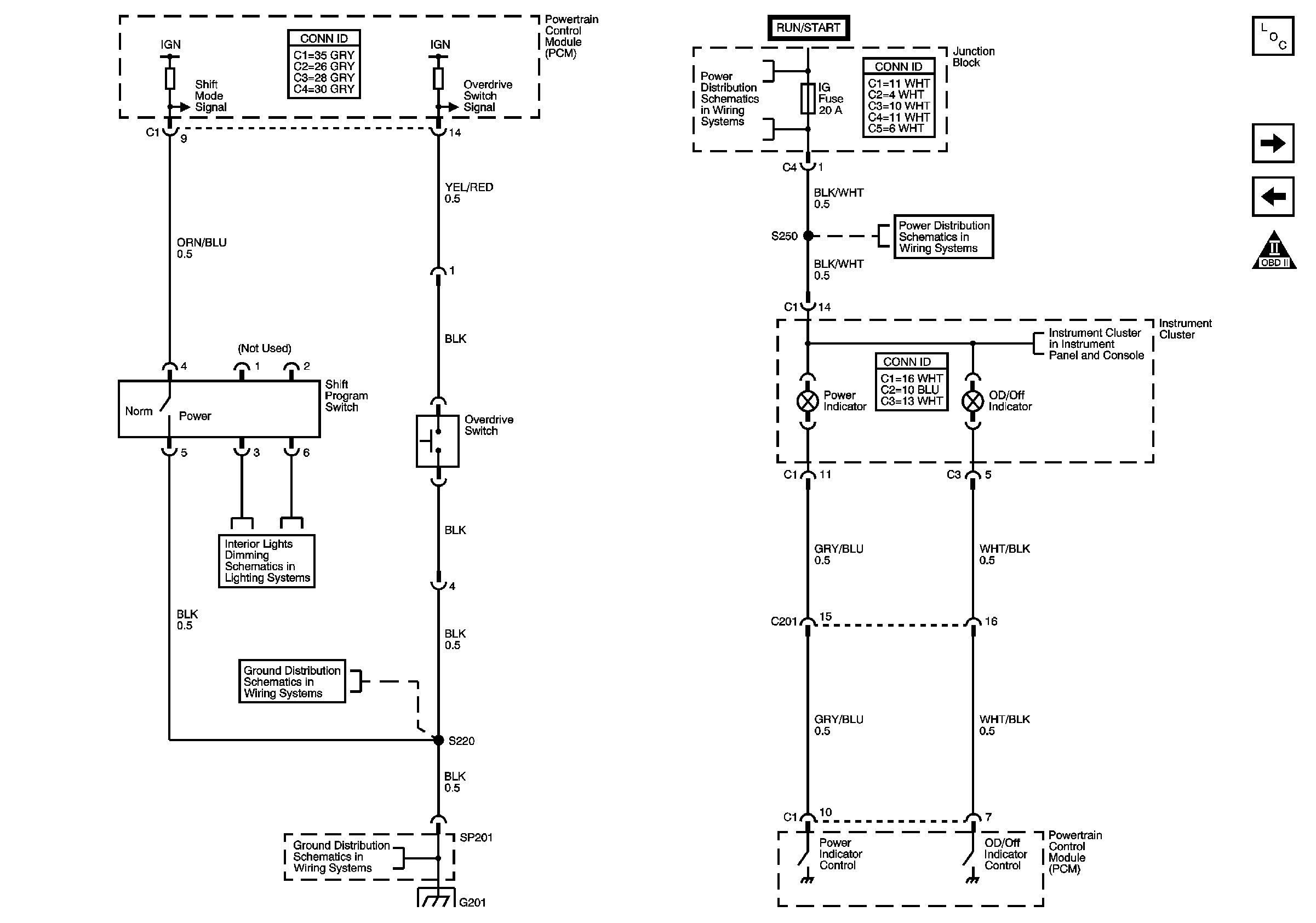
| Figure 16: |
Shift Program Switch, Overdrive Switch
|
| Figure 17: |
Powertrain Control Module (PCM) Idle-Up Inputs
|