GM Service Manual Online
For 1990-2009 cars only
Makes
🢒
Chevrolet
🢒
2003
🢒
Tracker - 2WD
🢒
Body and Accessories
🢒
Lighting Systems
🢒 Headlights/Daytime Running Lights (DRL) Schematics
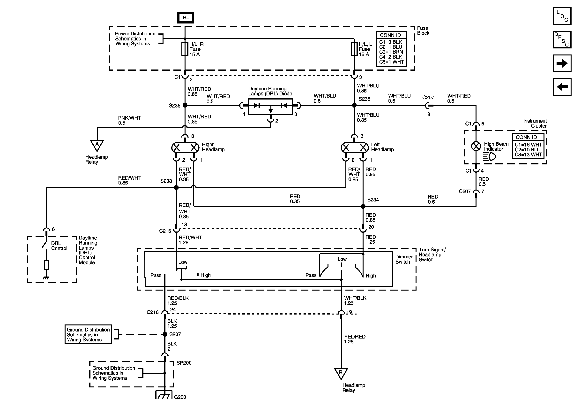
Figure
1:
Daytime Running Lamps (DRL) Control Module Power and Ground
Master Electrical Component List
Exterior Lighting Systems Description and Operation
Headlamps, Headlamp Switch, DRL Diode
IG Fuse
HAZ, D/L, TAIL, STOP, DOME Fuses
IG Fuse
G200
G200
Ignition Switch
Charging System
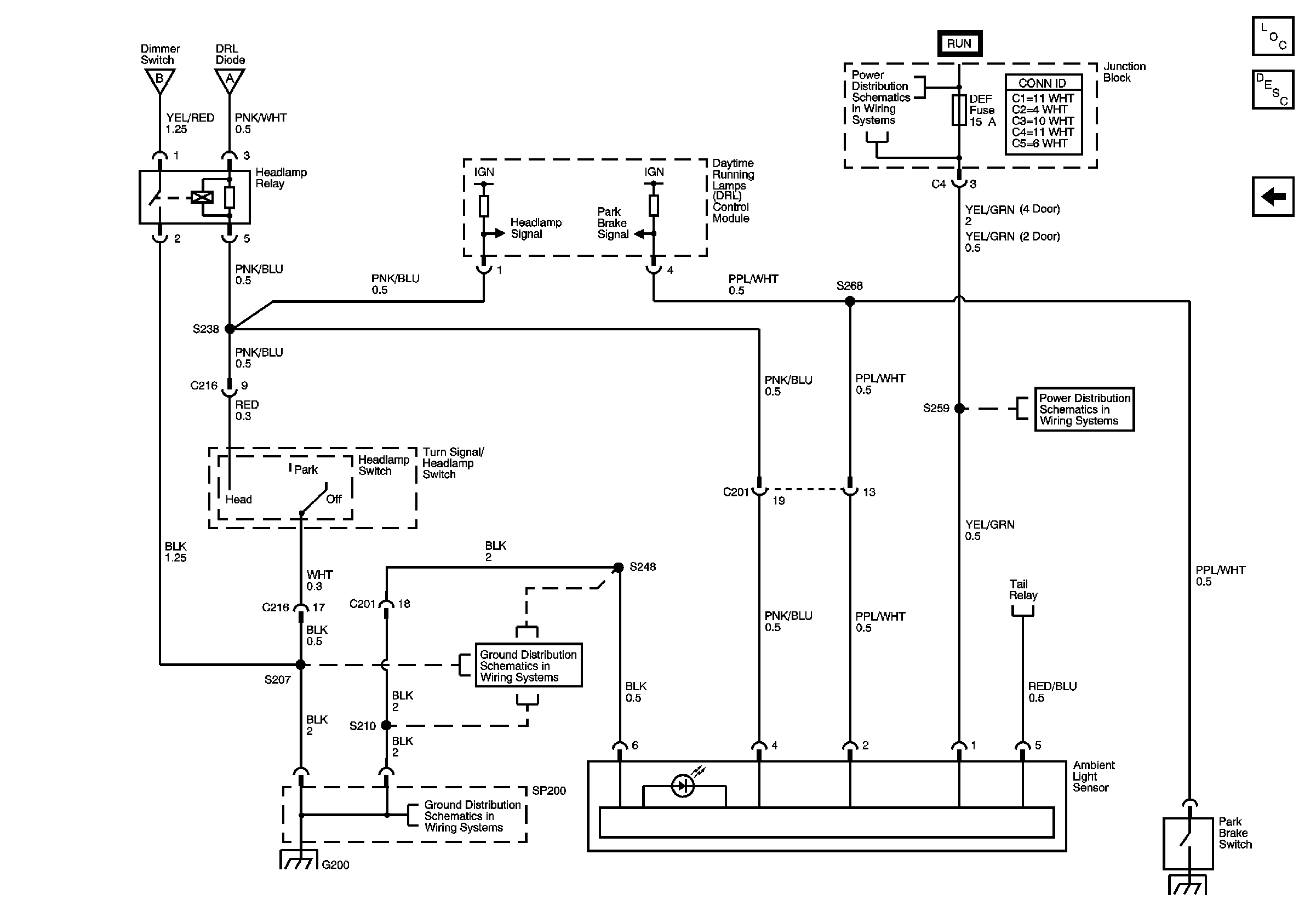
Figure
2:
Headlamps, Headlamp Switch, DRL Diode
Master Electrical Component List
Exterior Lighting Systems Description and Operation
Headlamp Relay, Headlamp Switch, Ambient Light Sensor, Park Brake Switch
Daytime Running Lamps Control Module, Power and Ground
H/L, L, H/L, R, HTR, IG, LAMP Fuses
S207
G200
Figure
3:
Headlamp Relay, Headlamp Switch, Ambient Light Sensor, Park Brake Switch
Master Electrical Component List
Exterior Lighting Systems Description and Operation
Headlamps, Headlamp Switch, DRL Diode
CIG, DEF, P/W Fuses
CIG, DEF, P/W Fuses
S207
S248
G200