GM Service Manual Online
For 1990-2009 cars only
Makes
🢒
Chevrolet
🢒
2003
🢒
Tracker - 2WD
🢒
Body and Accessories
🢒
Lighting Systems
🢒 Interior Lights Dimming Schematics
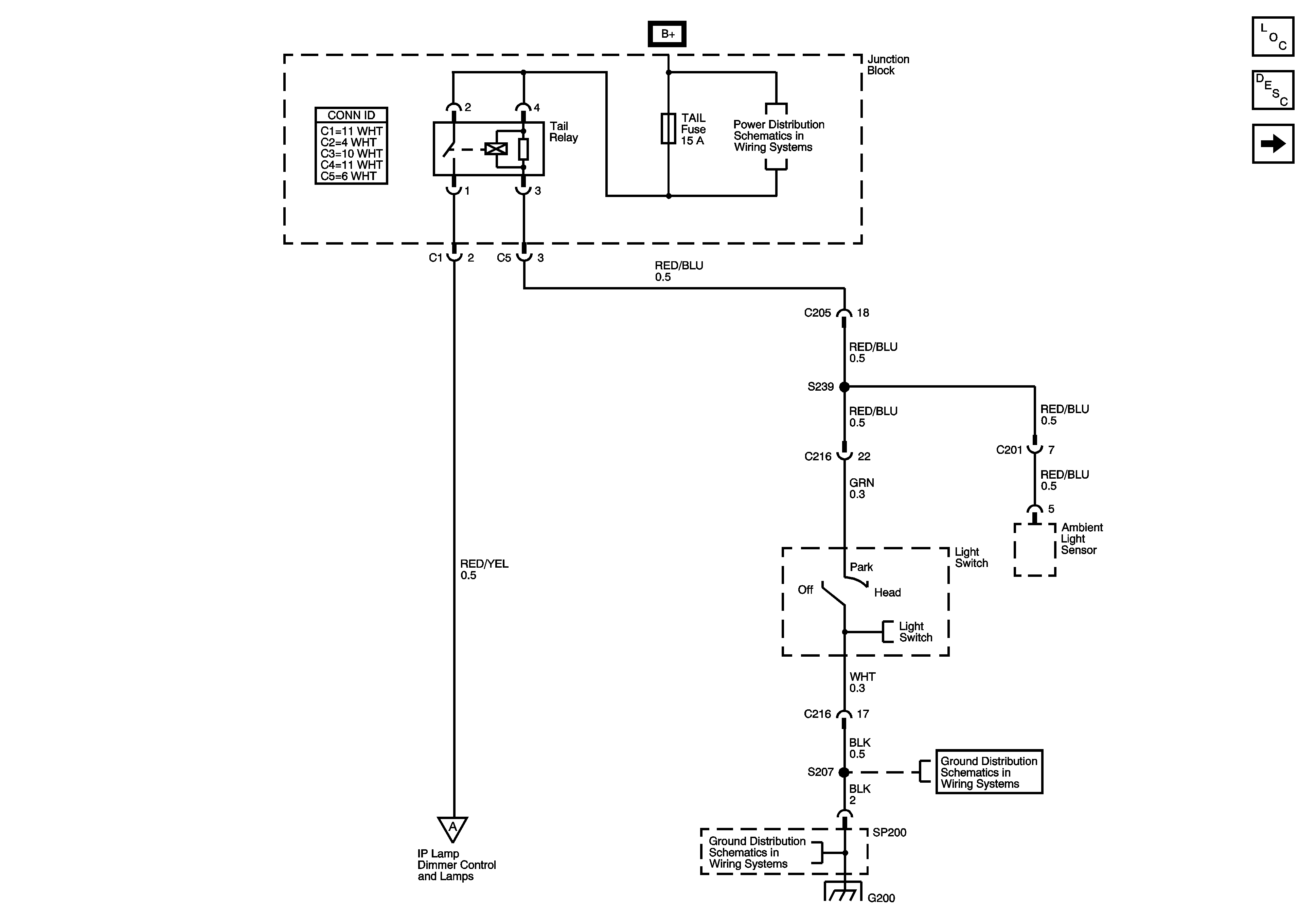
Figure
1:
Tail Relay, Light Switch
Master Electrical Component List
Interior Lighting Systems Description and Operation
Instrument Panel Lamp Dimmer Control
HAZ, D/L, TAIL, STOP, DOME Fuses
Instrument Panel Lamp Dimmer Control
G200
S207
Figure
2:
Instrument Panel Lamp Dimmer Control
Master Electrical Component List
Interior Lighting Systems Description and Operation
Tail Relay, Light Switch
Tail Relay, Light Switch
S248
G200