GM Service Manual Online
For 1990-2009 cars only
Makes
🢒
Chevrolet
🢒
2003
🢒
Tracker - 2WD
🢒
Body and Accessories
🢒
Instrument Panel, Gages, and Console
🢒 Audible Warnings Schematics
Figure
1:
Multifunction Alarm Module, Seat Belt Signal, Door Open Signal
Master Electrical Component List
Audible Warnings Description and Operation
Multifunction Alarm Module, Ignition Key-In Signal, Lights On Signal
TURN, WIP Fuses
TURN, WIP Fuses
Power, O/D OFF, 4WD, MIL, CRUISE, Charge Indicators
ABS, Brake, Seat Belt, Air Bag Indicators
SIR Schematics
G400 and G401
Dome Lamps, Map Lamps (4 Door)
G200
G200
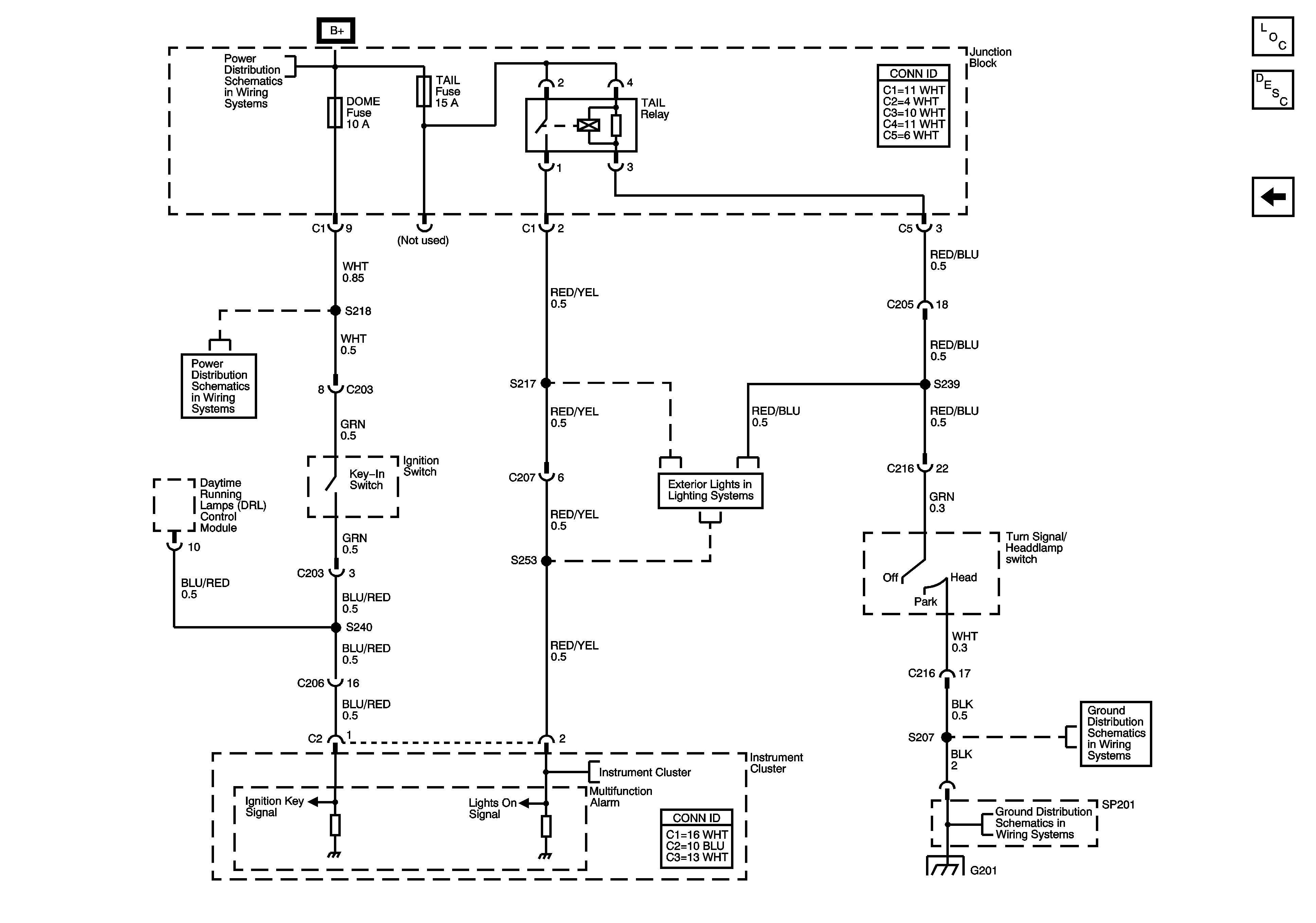
Figure
2:
Multifunction Alarm Module, Ignition Key-In Signal, Lights On Signal
Master Electrical Component List
Audible Warnings Description and Operation
Multifunction Alarm Module, Seat Belt Signal, Door Open Signal
HAZ, D/L, TAIL, STOP, DOME Fuses
HAZ, D/L, TAIL, STOP, DOME Fuses
Daytime Running Lamps Control Module, Power and Ground
Headlamps, Headlamp Switch, DRL Diode
S207
G201