GM Service Manual Online
For 1990-2009 cars only
Makes
🢒
Chevrolet
🢒
2004
🢒
Tracker - 2WD
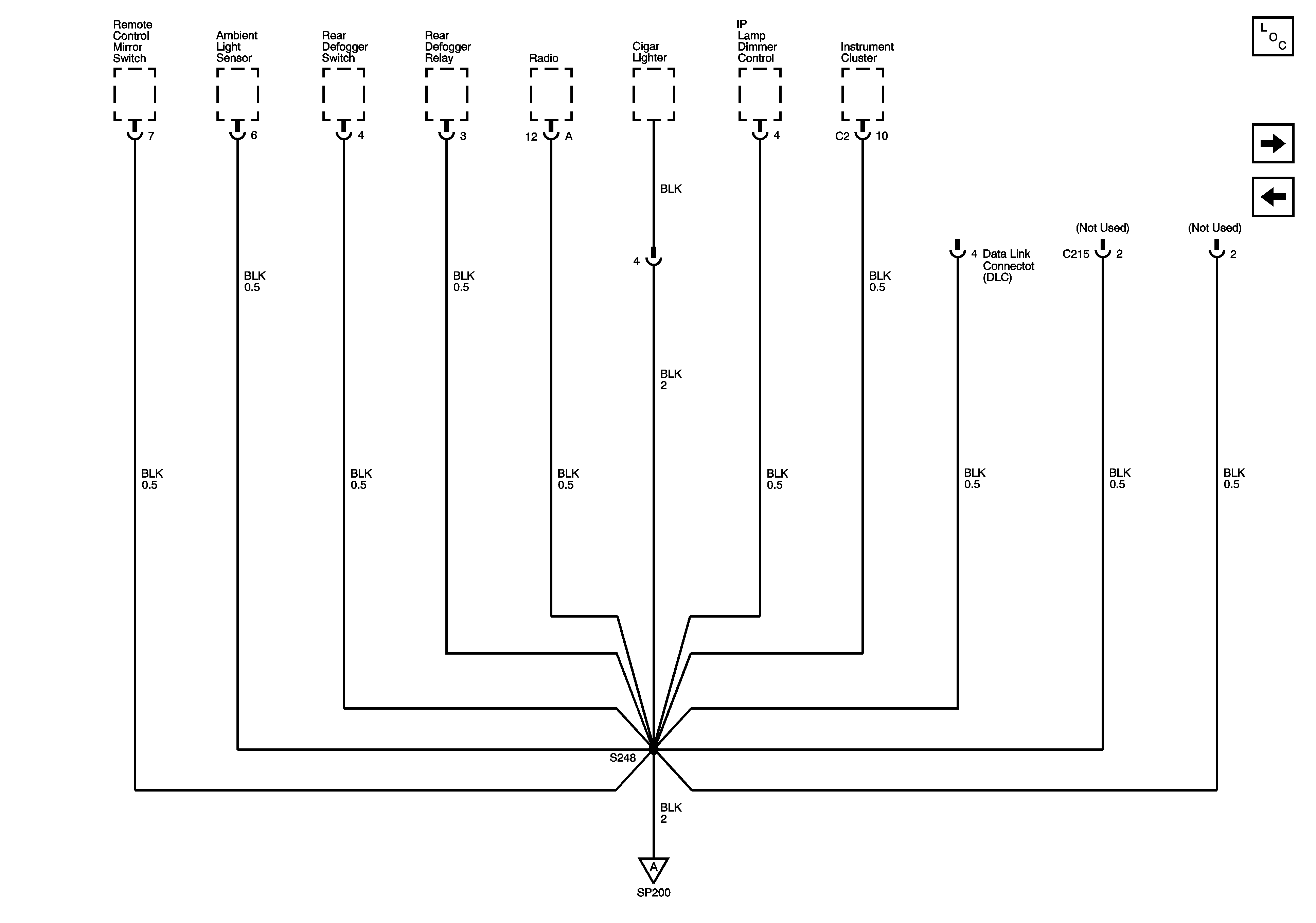
🢒 S248
S248
S248
Master Electrical Component List
S207
SP200 and G200