GM Service Manual Online
For 1990-2009 cars only
Makes
🢒
Chevrolet
🢒
2004
🢒
Tracker - 2WD
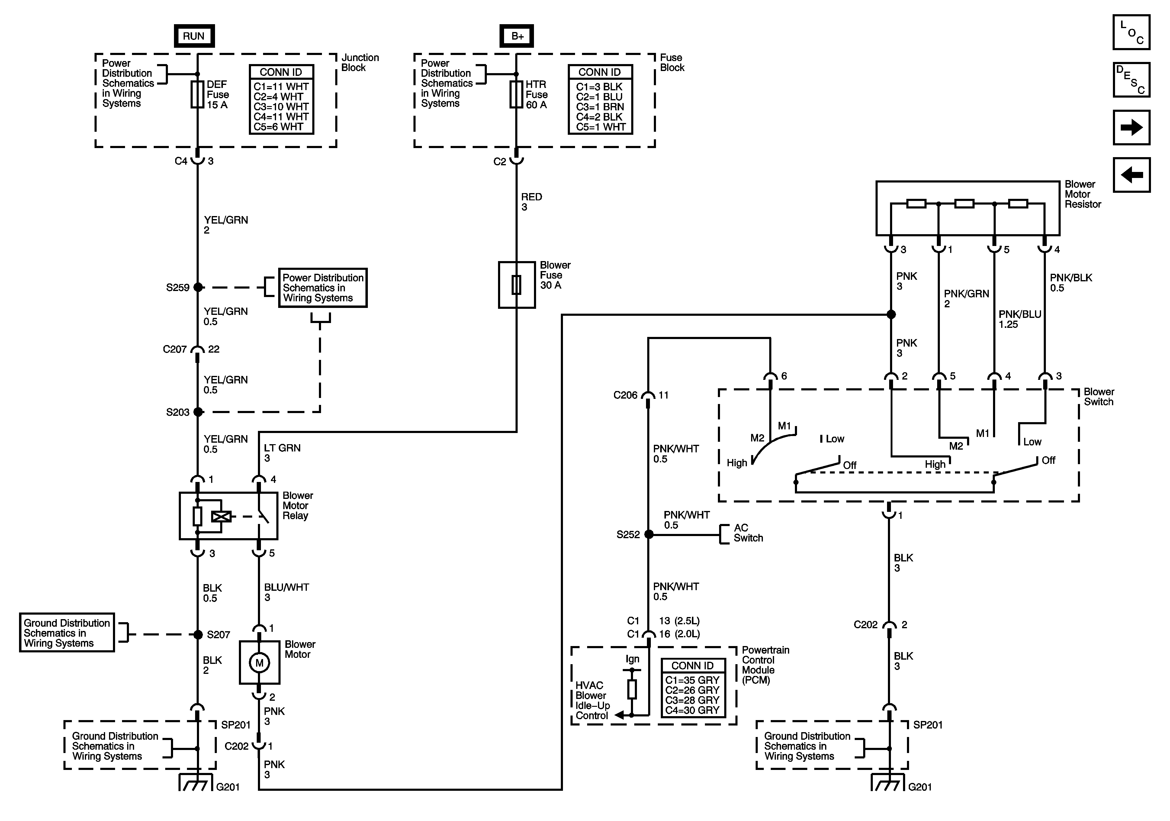
🢒 Blower Control with A/C
Blower Control with A/C
Blower Control with Air Conditioning
Master Electrical Component List
Air Delivery Description and Operation
ECT Sensor, Evaporator Temperature Sensor, A/C Compressor Control Module
Blower Control without A/C
CIG, DEF and P/W Fuses
H/L, L, H/L, R, HTR, IG and LAMP Fuses
CIG, DEF and P/W Fuses
S207
SP201 and G201
SP201 and G201