GM Service Manual Online
For 1990-2009 cars only

Object Number: 490639  Size: MF
EGR Valve and EVAP Controls
OBD II Symbol Description Notice
Handling ESD Sensitive Parts Notice

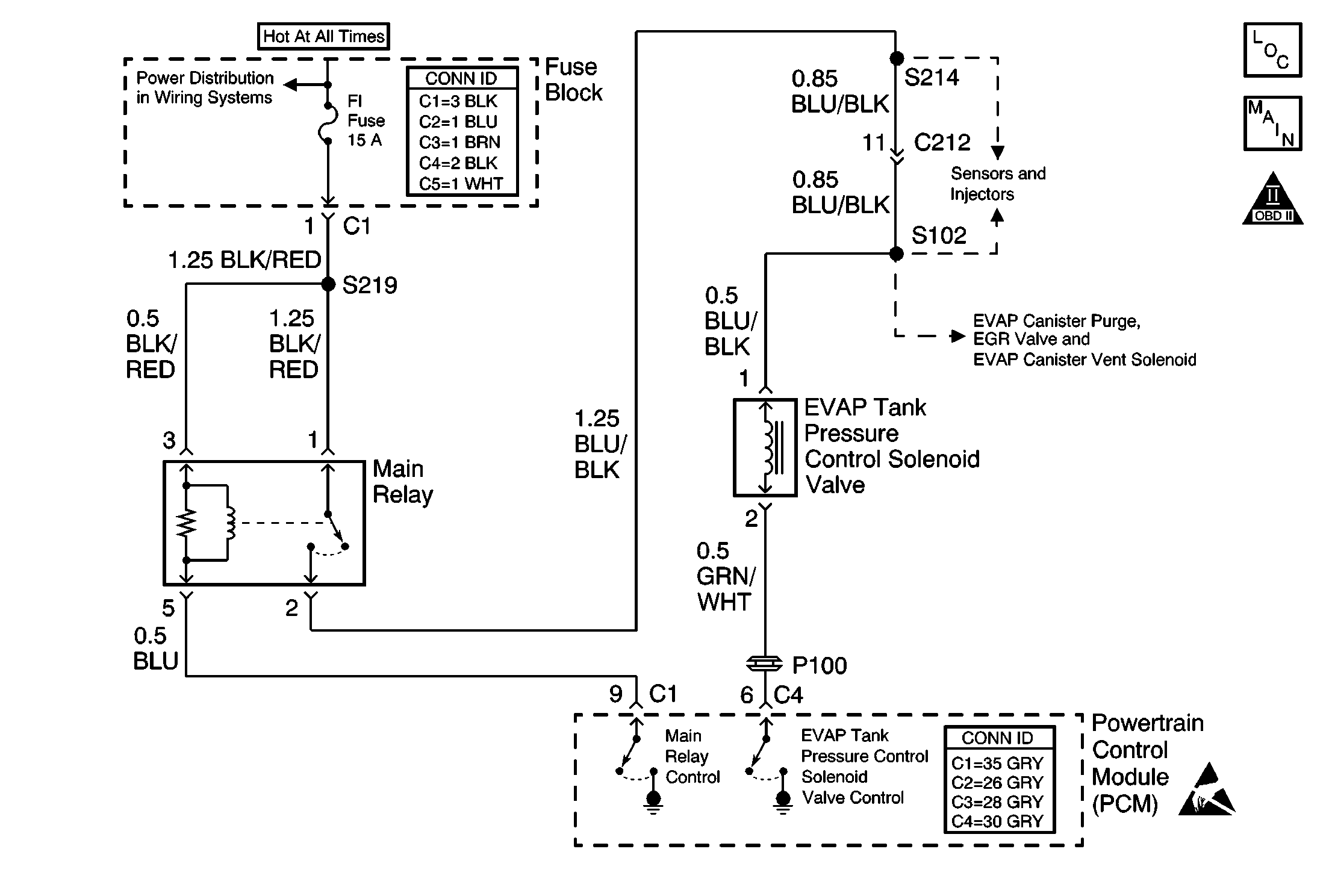
Circuit Description

The tank pressure control valve is operated by a vacuum signal from the EVAP tank pressure control solenoid valve. The EVAP tank pressure control solenoid valve is controlled by the powertrain control module (PCM). The PCM opens the tank pressure control valve when the engine is running and the fuel level is within a specified range. The tank pressure control valve opens in order to allow the unrestricted flow of fuel vapors from the fuel tank to the EVAP canister. The DTC P1410 diagnostic monitors the EVAP tank pressure control solenoid valve circuit voltage.

Conditions for Running the DTC

The ignition is ON or the engine is running.

Conditions for Setting the DTC

The PCM does not detect the expected voltage in the solenoid control circuit, with the fuel level higher than a specified value when the diagnostic runs.

Action Taken When the DTC Sets

    • The malfunction indicator lamp (MIL) will illuminate after two consecutive ignition cycles in which the diagnostic runs with the fault active.
    • The PCM will record operating conditions at the time the diagnostic fails. This information will be stored in the Freeze Frame buffer.

Conditions for Clearing the MIL/DTC

    • The MIL will turn OFF after three consecutive drive cycles without a fault present.
    • A DTC will clear after 40 consecutive warm-up cycles without a fault.
    • The DTCs can be cleared by using a scan tool or by disconnecting the PCM battery feed.

Diagnostic Aids

Test the operation of the EVAP tank pressure control solenoid valve. Refer to Evaporative Emission Control System Diagnosis .

If the DTC P1410 is intermittent, driving the vehicle under the following conditions can verify whether the fault is present. Perform the scan tool Clear DTC Information function. Road test the vehicle while monitoring the DTC P1410 diagnostic on the scan tool under the Not Ran Since Code Cleared selection in the DTC Information menu. If a DTC P1410 appears in the Not Ran Since Code Cleared list, the P1410 diagnostic has not yet run. When the DTC P1410 does not appear in the Not Ran Since Code Cleared list, the P1410 diagnostic has run. If the MIL is NOT ILLUMINATED, and there is no PENDING DTC Status in DTC Information, the P1410 diagnostic has passed. DTCs MUST BE CLEARED in order to view the CURRENT STATUS of the Not Ran Since Code Cleared list. DO NOT FORGET that the Not Ran Since Code Cleared list only indicates that the test has run, not whether the test passed or failed. The DTC Information screen must be checked for CURRENT or PENDING status, in order to determine the outcome of the diagnostic test involved.

An intermittent malfunction may be caused by a fault in the fuel tank pressure sensor circuit. Inspect the wiring harness and components for any of the following conditions:

    • Backed out terminals
    • Improper mating of terminals
    • Broken electrical connector locks
    • Improperly formed or damaged terminals
    • Faulty terminal to wire connections
    • Physical damage to the wiring harness
    • A broken wire inside the insulation
    • Corrosion of electrical connections, splices, or terminals

If a DTC P1410 cannot be duplicated, the information included in the Freeze Frame data can be useful in determining vehicle operating conditions when the DTC was first set.

Test Description

The numbers below refer to the step numbers in the diagnostic table.

  1. The Powertrain OBD System Check prompts the technician to complete some basic checks and store the Freeze Frame data on the scan tool if applicable. This creates an electronic copy of the data taken when the fault occurred. The information is then stored in the scan tool for later reference.

  2. The DTC P1410 diagnostic depends on correct fuel tank level readings in order to accurately detect a malfunction of the EVAP tank pressure control solenoid valve.

  3. This step checks whether the condition that caused the DTC P1410 is still present.

  4. This step checks the control side operation of the EVAP tank pressure control solenoid valve.

  5. This step checks whether the malfunction that caused the DTC P1410 is still present. Driving the vehicle under these conditions will verify whether the fault is present. After performing the scan tool Clear DTC Information function, the DTC P1410 diagnostic can be monitored on the scan tool under the Not Ran Since Code Cleared selection in the DTC Information menu. If DTC P1410 appears in the Not Ran Since Code Cleared list, the P1410 diagnostic has not yet run. When DTC P1410 does not appear in the Not Ran Since Code Cleared list, the P1410 diagnostic has run. If the MIL is NOT illuminated and there is no Pending DTC Status in DTC Information, the P1410 diagnostic has passed. The DTCs MUST be cleared in order to view the Current Status of the Not Ran Since Code Cleared list. DO NOT forget that the Not Ran Since Code Cleared list only indicates that the test has run, not whether the test passed or failed. The DTC Information screen must be checked for Current or Pending status in order to determine the outcome of the diagnostic test involved.

Step

Action

Value(s)

Yes

No

1

Was the Powertrain On-Board Diagnostic (OBD) System Check performed?

--

Go to Step 2

Go to Powertrain On Board Diagnostic (OBD) System Check

2

Is DTC P0461 or DTC P0463 present?

--

Go to DTC P0461 Fuel Level Sensor Performance or DTC P0463 Fuel Level Sensor Circuit High Voltage

Go to Step 3

3

  1. Turn ON the ignition, leaving the engine OFF.
  2. Perform the scan tool Clear DTC Information function.
  3. Start the engine.
  4. Run the engine for 1 minute.

Is there a Current or Pending DTC P1410 set?

--

Go to Step 4

Go to Diagnostic Aids

4

  1. Turn OFF the ignition.
  2. Disconnect the electrical connector from the EVAP tank pressure control valve .
  3. Measure the resistance of the pressure control valve with a digital multimeter (DMM).

Is the resistance within the specified range?

28 - 36 ohms at 20°C (68°F)

Go to Step 5

Go to Step 9

5

  1. Turn ON the ignition, leaving the engine OFF.
  2. Probe the ignition positive voltage circuit of the EVAP tank pressure control valve with a test lamp connected to ground.

Does the test lamp illuminate?

--

Go to Step 6

Go to Step 8

6

  1. Probe the control circuit of the EVAP tank pressure control valve on the harness side with a test lamp connected to B+.
  2. Command the pressure control valve ON using the scan tool.
  3. Observe the test lamp.

Does the test lamp illuminate only when the pressure control valve is commanded ON?

--

Go to Step 9

Go to Step 7

7

  1. Check the control circuit of the EVAP tank pressure control valve for an open or a short to ground.
  2. Repair as necessary. Refer to Wiring Repairs in Wiring Systems.

Was a repair necessary?

--

Go to Step 11

Go to Step 10

8

Repair the open in the ignition positive voltage circuit of the EVAP tank pressure control valve. Refer to Wiring Repairs in Wiring Systems.

Is the action complete?

--

Go to Step 11

--

9

Replace the EVAP tank pressure control solenoid valve. Refer to Evaporative Emission Tank Pressure Control Solenoid Valve Replace .

Is the action complete?

--

Go to Step 11

--

10

Replace the PCM. Refer to Powertrain Control Module Replacement/Programming .

Is the action complete?

--

Go to Step 11

--

11

  1. Perform the scan tool DTC Information function and road test the vehicle within the Freeze Frame conditions that set the DTC or until the P1410 diagnostic test has run. Refer to the Test Description.
  2. Review scan tool data and check for DTCs. The repair is complete if no DTCs are stored.

Are any DTCs displayed on the scan tool?

--

Go to Diagnostic Trouble Code (DTC) List

System OK