GM Service Manual Online
For 1990-2009 cars only
Makes
🢒
Chevrolet
🢒
2000
🢒
Tracker - 4WD
🢒
Driveline/Axle
🢒
Transfer Case - Tracker
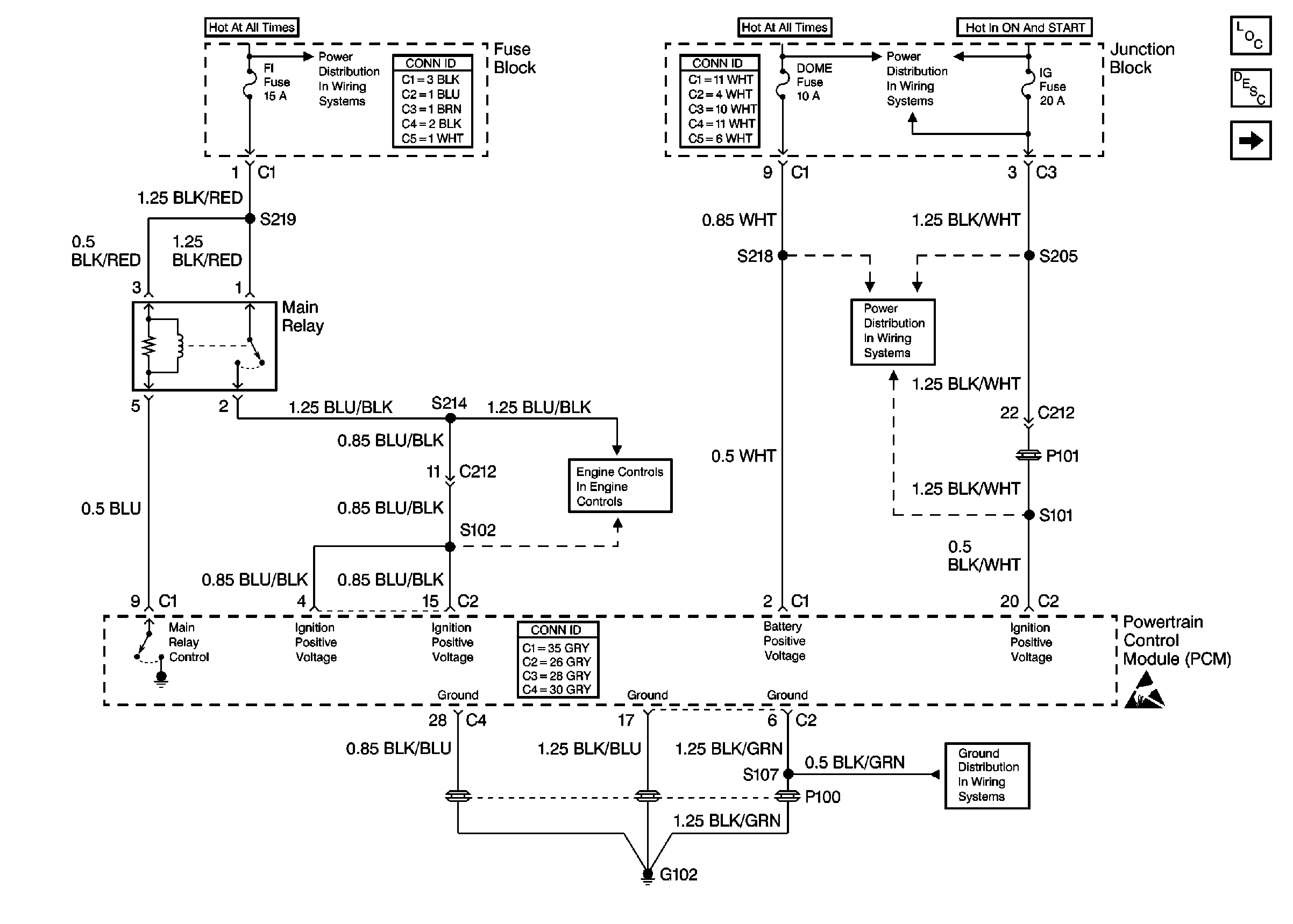
🢒 Transfer Case Control Schematics
Figure
1:
Main Relay and Powertrain Control Module (PCM)
Transfer Case Control Components
Transfer Case Circuit Description
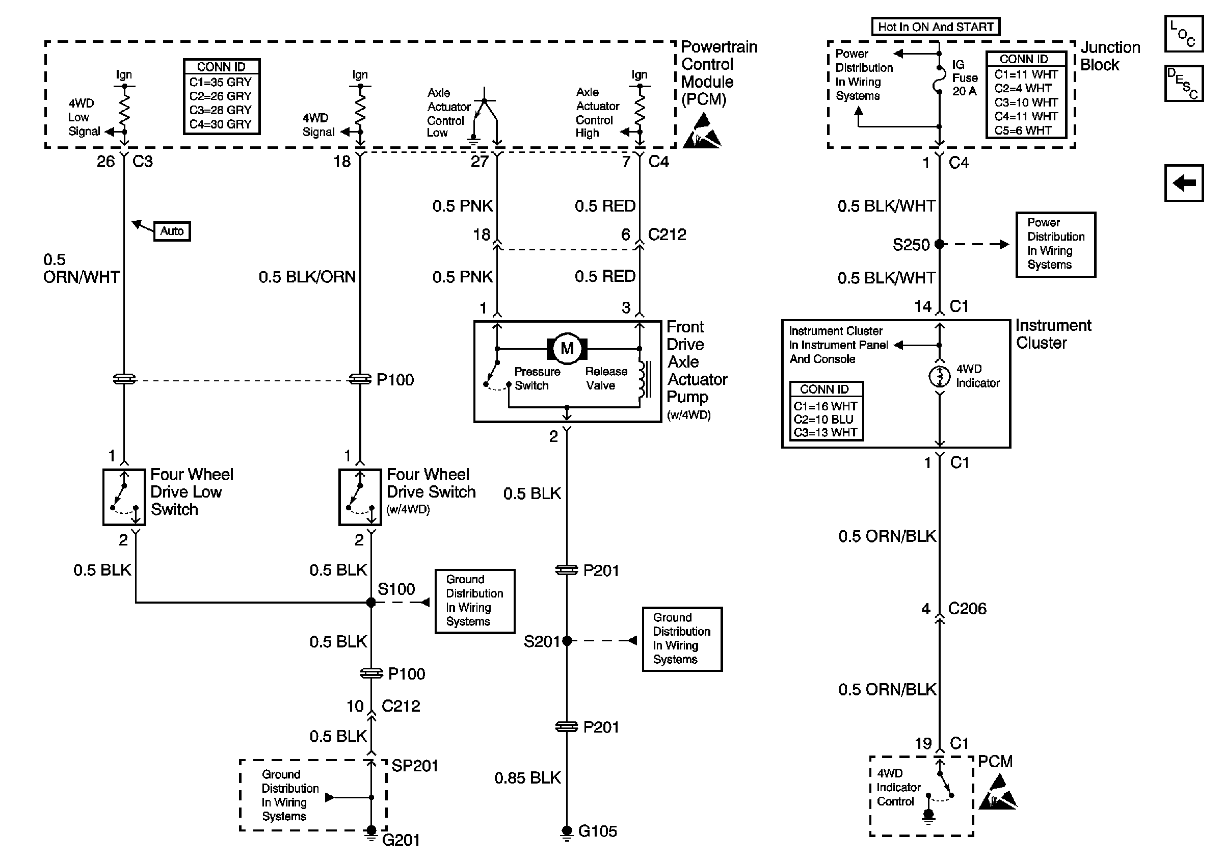
Front Drive Axle Actuator Pump and Four Wheel Drive Switches
Handling ESD Sensitive Parts Notice
HAZ, D/L, TAIL, STOP and DOME Fuses
HAZ, D/L, TAIL, STOP and DOME Fuses
G100, G101 and G102
Power and Ground
BATT, ABS, FI and ACC Fuses
Figure
2:
Front Drive Axle Actuator Pump and Four Wheel Drive Switches
Transfer Case Control Components
Transfer Case Circuit Description
Main Relay and Powertrain Control Module (PCM)
IG, TURN and WIP Fuses
Handling ESD Sensitive Parts Notice
Handling ESD Sensitive Parts Notice
G105
G201
G201
(Engine Indicators)