GM Service Manual Online
For 1990-2009 cars only

Removal Procedure

  1. Drain the engine cooling system. Refer to Cooling System Draining and Filling in Engine Cooling.
  2. Remove the instrument panel (IP) carrier. Refer to Instrument Panel Carrier Replacement in Instrument Panel, Gauges and Console.
  3. Remove the heater hoses and clamps from the heater core. Refer to Heater Hoses Replacement .
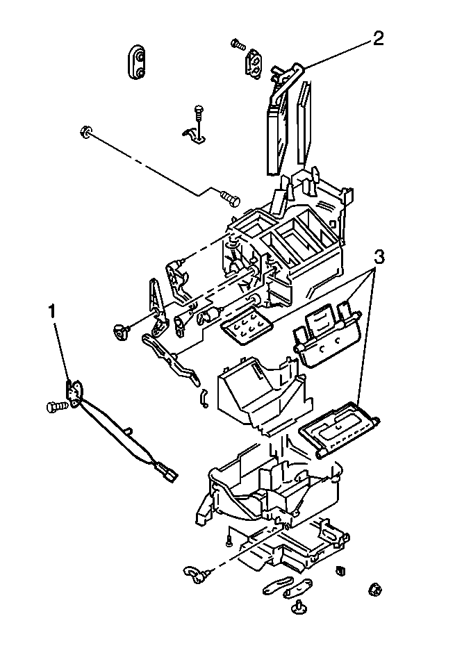
  4. Disconnect the electrical connector from the A/C compressor control module (2) , if equipped.
  5. Remove the A/C compressor control module (2) , if equipped.

  6. Object Number: 467846  Size: SH
  7. Remove the 2 nuts and 6 screws (3) from the air box.

  8. Object Number: 473005  Size: SH
  9. Remove the air box from the vehicle. If equipped with A/C, remove the evaporator. Refer to Evaporator Core Replacement in A/C Manual.

  10. Object Number: 473007  Size: SH
  11. If necessary to remove the blower case, perform the following:
  12. 8.1. Disconnect the blower motor electrical connector.
    8.2. Disconnect the blower motor resistor electrical connector.
    8.3. Remove the fresh/recirc control cable from the blower case.
    8.4. Remove the 1 screw and the blower relay bracket from the blower case.
    8.5. Remove the wiring harness retainers from the blower case.
    8.6. Remove the PCM. Refer to PCM Replacement in Engine Controls.
    8.7. Remove the 4 nuts (1).
    8.8. Remove the blower case from the vehicle.

    Object Number: 488866  Size: SH
  13. Remove the nut from the center of the bulkhead on the engine side (1).
  14. Remove the 2 nuts from the heater case (2).
  15. Separate the floor ducts from the heater case.
  16. Remove the heater case from the vehicle.

Disassembly Procedure

  1. Remove the 8 heater case retaining clips.

  2. Object Number: 473009  Size: MH
  3. Remove the screw and the blend door linkages.
  4. Separate the heater case halves.
  5. Remove and replace the following components as necessary:
  6. • The defrost switch (1)
    • The blend doors (3)
    • The heater core (2)
    • The linkages

Assembly Procedure


    Object Number: 473009  Size: MH
  1. Install the following components as necessary:
  2. • The defrost switch (1)
    • The blend doors (3)
    • The heater core (2)
    • The linkages
  3. Position the heater case halves together.
  4. Install the 8 retaining clips to the heater case.
  5. Install the blend door linkages and secure with the screw.

Installation Procedure

  1. Install the heater case to the vehicle.
  2. Connect the floor ducts to the heater case.

  3. Object Number: 488866  Size: SH
  4. Install the nut to the center of the bulkhead on the engine side (1).
  5. Notice: Use the correct fastener in the correct location. Replacement fasteners must be the correct part number for that application. Fasteners requiring replacement or fasteners requiring the use of thread locking compound or sealant are identified in the service procedure. Do not use paints, lubricants, or corrosion inhibitors on fasteners or fastener joint surfaces unless specified. These coatings affect fastener torque and joint clamping force and may damage the fastener. Use the correct tightening sequence and specifications when installing fasteners in order to avoid damage to parts and systems.

  6. Install the 2 nuts to the heater case (2).
  7. Tighten
    Tighten the heater case nuts to 10 N·m (89 lb in).


    Object Number: 473007  Size: SH
  8. If the blower case was removed, perform the following:
  9. 5.1. Install the blower case to the vehicle. Secure with the 4 nuts (1).

    Tighten
    Tighten the nuts to 10 N·m (89 lb in).

    5.2. Connect the blower motor electrical connector.
    5.3. Connect the blower motor resistor electrical connector.
    5.4. Install the fresh/recirc control cable to the blower case. Adjust the cable as necessary, refer to Vent Control Cable Adjustment .
    5.5. Install the blower relay bracket to the blower case. Secure with the screw.
    5.6. Install the wiring harness retainers to the blower case.
    5.7. Install the PCM. Refer to PCM Replacement in Engine Controls.

    Object Number: 473005  Size: SH
  10. Install the air box or the A/C evaporator, if equipped. Refer to Evaporator Core Replacement in A/C Manual. Secure with the 2 nuts and 6 screws.
  11. Tighten
    Tighten the nuts and screws to 10 N·m (89 lb in).

  12. Install the A/C compressor control module, if equipped.
  13. Connect the electrical connector to the A/C compressor control module, if equipped.
  14. Install the heater hoses and clamps to the heater core. Refer to Heater Hoses Replacement .
  15. Install the instrument panel. Refer to Instrument Panel Carrier Replacement in Instrument Panel, Gauges and Console.
  16. Fill the engine cooling system. Refer to Cooling System Draining and Filling in Engine Cooling.