GM Service Manual Online
For 1990-2009 cars only
Makes
🢒
Chevrolet
🢒
2000
🢒
Tracker - 4WD
🢒
HVAC
🢒
HVAC Systems - Manual
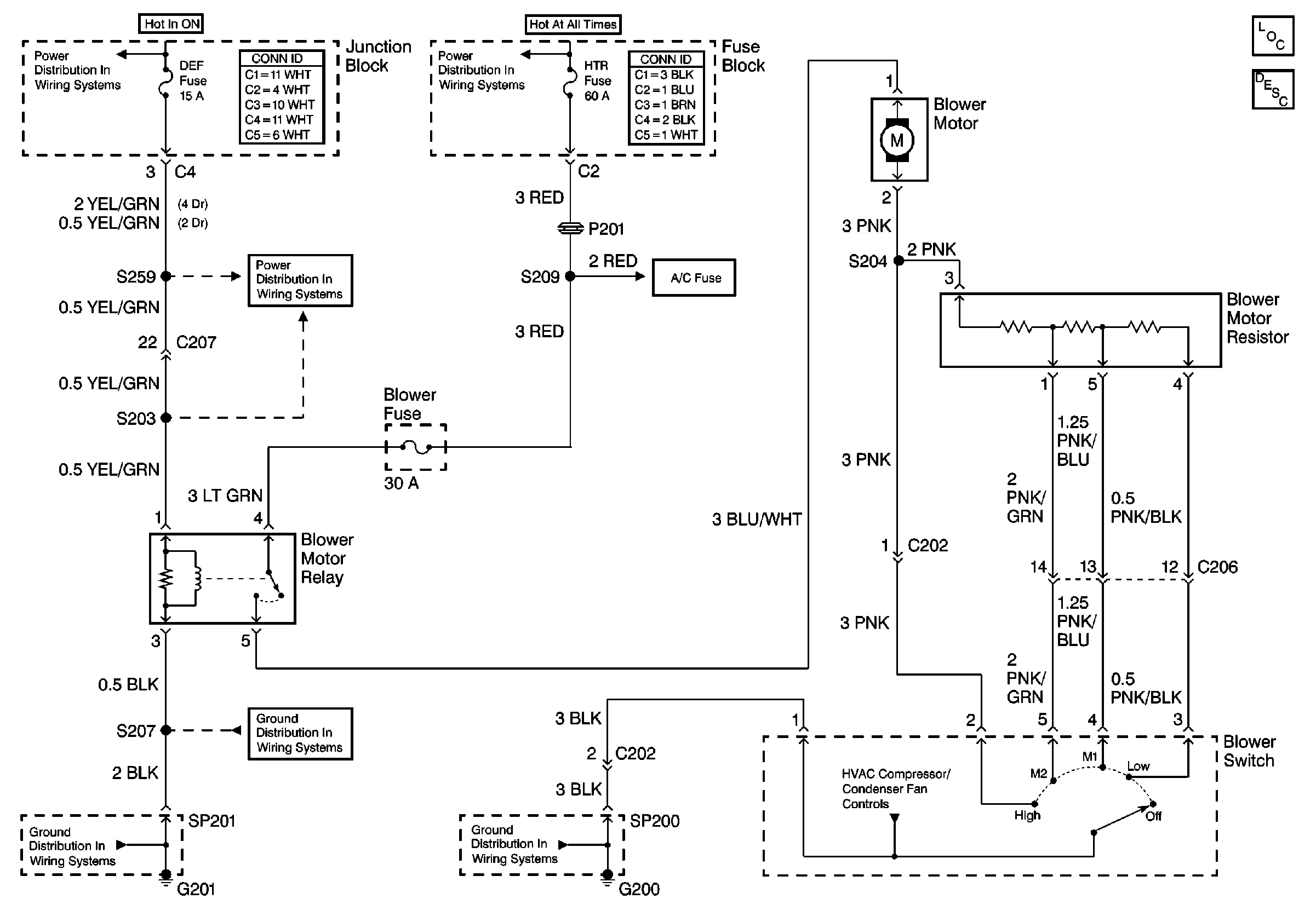
🢒 HVAC Blower Control Schematics
HVAC Components
HVAC Blower Controls Circuit Description
CIG, DEF and P/W Fuses
CIG, DEF and P/W Fuses
H/L, HTR, IG and LAMP Fuses
Compressor Clutch and Condenser Fan
Ground, A/C and Pressure Switches
G200-G201
G200-G201
G200 (1 of 2)