GM Service Manual Online
For 1990-2009 cars only
Makes
🢒
Chevrolet
🢒
2000
🢒
Tracker - 4WD
🢒
HVAC
🢒
HVAC Systems - Manual
🢒 HVAC Compressor/Condenser Fan Control Schematics
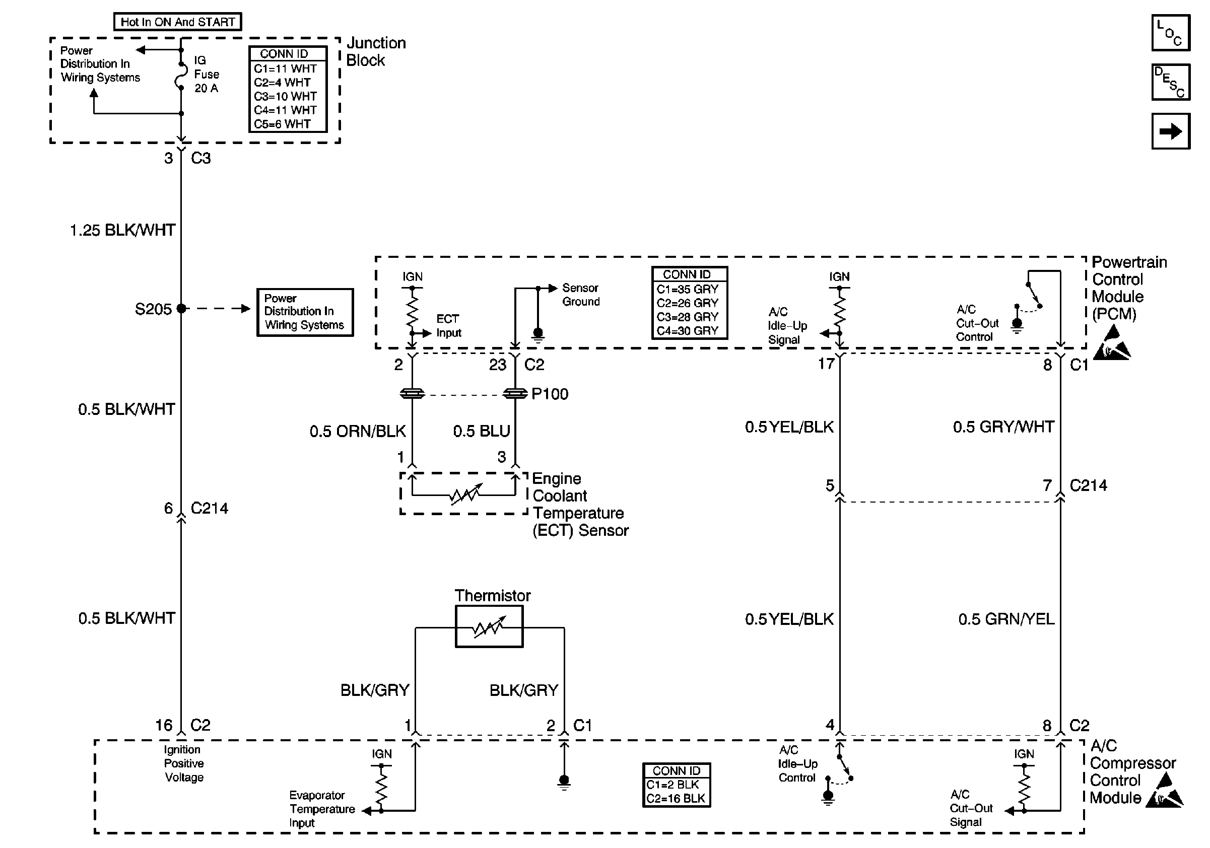
Figure
1:
Power, Thermister, ECT Sensor and PCM
HVAC Components
HVAC Blower Controls Circuit Description
Ground, A/C and Pressure Switches
IG Fuse
IG Fuse
Handling ESD Sensitive Parts Notice
Handling ESD Sensitive Parts Notice
Figure
2:
Ground, A/C and Pressure Switches
HVAC Components
HVAC Blower Controls Circuit Description
Compressor Clutch and Condenser Fan
Power, Thermister, ECT Sensor and PCM
IG Fuse
IG, TURN and WIP Fuses
Handling ESD Sensitive Parts Notice
Handling ESD Sensitive Parts Notice
G200 (1 of 2)
G105
G103
Figure
3:
Compressor Clutch and Condenser Fan
HVAC Components
HVAC Blower Controls Circuit Description
Ground, A/C and Pressure Switches
H/L, HTR, IG and LAMP Fuses
HVAC Blower Controls Schematics
CIG, DEF and P/W Fuses
CIG, DEF and P/W Fuses
Handling ESD Sensitive Parts Notice
Handling ESD Sensitive Parts Notice
G105