GM Service Manual Online
For 1990-2009 cars only
Figure 1:

Front Park Lamps


Object Number: 497712  Size: FS
Lighting Systems Components
Exterior Lights Circuit Description
Rear Parklamps
CIG, DEF and P/W Fuses
CIG, DEF and P/W Fuses
G200-G201
G200 (2 of 2)
G104
G105
G200 (1 of 2)
Figure 2:

Rear Parklamps


Object Number: 497713  Size: FS
Lighting Systems Components
Exterior Lights Circuit Description
Hazard Switch and Turn Indicators
Front Park Lamps
G400 and G401
G400 and G401
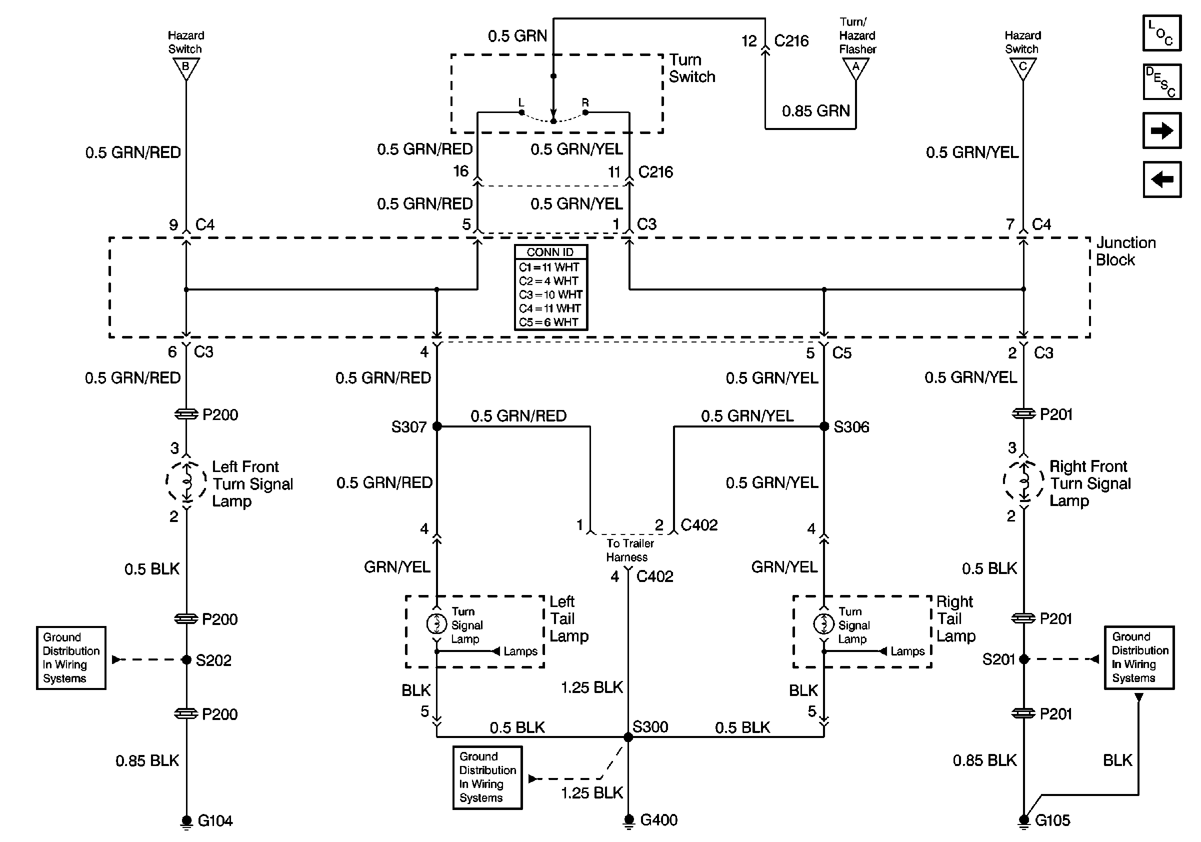
Figure 3:

Hazard Switch and Turn Indicators


Object Number: 497714  Size: FS
Lighting Systems Components
Exterior Lights Circuit Description
Turn Switch and Lamps
Rear Parklamps
G200-G201
G201
G200 (2 of 2)
G200 (1 of 2)
IG, TURN and WIP Fuses
IG, TURN and WIP Fuses
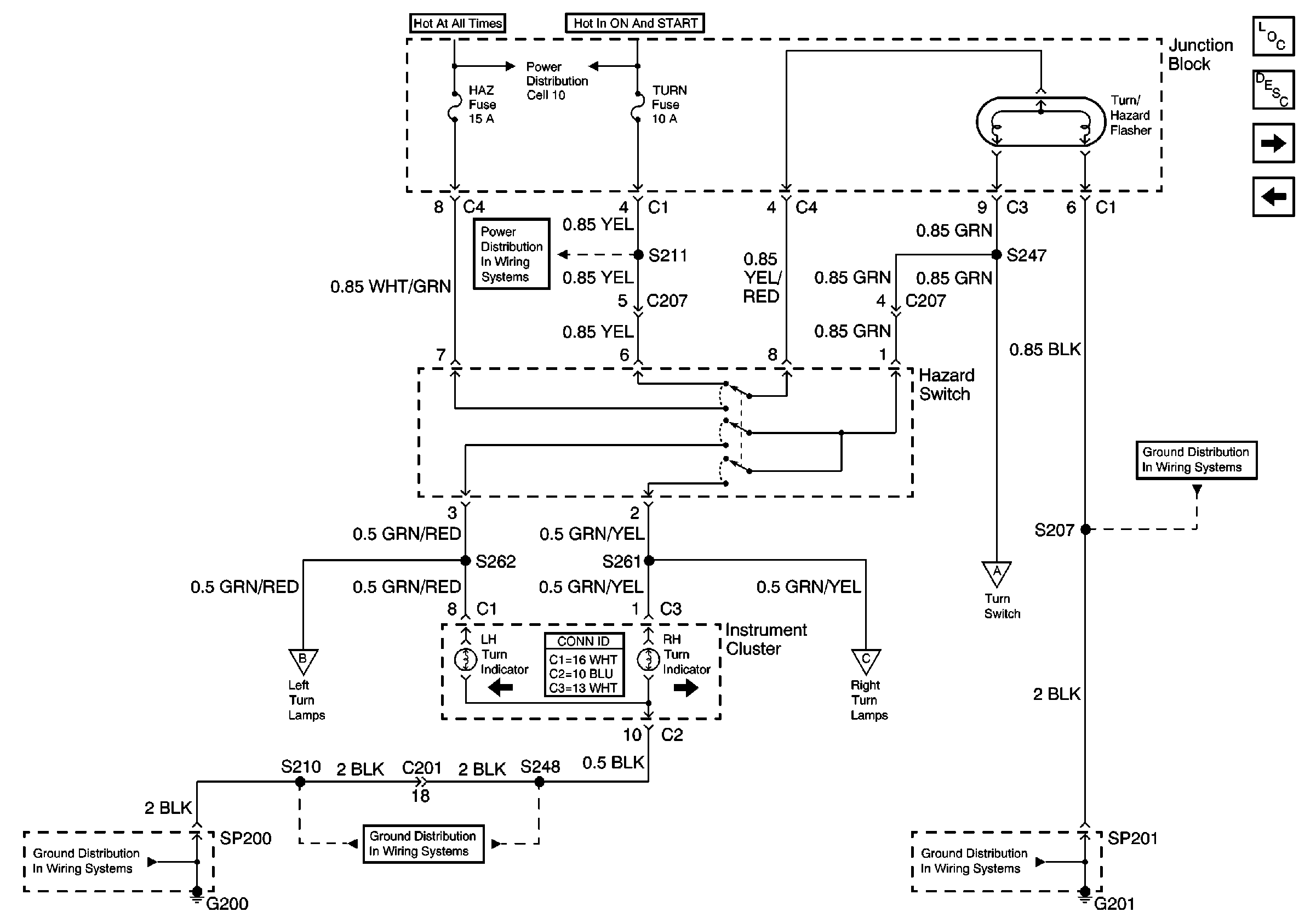
Figure 4:

Turn Switch and Lamps


Object Number: 497715  Size: FS
Lighting Systems Components
Exterior Lights Circuit Description
Stoplamps
Hazard Switch and Turn Indicators
G400 and G401
G105
Figure 5:

Stoplamps


Object Number: 497716  Size: FS
Lighting Systems Components
Exterior Lights Circuit Description
Handling ESD Sensitive Parts Notice
Turn Switch and Lamps
Handling ESD Sensitive Parts Notice
G400 and G401
HAZ, D/L, TAIL, STOP and DOME Fuses
HAZ, D/L, TAIL, STOP and DOME Fuses
G400 and G401