GM Service Manual Online
For 1990-2009 cars only

Generator

Generator Disassembly


Object Number: 465464  Size: MF
(1)Pulley
(2)Front Housing
(3)Bearing
(4)Retainer
(5)Rotor
(6)Stator
(7)IC Regulator
(8)Rectifier
(9)Rear Housing
(10)Brush

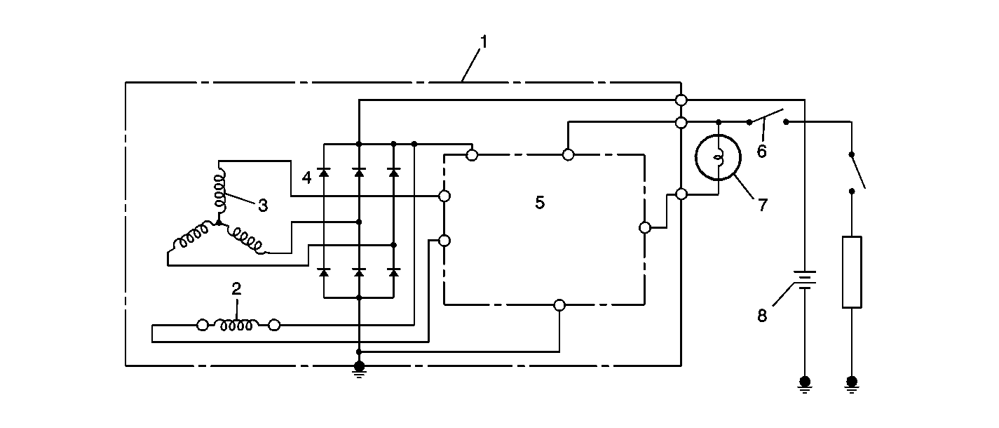
70 Amp Generator Schematic


Object Number: 465468  Size: SF
(1)Generator with Regulator Assembly
(2)Field Coil (Rotor Coil)
(3)Stator Coil
(4)Diode
(5)IC Regulator
(6)Ignition Switch
(7)Charge Indicator Light
(8)Battery

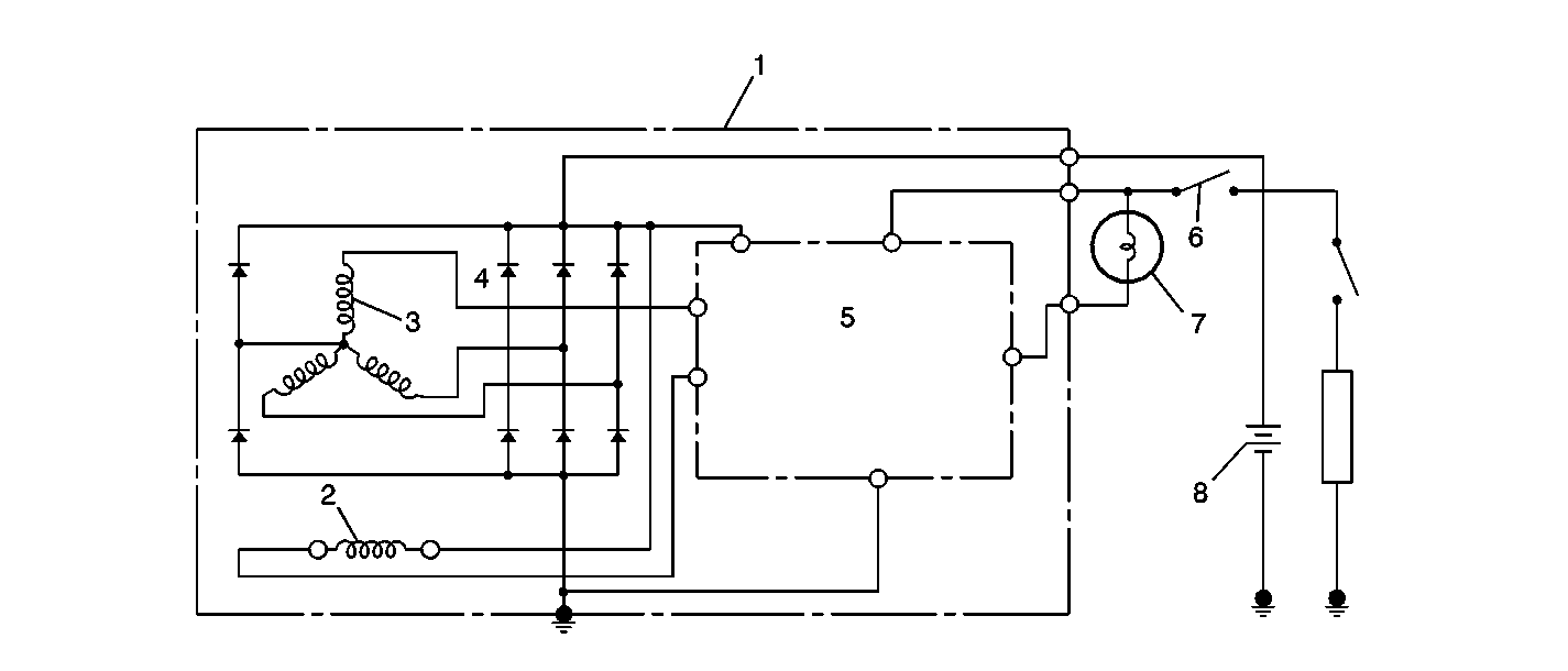
60 Amp Generator Schematic


Object Number: 465477  Size: SF
(1)Generator with Regulator Assembly
(2)Field Coil (Rotor Coil)
(3)Stator Coil
(4)Diode
(5)IC Regulator
(6)Ignition Switch
(7)Charge Indicator Light
(8)Battery

Generator


Object Number: 465472  Size: SF
(1)Stator Core
(2)Stator Coil
(3)Rotor Fan
(4)Brushes
(5)Regulator
(6)Rectifier
(7)Rear Housing
(8)Field Coil
(9)Front Housing
(10)Pulley
(11)Pulley Nut
(12)Generator Output Terminal
(13)Ignition terminal
(14)Lamp Terminal
(15)Ground

The generator is electrically similar to earlier models and consists of the following major components:

    • The Y-Type stator
    • The rectifier bridge
    • The rotor with two slip rings and two brushes
    • A conventional pulley
    • The internal fan
    • The regulator

The pulley and the fan cool the slip ring and the frame.

Three generators are used, rated at 60, 70 and 85 amperes.

The generator features permanently lubricated bearings. Service of the generator includes overhaul, replacement and tightening of mount components.

Regulator

The voltage regulator controls the rotor field current in order to limit the system voltage. When the field current is on, the regulator switches the current on and off at a rate of 400 cycles per second in order to perform the following functions:

    • Radio noise control
    • Obtain the correct average current needed for proper system voltage control

At high speeds, the on-time may be 10 percent with the off-time at 90 percent. At low speeds, the on-time may be 90 percent and the off-time 10 percent.

Two neutral diodes are used to convert the voltage fluctuation at the neutral point to DC current in order to increase generator output on the 70 and 85 ampere models.

Circuit Description

The generator provides voltage to operate the vehicle's electrical system and to charge its battery. A magnetic field is created when current flows through the rotor. This field rotates as the rotor is driven by the engine, creating an AC voltage in the stator windings. The AC voltage is converted to DC by the rectifier bridge and is supplied to the electrical system at the battery terminal.

When the engine is running, and the generator is rotating, a voltage is generated in the stator. The generator's voltage regulator senses this voltage and controls current to the rotor, thereby controlling the output voltage. The rotor current is proportional to the electrical pulse width supplied by the regulator. When the engine is started, the regulator senses generator rotation by detecting AC voltage at the stator through an internal wire. Once the engine is running, the regulator varies the field current by controlling the pulse width. This regulates the generator output voltage for proper battery charging and electrical system operation. The generator F terminal is connected internally to the voltage regulator. When the voltage regulator detects a charging system problem, it grounds this circuit which illuminates the charge indicator lamp. The system voltage sense circuit receives ignition voltage through the IG fuse in the junction block. This voltage is used by the regulator as the reference for system voltage control.

When the ignition switch is turned to ON, the charge indicator turns on for a few seconds (bulb check), then turns off. When the generator is not rotating, the regulator provides a ground which causes the charge indicator to illuminate. When the generator is rotating, the regulator provides a separate output voltage to the charge indicator. Since equal voltage is now provided to both sides of the charge indicator, the lamp loses its ground and goes out.