GM Service Manual Online
For 1990-2009 cars only
Figure 1:

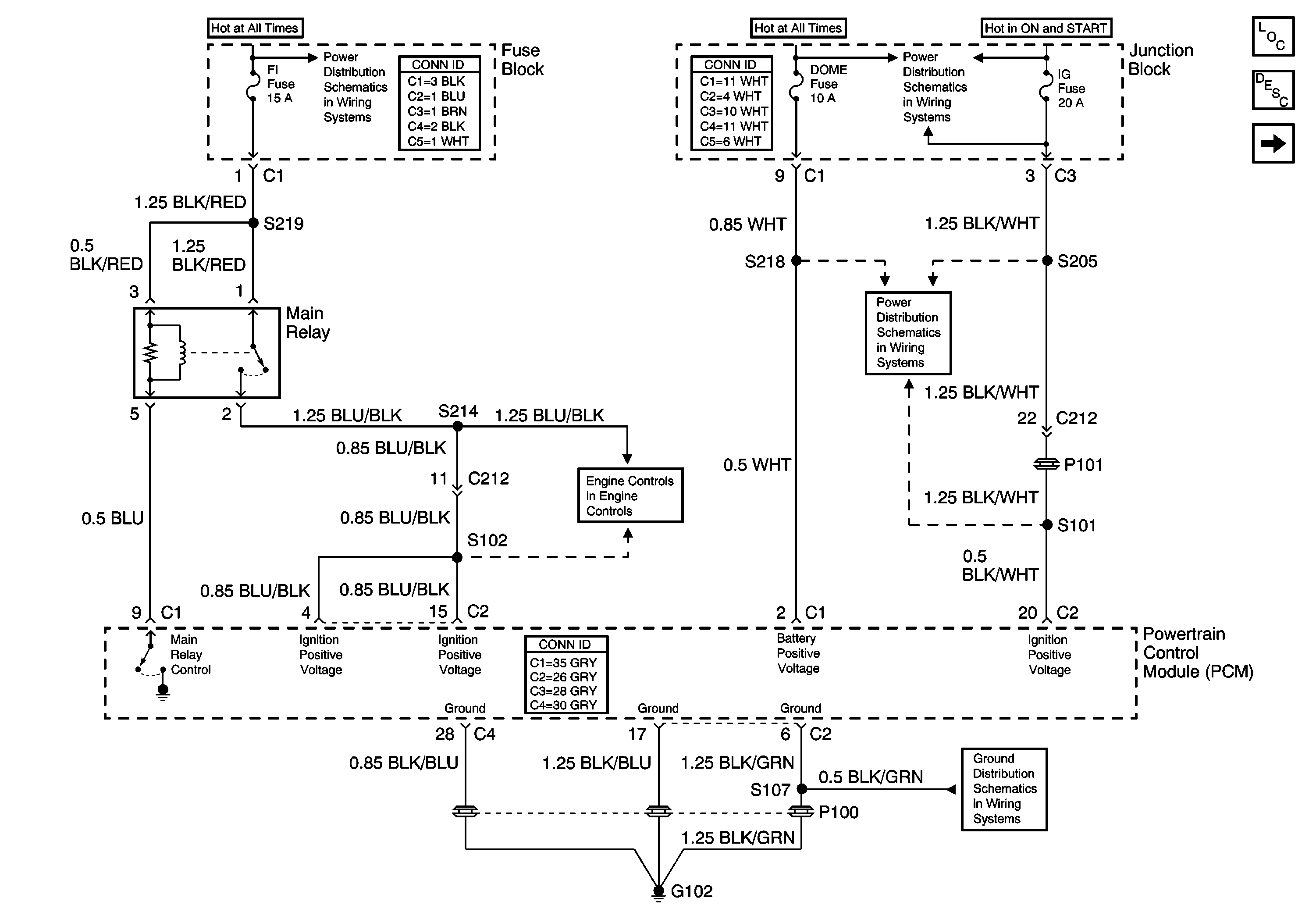
Main Relay, Powertrain Control Module (PCM) Power and Ground


Object Number: 673880  Size: FS
Master Electrical Component List
Data Link Connector (DLC) and Malfunction Indicator Lamp (MIL)
G100, G101 and G102
IG Fuse
HAZ, D/L, TAIL, Stop and Dome Fuses
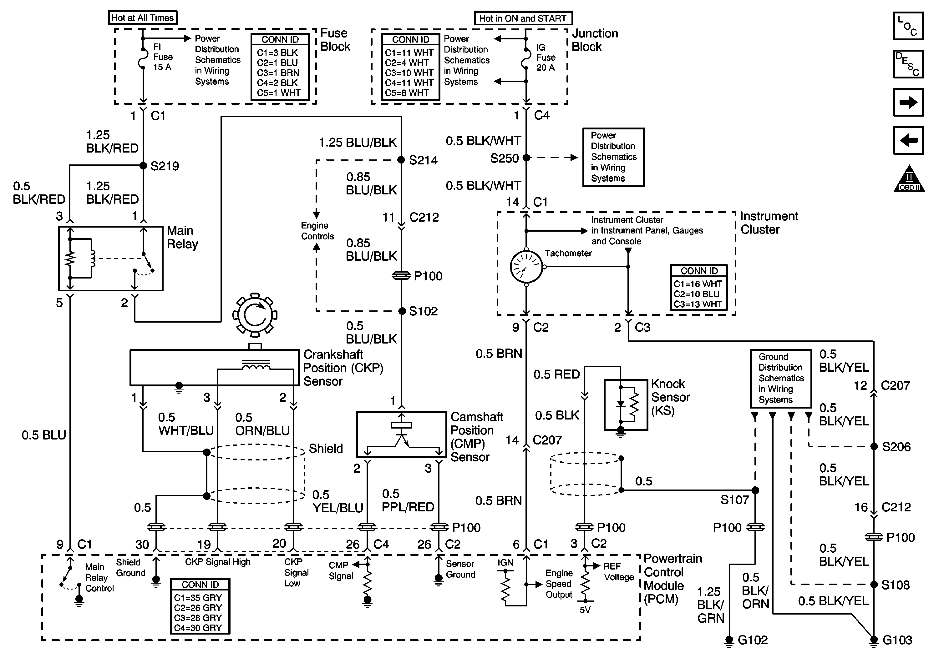
CRANKSHAFT POSITION SENSOR, CAMSHAFT POSITION SENSOR (CMP)
BATT, ABS, FI and ACC Fuses
Figure 2:

Data Link Connector (DLC) and Malfunction Indicator Lamp (MIL)


Object Number: 673896  Size: FS
Master Electrical Component List
Exhaust Gas Recirculation (EGR) Valve and EVAP Solenoids
Main Relay, Powertrain Control Module (PCM) Power and Ground
OBD II Symbol Description Notice
IG, Turn and WIP Fuses
Instrument Cluster Indicators
HAZ, D/L, TAIL, Stop and Dome Fuses
HAZ, D/L, TAIL, Stop and Dome Fuses
NO TITLE SIR
G200 (1 of 2)
G200 (2 of 2)
Figure 3:

Exhaust Gas Recirculation (EGR) Valve and EVAP Solenoids


Object Number: 673919  Size: FS
Master Electrical Component List
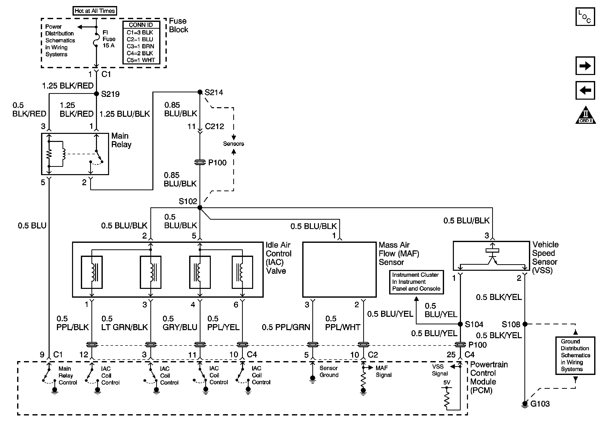
Idle Air Control (IAC) Valve, Mass Air Flow (MAF) Sensor, Vehicle SPeED Sensor (VSS)
Data Link Connector (DLC) and Malfunction Indicator Lamp (MIL)
OBD II Symbol Description Notice
BATT, ABS, FI and ACC Fuses
Figure 4:

Idle Air Control (IAC) Valve, Mass Air Flow (MAF) Sensor, Vehicle Speed Sensor (VSS)


Object Number: 673905  Size: FS
Master Electrical Component List
Ignition Coils
Exhaust Gas Recirculation (EGR) Valve and EVAP Solenoids
OBD II Symbol Description Notice
G103
Cruise Control Servo, VSS
BATT, ABS, FI and ACC Fuses
Figure 5:

Ignition Coils


Object Number: 673929  Size: FS
Master Electrical Component List
Fuel Injectors
Idle Air Control (IAC) Valve, Mass Air Flow (MAF) Sensor, Vehicle SPeED Sensor (VSS)
OBD II Symbol Description Notice
H/L, HTR, IG, and Lamp Fuses
NO TITLE ENTERTAINMENT
G103
Figure 6:

Fuel Injectors


Object Number: 689909  Size: FS
Master Electrical Component List
Engine Data Sensors
Ignition Coils
OBD II Symbol Description Notice
BATT, ABS, FI and ACC Fuses
Figure 7:

Engine Data Sensors


Object Number: 673937  Size: FS
Master Electrical Component List
Fuel Pump Relay, Fuel Sender Assembly
Fuel Injectors
OBD II Symbol Description Notice
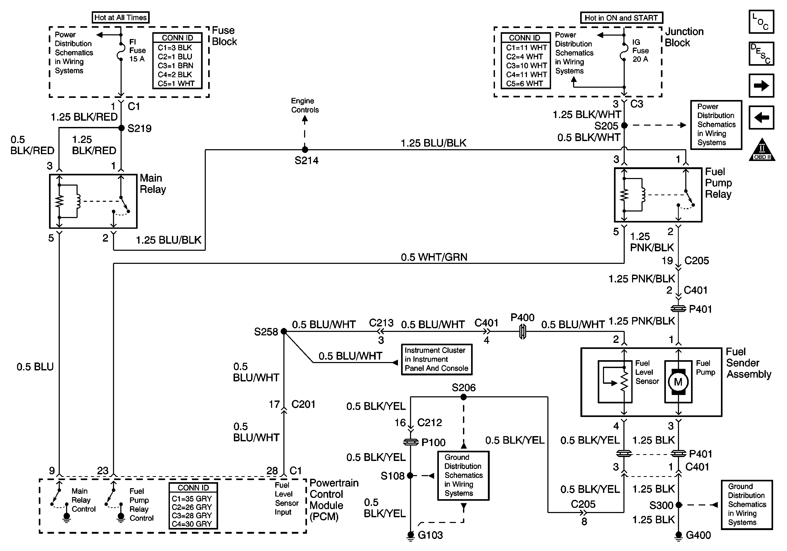
Figure 8:

Fuel Pump Relay, Fuel Sender Assembly


Object Number: 673960  Size: FS
Master Electrical Component List
Crankshaft Position (CKP) Sensor, Camshaft Position (CMP) Sensor, Knock Sensor (KS)
Engine Data Sensors
OBD II Symbol Description Notice
G400 and G401
IG Fuse
H/L, HTR, IG, and Lamp Fuses
Oil Pressure Switch, (ECT) Sensor
G103
BATT, ABS, FI and ACC Fuses
Figure 9:

Crankshaft Position (CKP) Sensor, Camshaft Position (CMP) Sensor, Knock Sensor (KS)


Object Number: 673949  Size: FS
Master Electrical Component List
Heated Oxygen Sensors
Fuel Pump Relay, Fuel Sender Assembly
OBD II Symbol Description Notice
G103
IG, Turn and WIP Fuses
Oil Pressure Switch, (ECT) Sensor
H/L, HTR, IG, and Lamp Fuses
BATT, ABS, FI and ACC Fuses
Figure 10:

Heated Oxygen Sensors


Object Number: 673968  Size: FS
Master Electrical Component List
CPP Switch, (TR) Switch
Crankshaft Position (CKP) Sensor, Camshaft Position (CMP) Sensor, Knock Sensor (KS)
OBD II Symbol Description Notice
G100, G101 and G102
IG Fuse
H/L, HTR, IG, and Lamp Fuses
Figure 11:

CPP Switch, (TR) Switch


Object Number: 673976  Size: FS
Master Electrical Component List
Four Wheel Drive Switches, Front Drive Axle Actuator Pump
Heated Oxygen Sensors
OBD II Symbol Description Notice
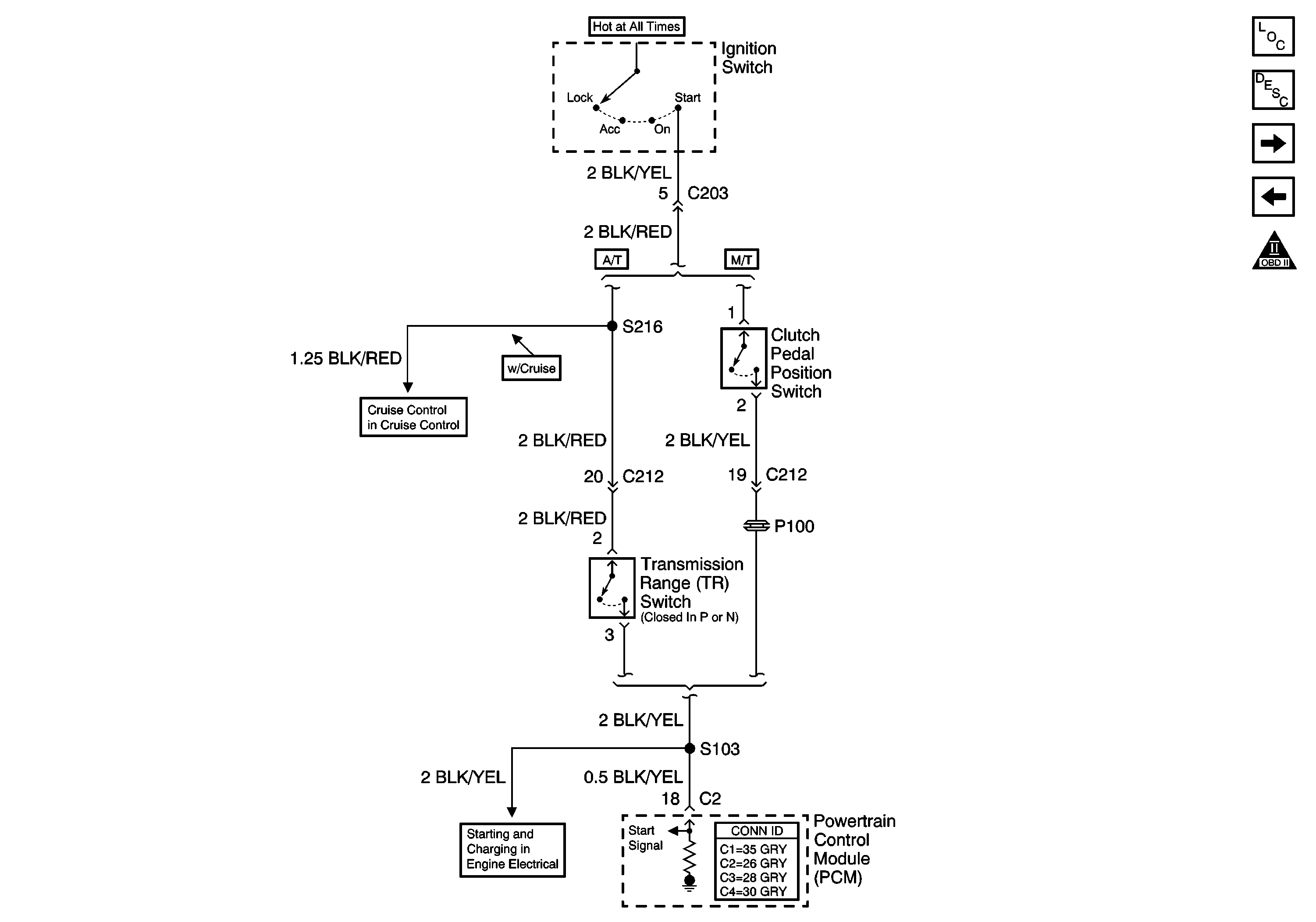
Starting System
Cruise Control Release Switch and Transmission Range Switch
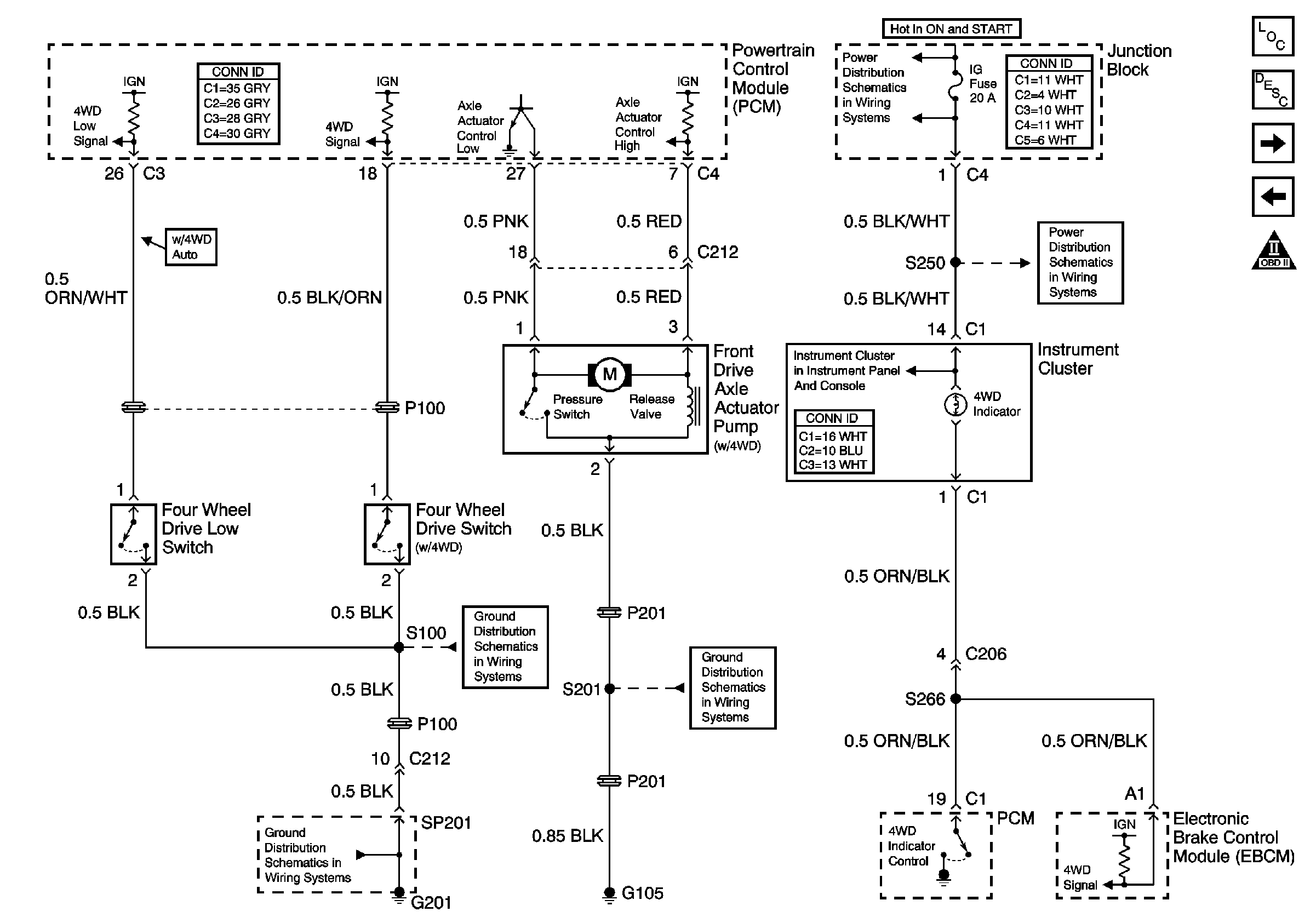
Figure 12:

Four Wheel Drive Switches, Front Drive Axle Actuator Pump


Object Number: 674449  Size: FS
Master Electrical Component List
Stoplamp Switch, Transmission Range Switch
CPP Switch, (TR) Switch
OBD II Symbol Description Notice
IG, Turn and WIP Fuses
H/L, HTR, IG, and Lamp Fuses
Instrument Cluster Indicators
G105
G201
G201
Figure 13:

Stoplamp Switch, Transmission Range Switch


Object Number: 674462  Size: FS
Master Electrical Component List
Output Shaft Speed Sensor, Input Shaft Speed Sensor
Four Wheel Drive Switches, Front Drive Axle Actuator Pump
OBD II Symbol Description Notice
IG, Turn and WIP Fuses
Transmission Range Switch, Backup Lamp Switch
Center High Mount Stoplamp (CHMSL)
Transmission Range Switch
G104, Stop Fuse, Stop Lamp Switch, and F1 Fuse
Brake Fluid Level Indicator, Brake Indicator and Stoplamp Switch
HAZ, D/L, TAIL, Stop and Dome Fuses
HAZ, D/L, TAIL, Stop and Dome Fuses
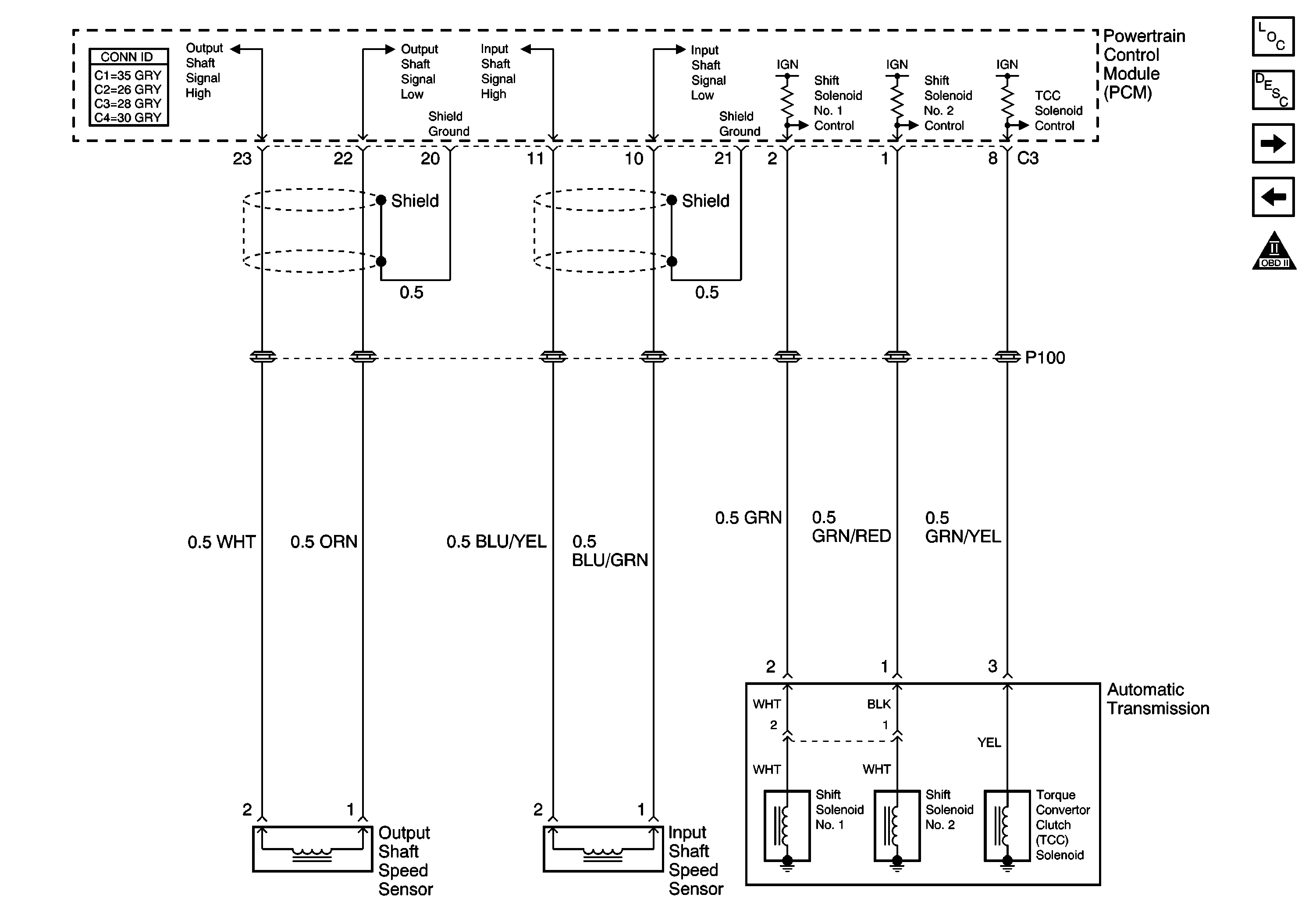
Figure 14:

Output Shaft Speed Sensor, Input Shaft Speed Sensor


Object Number: 674468  Size: FS
Master Electrical Component List
Shift Program Switch, Overdrive Switch
Stoplamp Switch, Transmission Range Switch
OBD II Symbol Description Notice
Figure 15:

Shift Program Switch, Overdrive Switch


Object Number: 674478  Size: FS
Master Electrical Component List
Powertrain Control Module (PCM) Idle-Up Inputs
Output Shaft Speed Sensor, Input Shaft Speed Sensor
OBD II Symbol Description Notice
Instrument Cluster Indicators
IG, Turn and WIP Fuses
H/L, HTR, IG, and Lamp Fuses
G201
G201
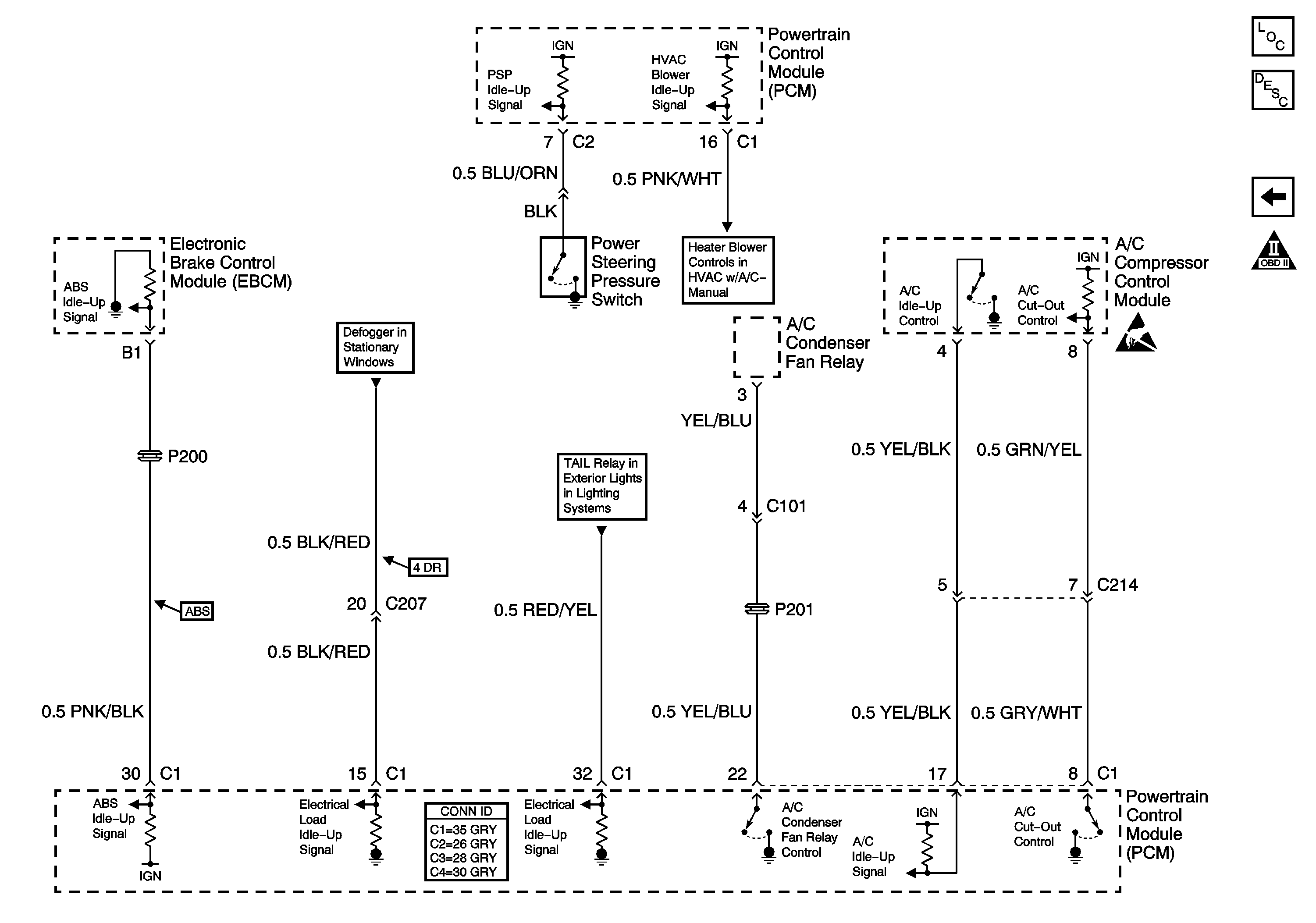
Figure 16:

Powertrain Control Module (PCM) Idle-Up Inputs


Object Number: 674556  Size: FS
Master Electrical Component List
Shift Program Switch, Overdrive Switch
OBD II Symbol Description Notice
Blower Control w/ A/C
Side Marker Lamps, Light Switch
NO TITLE DEFOGGER