GM Service Manual Online
For 1990-2009 cars only
Makes
🢒
Chevrolet
🢒
2001
🢒
Tracker - 4WD
🢒
Engine
🢒
Engine Controls - 1.6L
🢒 Exterior Lights Schematics
Figure
1:
Side Marker Lamps, Light Switch
Master Electrical Component List
Exterior Lighting Systems Description and Operation
Tail Lamps
G200 (1 of 2)
G200 (1 of 2)
G200 (1 of 2)
CIG, DEF and P/W Fuses
CIG, DEF and P/W Fuses
G105
G104
Tail Lamps
Figure
2:
Tail Lamps
Master Electrical Component List
Exterior Lighting Systems Description and Operation
Hazard Switch, Turn/Hazard Flasher
Side Marker Lamps, Light Switch
Side Marker Lamps, Light Switch
G400 and G401
G400 and G401
Figure
3:
Hazard Switch, Turn/Hazard Flasher
Master Electrical Component List
Exterior Lighting Systems Description and Operation
Turn Signal Lamps
Tail Lamps
G200 and G201
Turn Signal Lamps
Turn Signal Lamps
G200 (1 of 2)
G200 (1 of 2)
IG, Turn and WIP Fuses
HAZ, D/L, TAIL, Stop and Dome Fuses
G201
Figure
4:
Turn Signal Lamps
Master Electrical Component List
Exterior Lighting Systems Description and Operation
Center High Mount Stoplamp (CHMSL)
Hazard Switch, Turn/Hazard Flasher
G105
Hazard Switch, Turn/Hazard Flasher
Hazard Switch, Turn/Hazard Flasher
G400 and G401
G104
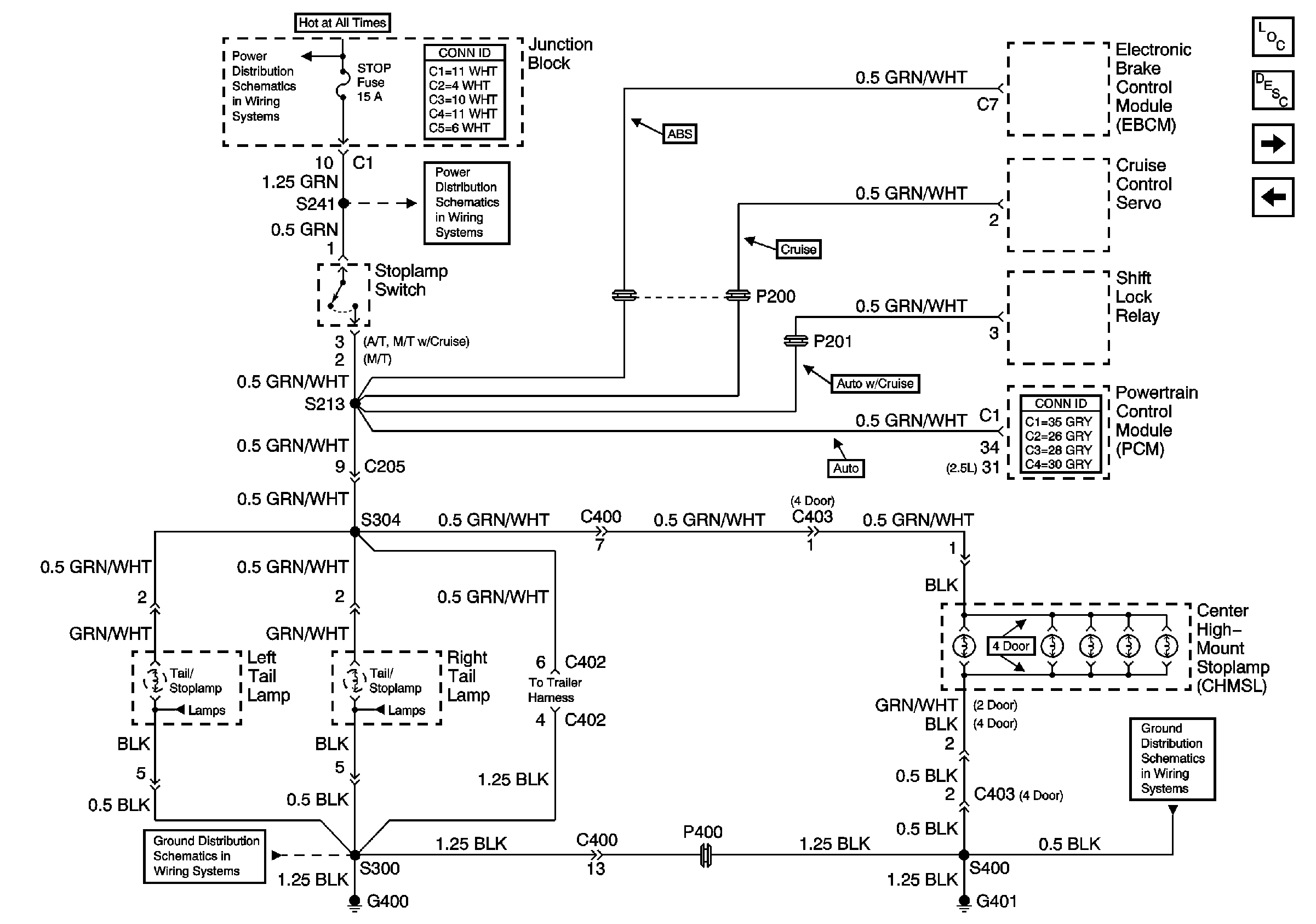
Figure
5:
Center High Mount Stoplamp (CHMSL)
Master Electrical Component List
Exterior Lighting Systems Description and Operation
Turn Signal Lamps
G400 and G401
G400 and G401
HAZ, D/L, TAIL, Stop and Dome Fuses
HAZ, D/L, TAIL, Stop and Dome Fuses