GM Service Manual Online
For 1990-2009 cars only
Makes
🢒
Chevrolet
🢒
2001
🢒
Tracker - 4WD
🢒
Transmission/Transaxle
🢒
Shift Lock Control
🢒 Shift Lock Control Schematics
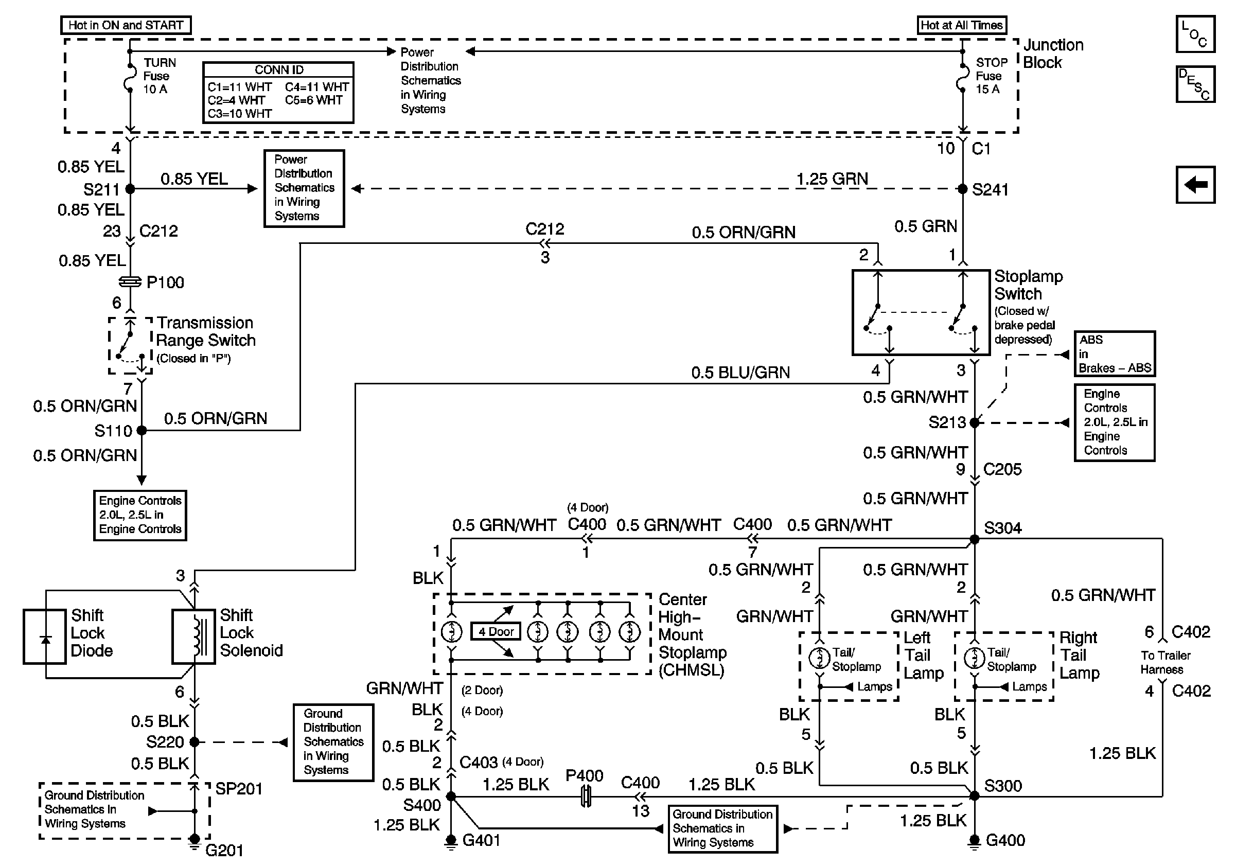
Figure
1:
Shiftlock Control With Cruise Control
Master Electrical Component List
Automatic Transmission Shift Lock Control Description and Operation
Shiftlock Control Without Cruise Control
Center High Mount Stoplamp (CHMSL)
G105
HAZ, D/L, TAIL, Stop and Dome Fuses
IG, Turn and WIP Fuses
Stoplamp Switch, Transmission Range Switch
G201
G201
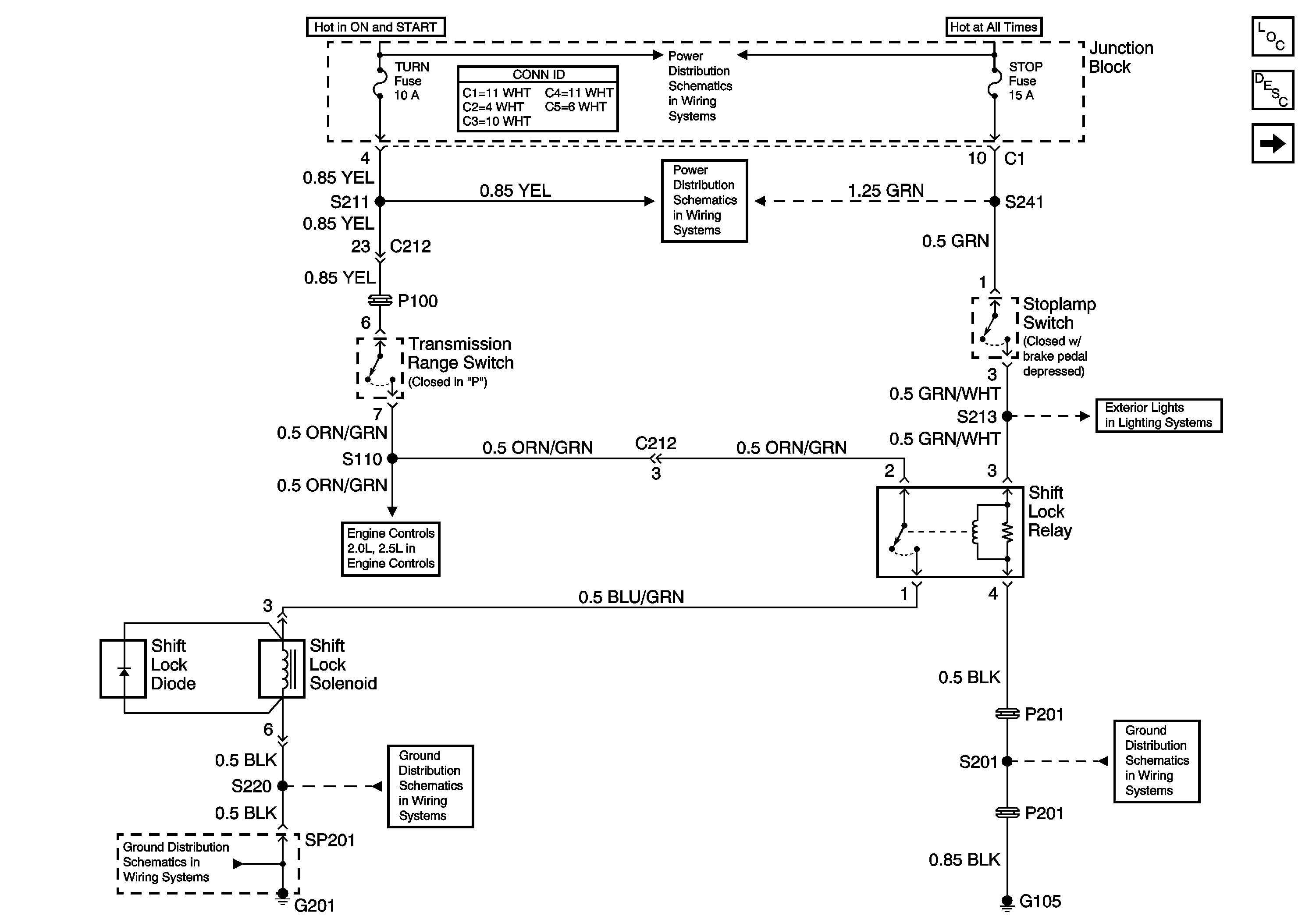
Figure
2:
Shiftlock Control Without Cruise Control
Master Electrical Component List
Automatic Transmission Shift Lock Control Description and Operation
Shiftlock Control With Cruise Control
HAZ, D/L, TAIL, Stop and Dome Fuses
IG, Turn and WIP Fuses
Stoplamp Switch, Transmission Range Switch
Stoplamp Switch, Transmission Range Switch
Brake Fluid Level Indicator, Brake Indicator and Stoplamp Switch
Stoplamp Switch, Transmission Range Switch
Stoplamp Switch, Transmission Range Switch
G201
G201
G400 and G401