GM Service Manual Online
For 1990-2009 cars only
Makes
🢒
Chevrolet
🢒
2001
🢒
Tracker - 4WD
🢒
Body and Accessories
🢒
Instrument Panel, Gauges, and Console
🢒 Audible Warnings Schematics
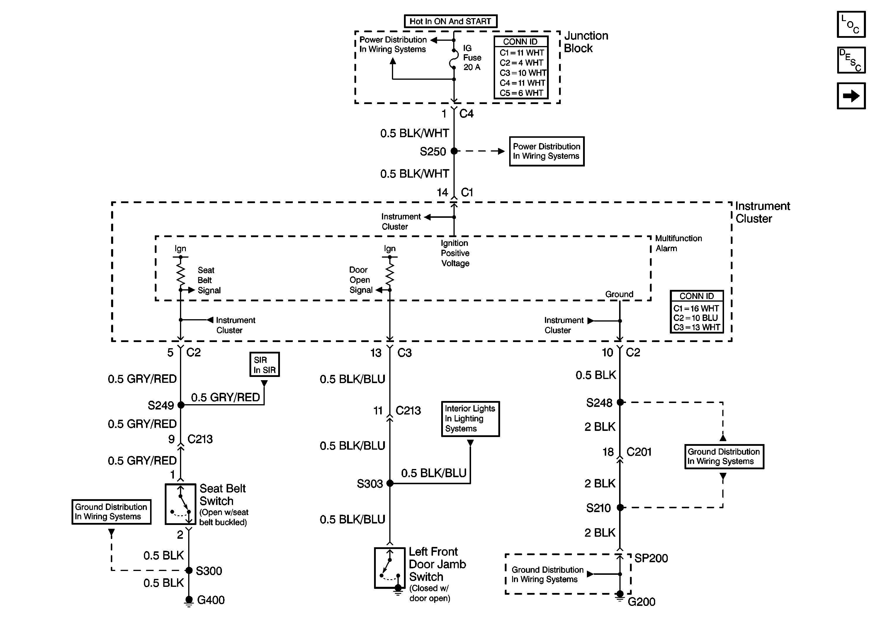
Figure
1:
Seat Belt Switch, Door Jamb Switch
Master Electrical Component List
Instrument Panel Description
Turn Signal/Headlamp Switch
G200 (1 of 2)
G200 (1 of 2)
Map Lamps Dome Lamps
H/L, HTR, IG, and Lamp Fuses
H/L, HTR, IG, and Lamp Fuses
NO TITLE SIR
G400 and G401
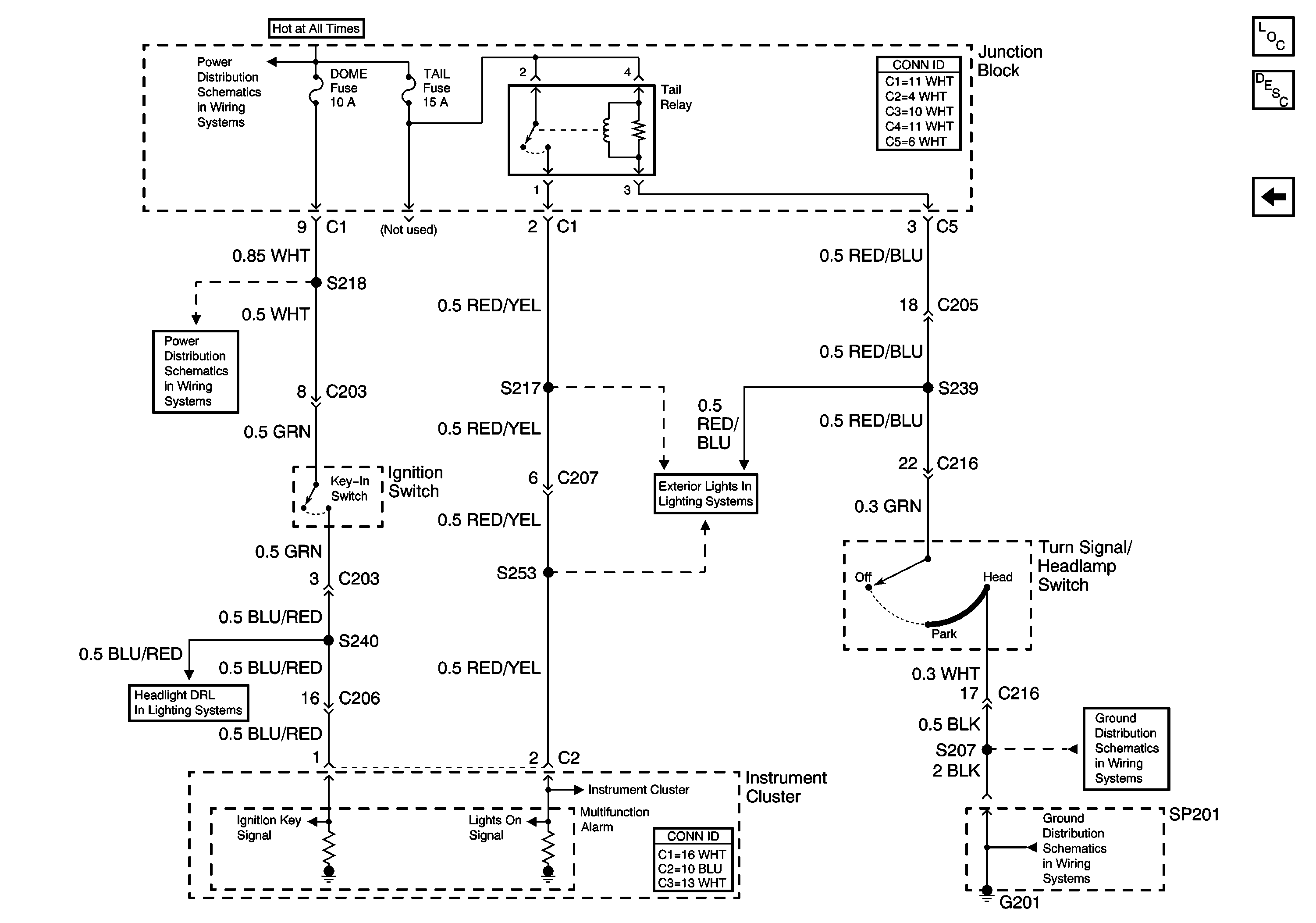
Figure
2:
Turn Signal/Headlamp Switch
Master Electrical Component List
Instrument Panel Description
Seat Belt Switch, Door Jamb Switch
G201
G201
Side Marker Lamps, Light Switch
Park Brake Switch (DRL)
HAZ, D/L, TAIL, Stop and Dome Fuses
HAZ, D/L, TAIL, Stop and Dome Fuses