GM Service Manual Online
For 1990-2009 cars only
Makes
🢒
Chevrolet
🢒
2001
🢒
Tracker - 4WD
🢒
Body and Accessories
🢒
Doors
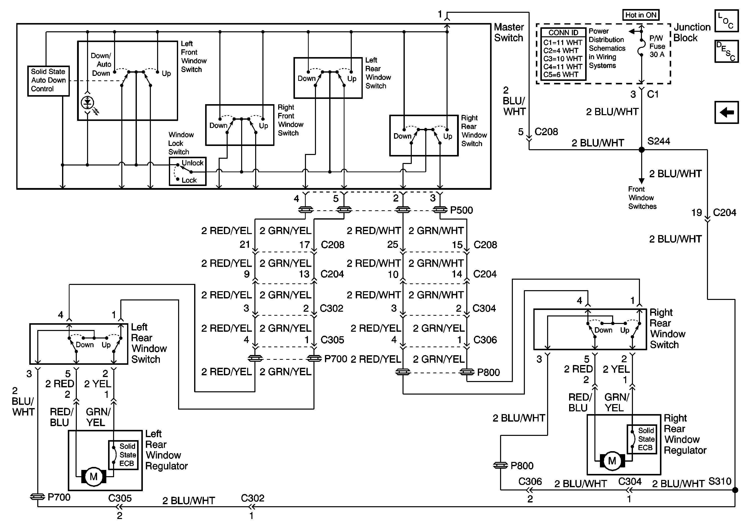
🢒 Power Window Schematics
Figure
1:
Front Windows
Master Electrical Component List
Power Windows Description and Operation
Rear Windows
CIG, DEF and P/W Fuses
G200 (1 of 2)
G200 (1 of 2)
Figure
2:
Rear Windows
Master Electrical Component List
Power Windows Description and Operation
Front Windows
CIG, DEF and P/W Fuses