GM Service Manual Online
For 1990-2009 cars only
Makes
🢒
Chevrolet
🢒
2001
🢒
Tracker - 4WD
🢒
Body and Accessories
🢒
Doors
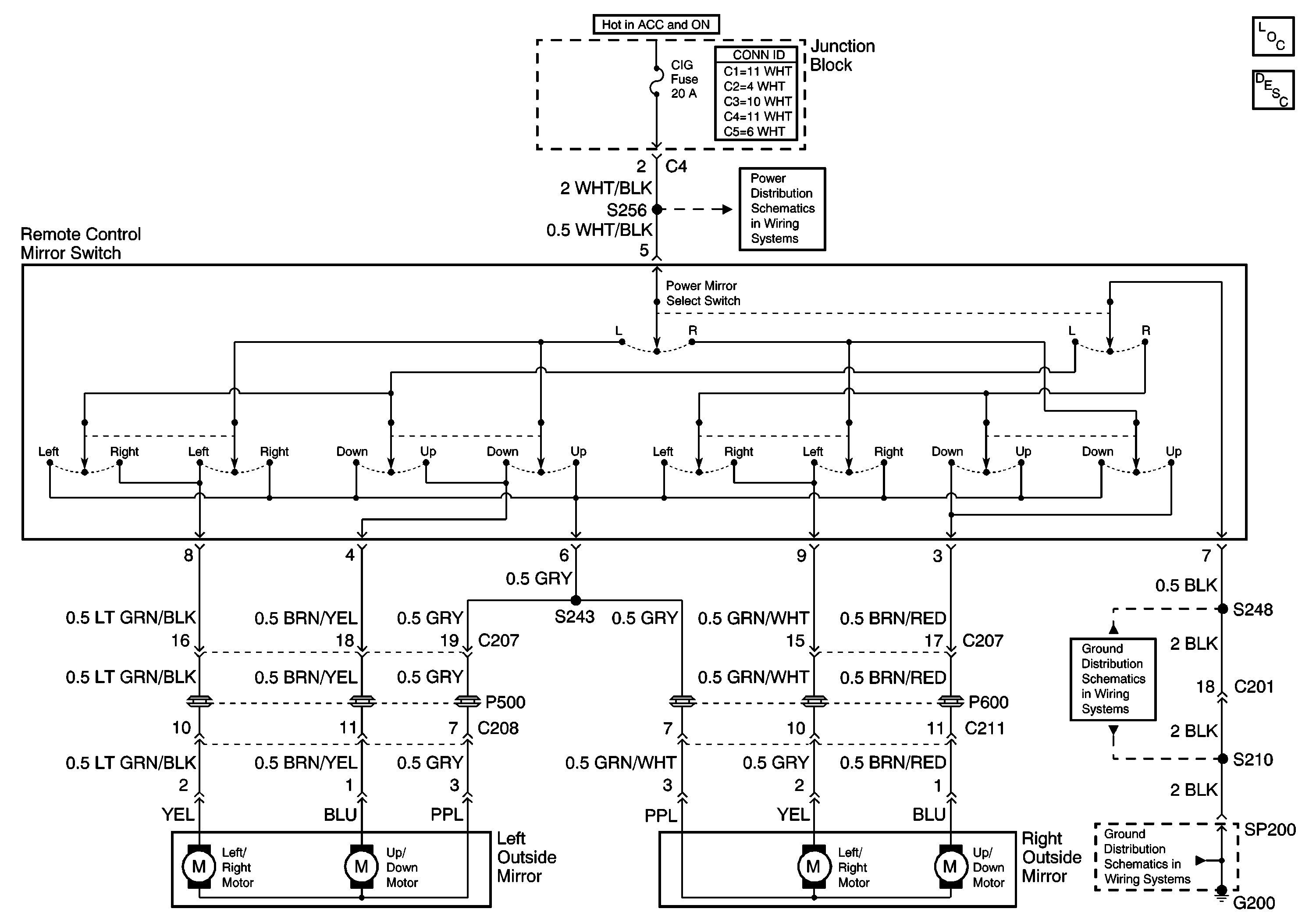
🢒 Outside Rearview Mirror Schematics
Master Electrical Component List
Outside Mirror Description and Operation
G200 (1 of 2)
G200 (2 of 2)
CIG, DEF and P/W Fuses