GM Service Manual Online
For 1990-2009 cars only
Figure 1:

Camshaft Timing Chain and Chain Tensioner


Object Number: 465599  Size: MF
(1)Tensioner Adjuster Gasket
(2)Intake Camshaft Timing Sprocket
(3)Camshaft Timing Chain
(4)Timing Chain Guide
(5)Idler Sprocket
(6)Exhaust Camshaft Timing Sprocket
(7)Timing Chain Tensioner Adjuster
Figure 2:

Crankshaft Timing Chain and Chain Tensioner


Object Number: 465600  Size: MF
(1)Timing Chain Tensioner
(2)Timing Chain Guide-Adjustable
(3)Idler Sprocket
(4)Idler Sprocket Shaft
(5)Crankshaft Timing Chain
(6)Timing Chain Guide-Fixed
(7)Crankshaft Timing Sprocket
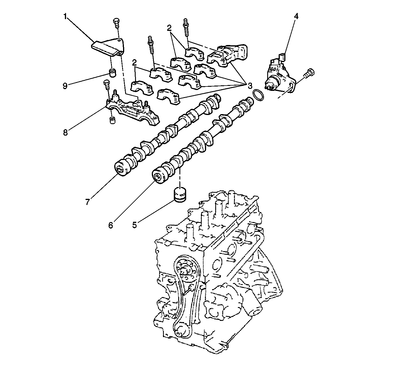
Figure 3:

Camshafts and Valve Lash Adjusters


Object Number: 465601  Size: LF
(1)Timing Chain Guide
(2)Intake Camshaft Housing
(2)Intake Camshaft Housing
(3)Exhaust Camshaft Housing
(4)CMP Sensor
(5)Valve Lifter
(6)Exhaust Camshaft
(7)Intake Camshaft
(8)Camshaft Housing
(9)Oil Relief Valve
Figure 4:

Valves and Cylinder Head


Object Number: 465602  Size: LF
(1)Valve Guide
(2)Cylinder Head
(3)Water Outlet Cap
(4)Water Outlet Pipe
(5)Water Outlet Pipe Attaching Screws
(6)Cylinder Block
(7)Cylinder Head Gasket
(8)Exhaust Valve
(9)Intake Valve
(10)Valve Spring Seat
(11)Valve Stem Seal
(12)Valve Spring (Outer)
(13)Valve Spring (Inner)
(14)Valve Spring Retainer
(15)Valve Cotter
(16)Hydraulic Valve Lash Adjuster
Figure 5:

Pistons, Piston Rings, Connecting Rods, and Cylinders


Object Number: 465603  Size: LF
(1)Top Ring
(2)Second Ring
(3)Oil Ring
(4)Piston Pin Snapring
(5)Piston Pin
(6)Piston
(7)Connecting Rod
(8)Connecting Rod Bearing Cap
(9)Cylinder Block
(10)Oil Pump
(11)Oil Pump Sprocket Cover
(12)Connecting Rod Bearing
(13)Piston Pin Snapring
Figure 6:

Main Bearings, Crankshaft, and Cylinder Block


Object Number: 465604  Size: LF
(1)Cylinder Block
(2)Engine Block Mounting Bracket
(3)Check Valve
(4)Clutch Housing Plate
(5)Heater Outlet Pipe
(6)Engine Block Mounting Bracket
(7)Flywheel (Manual Transmission) / Drive Plate (Automatic Transmission)
(8)Rear Oil Seal
(9)Crankshaft
(10)Lower Crankcase
(11)Oil Pump Chain Guide
(12)Main Bearing
(13)O-ring
(14)Oil Pump Drive Chain
(15)Thrust Bearing
(16)Water Pump
Figure 7:

Timing Chain Cover


Object Number: 465874  Size: LF
(1)Cylinder Head Cover
(2)Cylinder Head Cover Gasket
(3)Cylinder Head Side Seal
(4)O-ring
(5)Oil Pump Strainer
(6)Oil Pan
(7)Oil Seal
(8)Crankshaft Pulley Bolt
(9)Crankshaft Pulley
(10)Timing Chain Cover