GM Service Manual Online
For 1990-2009 cars only
Makes
🢒
Chevrolet
🢒
2003
🢒
Tracker - 4WD
🢒
Driveline/Axle
🢒
Transfer Case - Tracker
🢒 Transfer Case Control Schematics
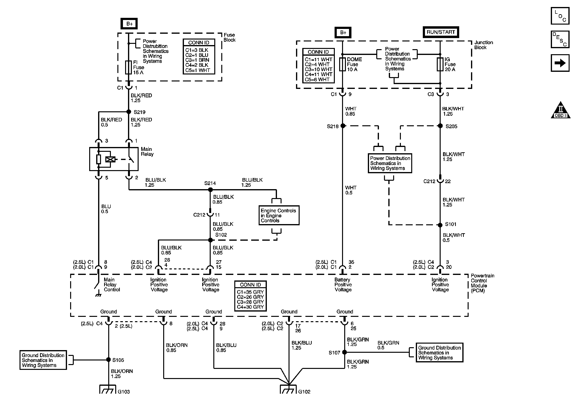
Figure
1:
Main Relay, Powertrain Control Module (PCM) Power and Ground
Master Electrical Component List
Transfer Case Description and Operation
Four Wheel Drive Switches, Front Drive Axle Actuator Pump
OBD II Symbol Description Notice
BATT, ABS, FI, ACC Fuses
G103
HAZ, D/L, TAIL, STOP, DOME Fuses
IG Fuse
HAZ, D/L, TAIL, STOP, DOME Fuses
IG Fuse
G100, G101, G102
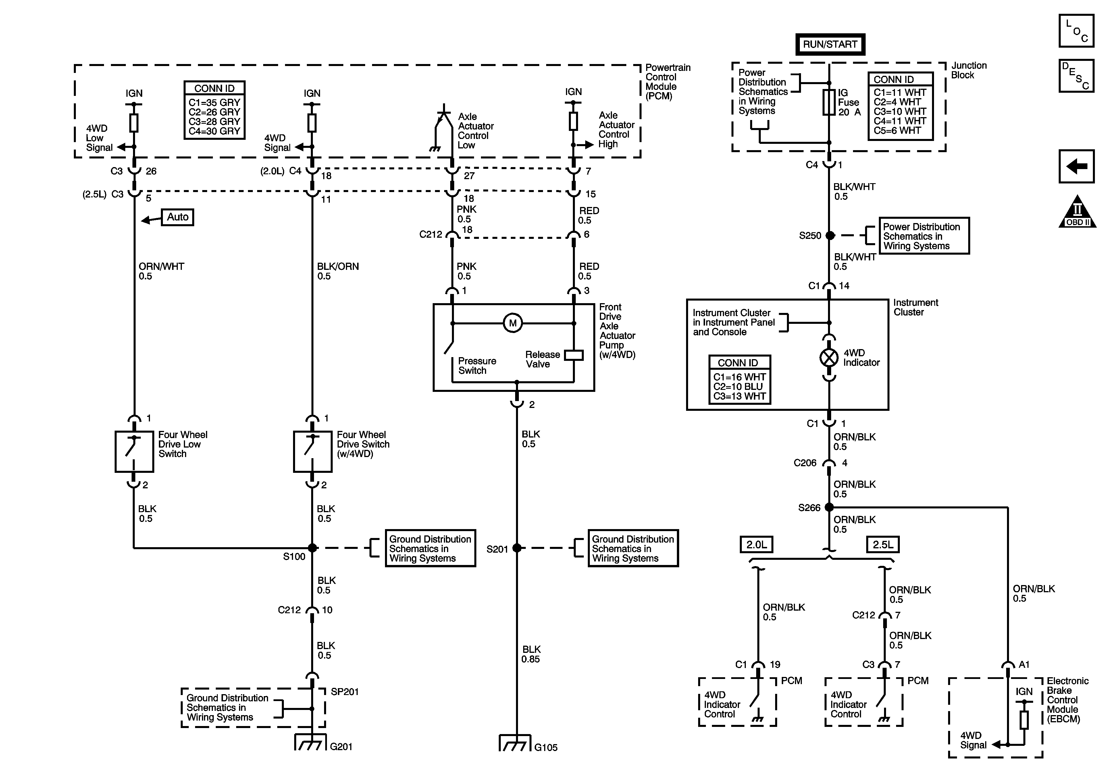
Figure
2:
Four Wheel Drive Switches, Front Drive Axle Actuator
Master Electrical Component List
Transfer Case Description and Operation
Main Relay, Powertrain Control Module (PCM) Power and Ground
OBD II Symbol Description Notice
G201
G201
G105
IG Fuse
IG Fuse
Power, O/D OFF, 4WD, MIL, CRUISE, Charge Indicators