GM Service Manual Online
For 1990-2009 cars only
Makes
🢒
Chevrolet
🢒
2003
🢒
Tracker - 4WD
🢒
Brakes
🢒
Hydraulic Brakes
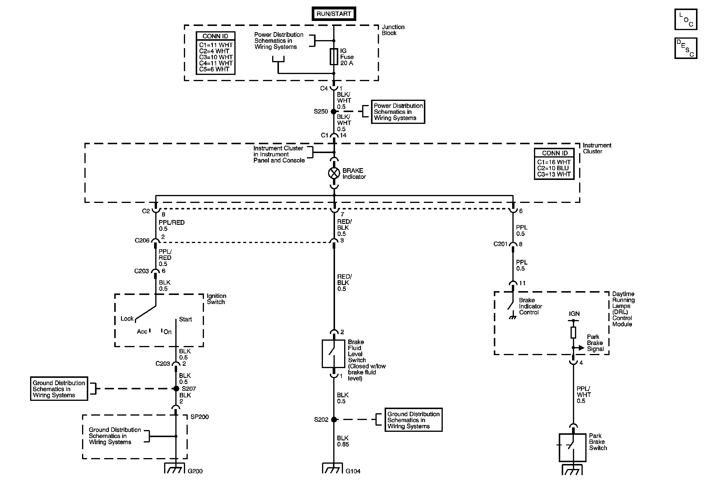
🢒 Brake Warning System Schematics
Master Electrical Component List
Brake Warning System Description and Operation
TURN, WIP Fuses
TURN, WIP Fuses
ABS, Brake, Seat Belt, Air Bag Indicators
G200
G200
G104