GM Service Manual Online
For 1990-2009 cars only
Makes
🢒
Chevrolet
🢒
2003
🢒
Tracker - 4WD
🢒
Restraints
🢒
Seat Belts
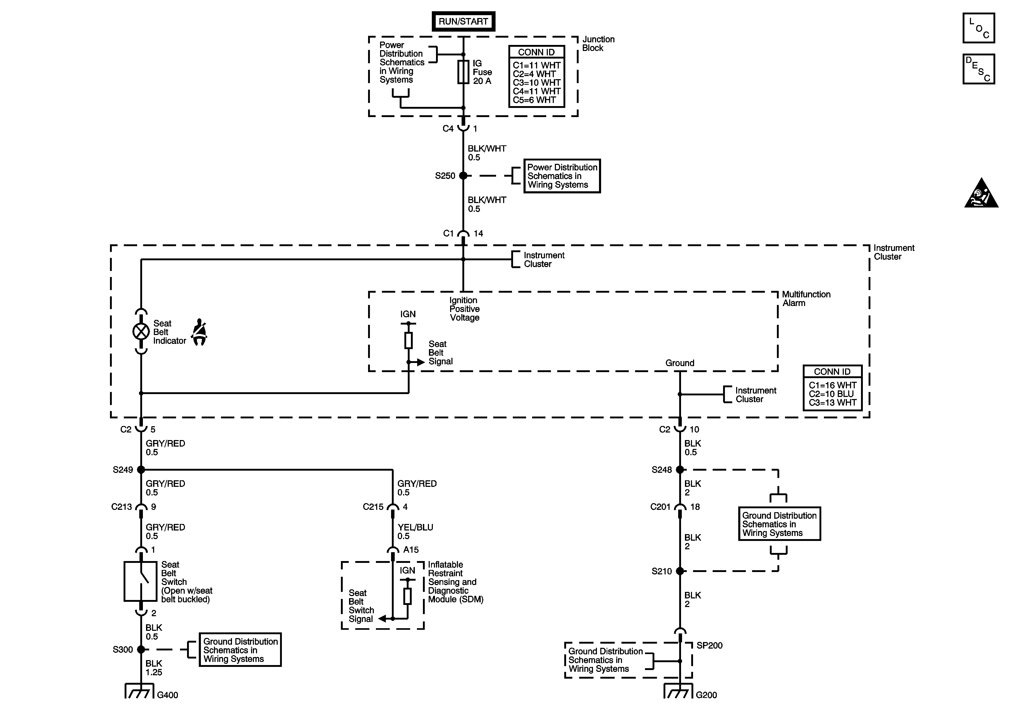
🢒 Seat Belt Schematics
Master Electrical Component List
Seat Belt System Description and Operation
SIR Caution for Zoning
TURN, WIP Fuses
TURN, WIP Fuses
ABS, Brake, Seat Belt, Air Bag Indicators
ABS, Brake, Seat Belt, Air Bag Indicators
G400 and G401
S248
G200