GM Service Manual Online
For 1990-2009 cars only
Figure 1:

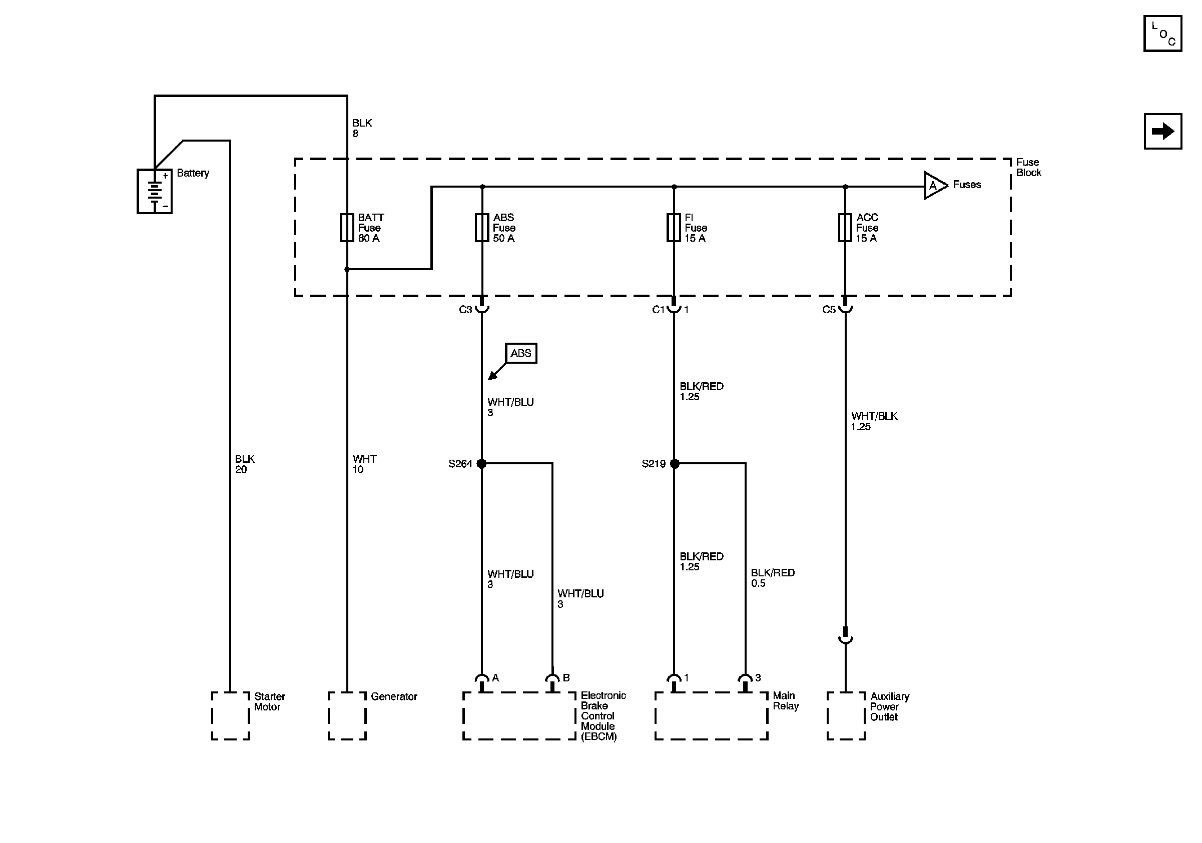
BATT, ABS, FI, ACC Fuses


Object Number: 883435  Size: FS
Master Electrical Component List
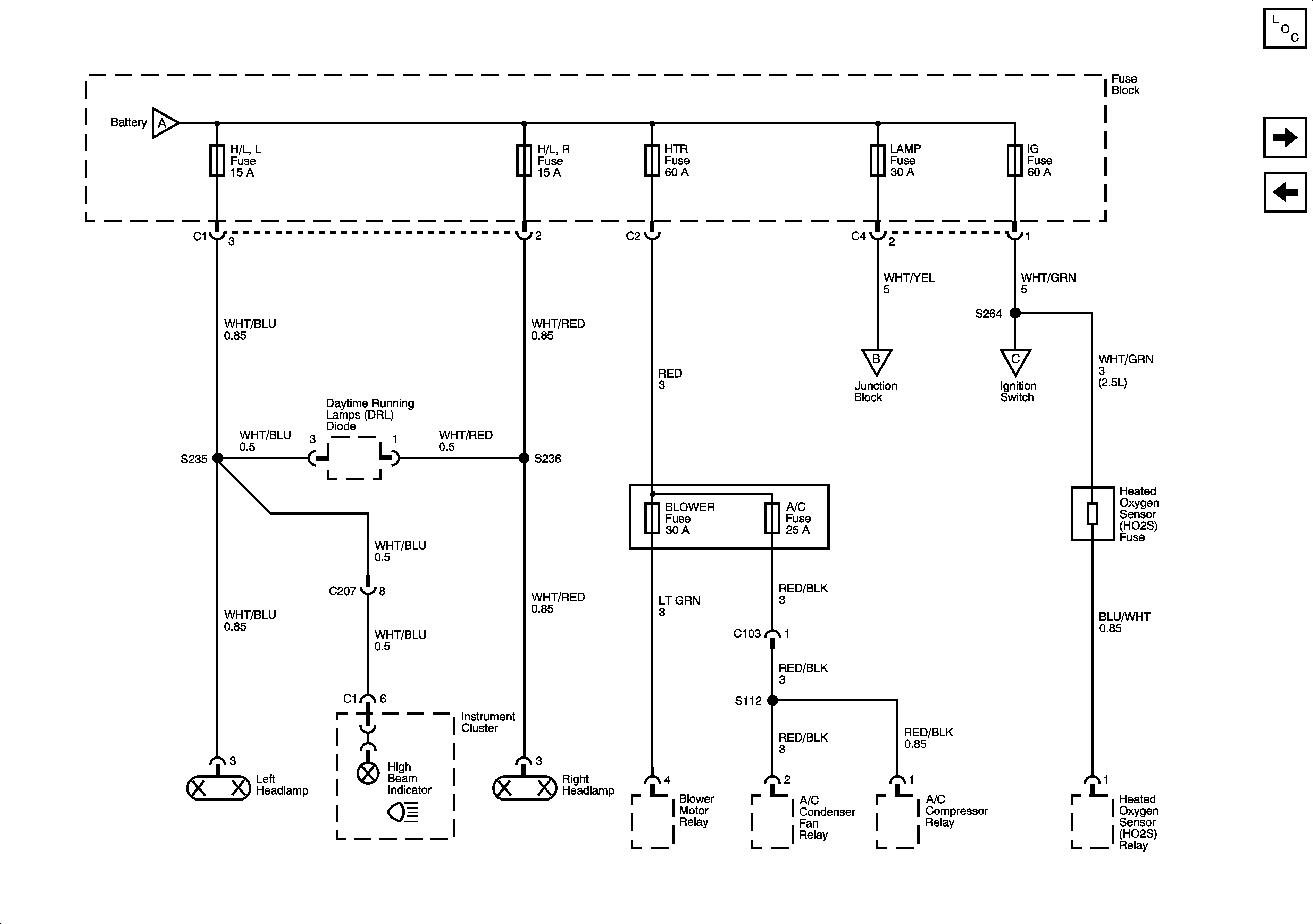
H/L, L, H/L, R, HTR, IG, LAMP Fuses
Figure 2:

H/L, L, H/L, R, HTR, IG, LAMP Fuses


Object Number: 883436  Size: FS
Master Electrical Component List
HAZ, D/L, TAIL, STOP, DOME Fuses
BATT, ABS, FI, ACC Fuses
Figure 3:

HAZ, D/L, TAIL, STOP, DOME Fuses


Object Number: 883437  Size: FS
Master Electrical Component List
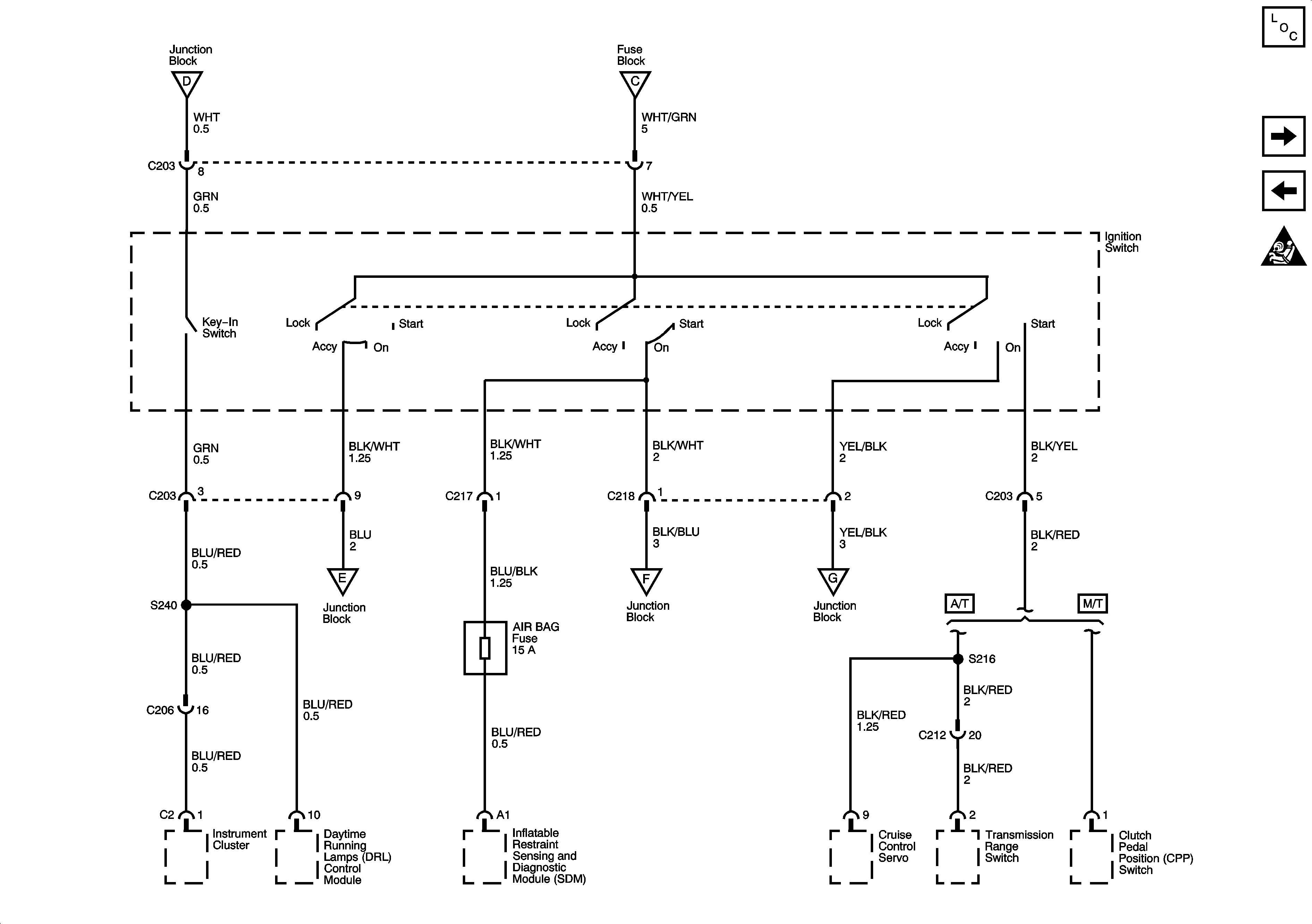
Ignition Switch
H/L, L, H/L, R, HTR, IG, LAMP Fuses
Figure 4:

Ignition Switch


Object Number: 883438  Size: FS
Master Electrical Component List
IG Fuse
HAZ, D/L, TAIL, STOP, DOME Fuses
SIR Caution for Zoning
Figure 5:

IG Fuse


Object Number: 883439  Size: FS
Master Electrical Component List
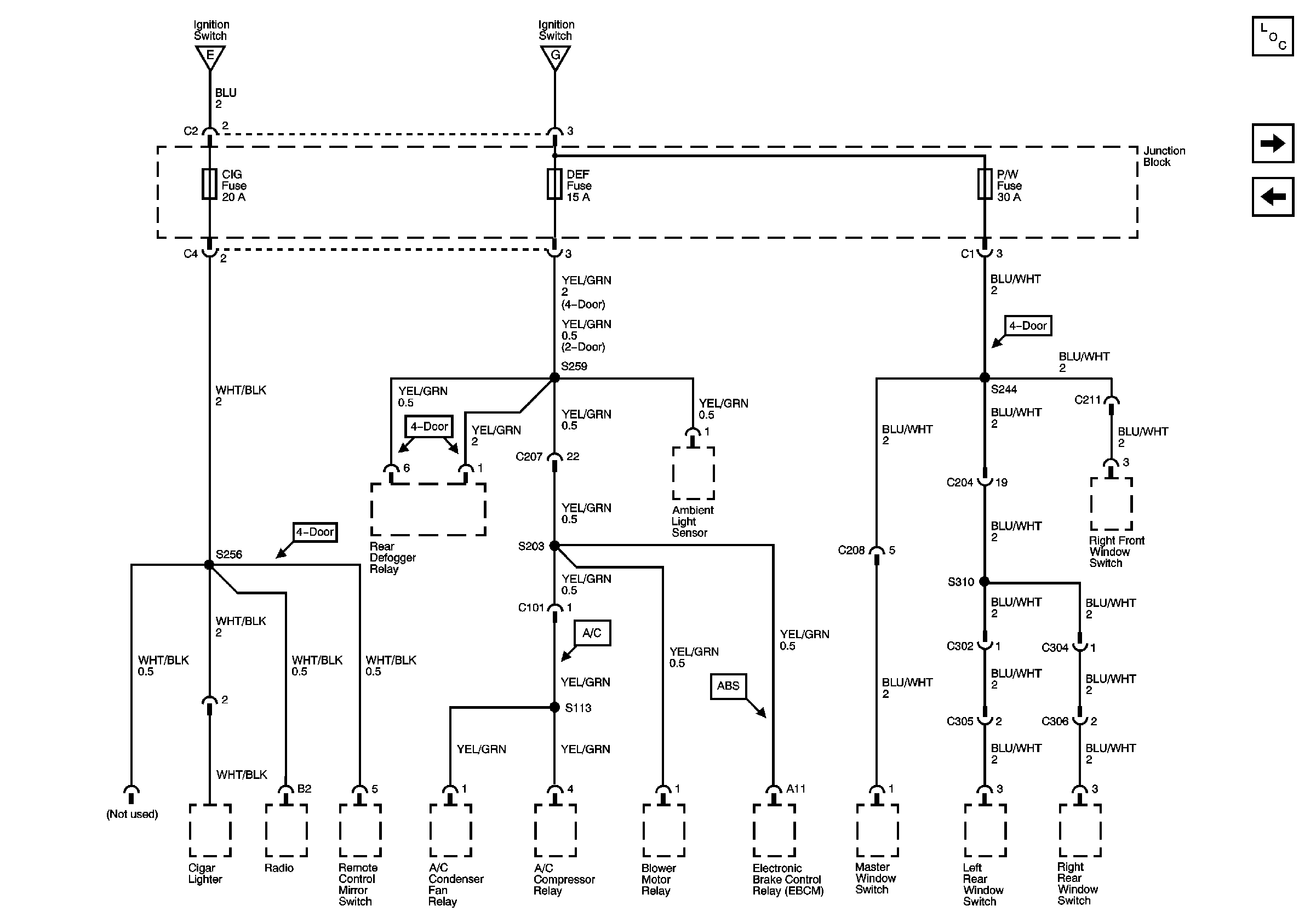
CIG, DEF, P/W Fuses
Ignition Switch
Figure 6:

CIG, DEF, P/W Fuses


Object Number: 883440  Size: FS
Master Electrical Component List
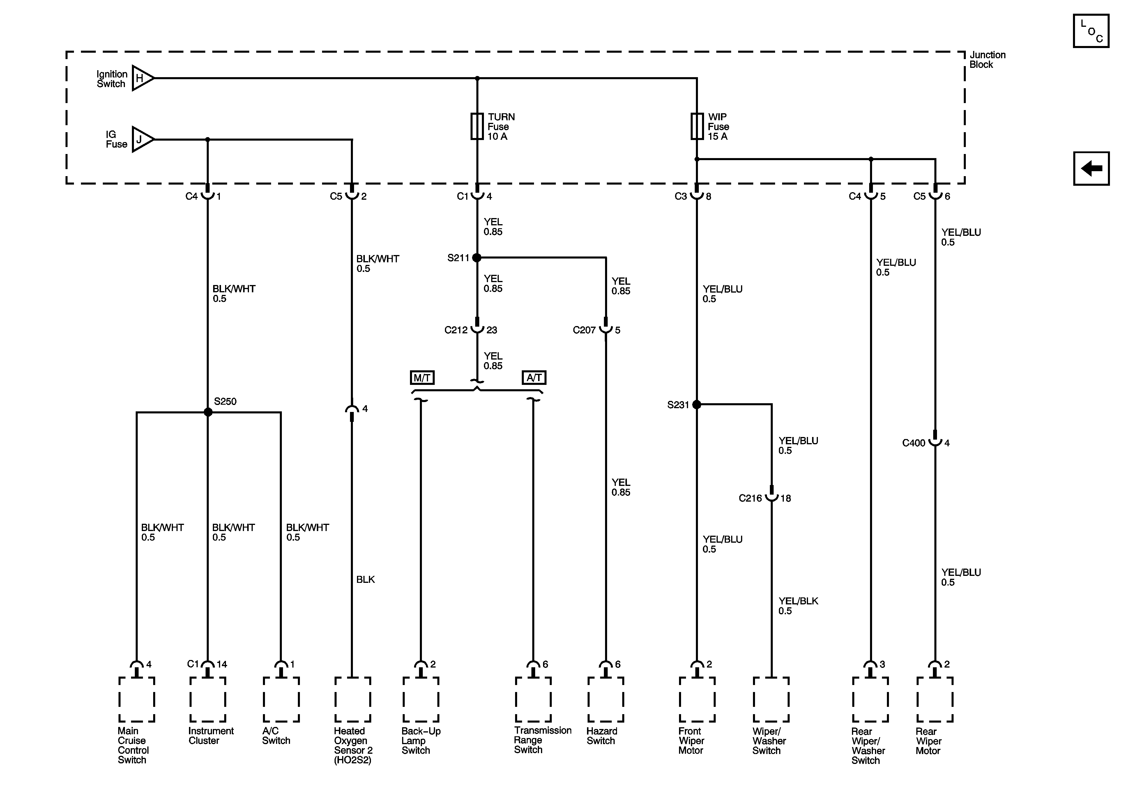
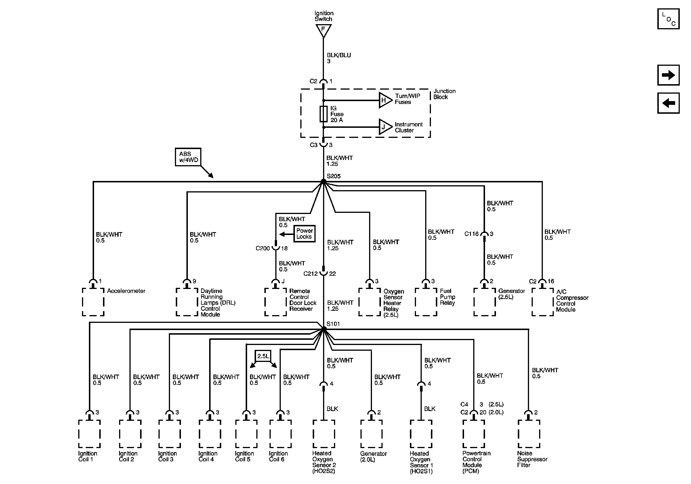
TURN, WIP Fuses
IG Fuse
Figure 7:

TURN, WIP Fuses


Object Number: 883441  Size: FS
Master Electrical Component List
CIG, DEF, P/W Fuses