GM Service Manual Online
For 1990-2009 cars only
Figure 1:

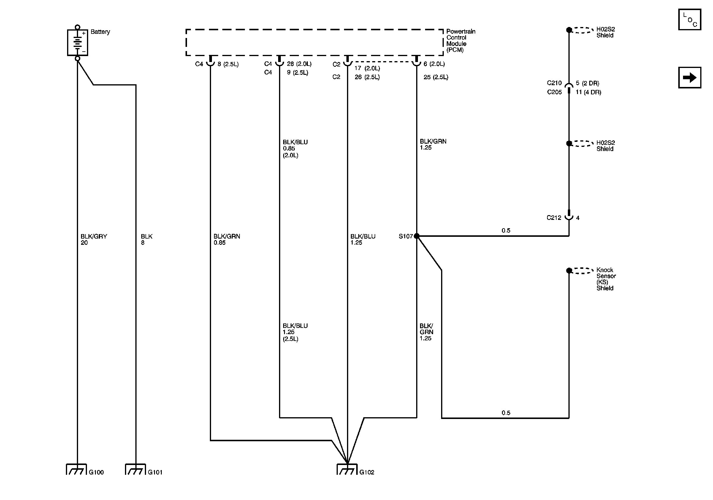
G100, G101, G102


Object Number: 883442  Size: FS
Master Electrical Component List
G103
Figure 2:

G103


Object Number: 883443  Size: FS
Master Electrical Component List
G104
G100, G101, G102
Figure 3:

G104


Object Number: 883444  Size: FS
Master Electrical Component List
G105
G103
Figure 4:

G105


Object Number: 883445  Size: FS
Master Electrical Component List
G200
G104
Figure 5:

G200


Object Number: 883446  Size: FS
Master Electrical Component List
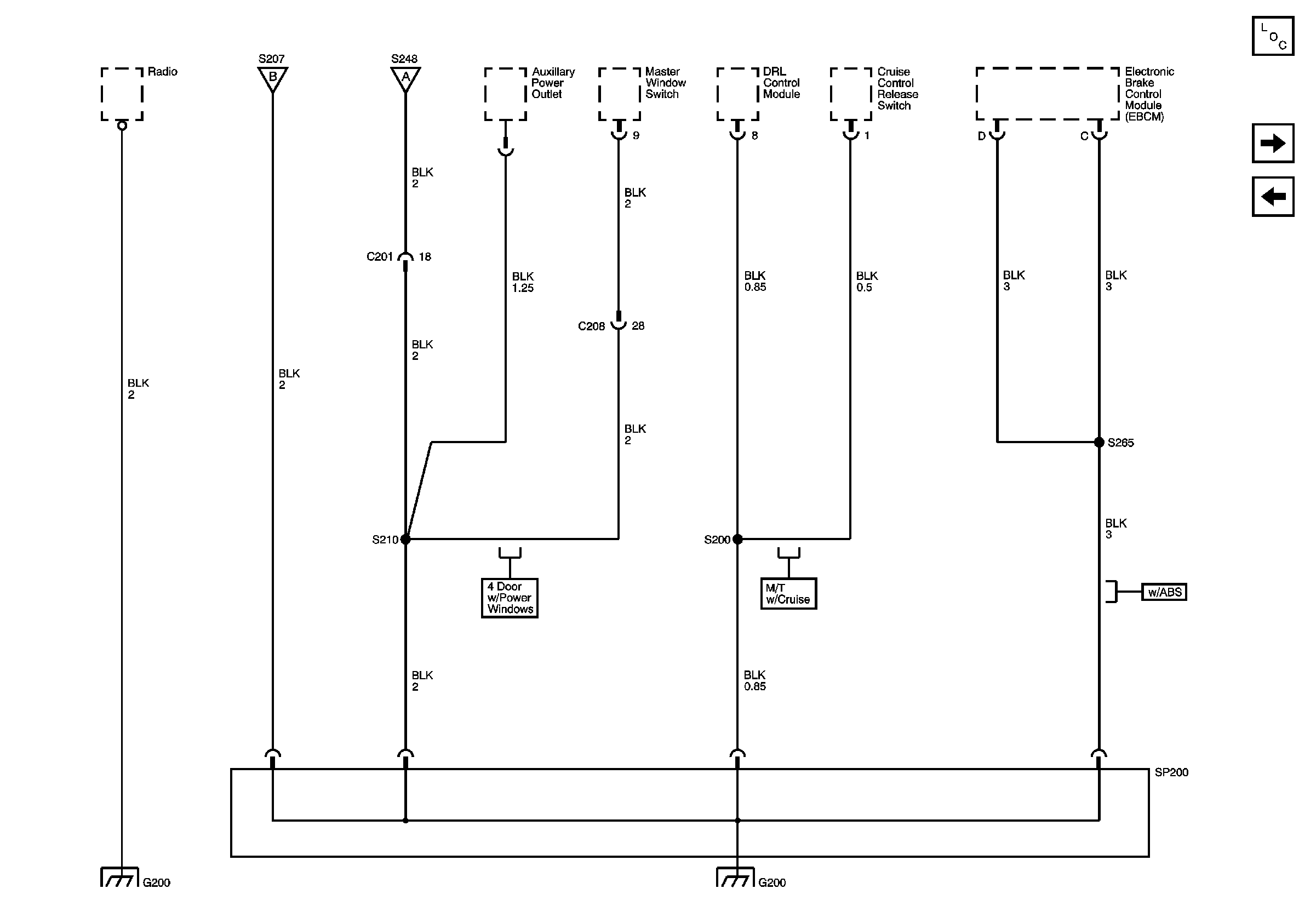
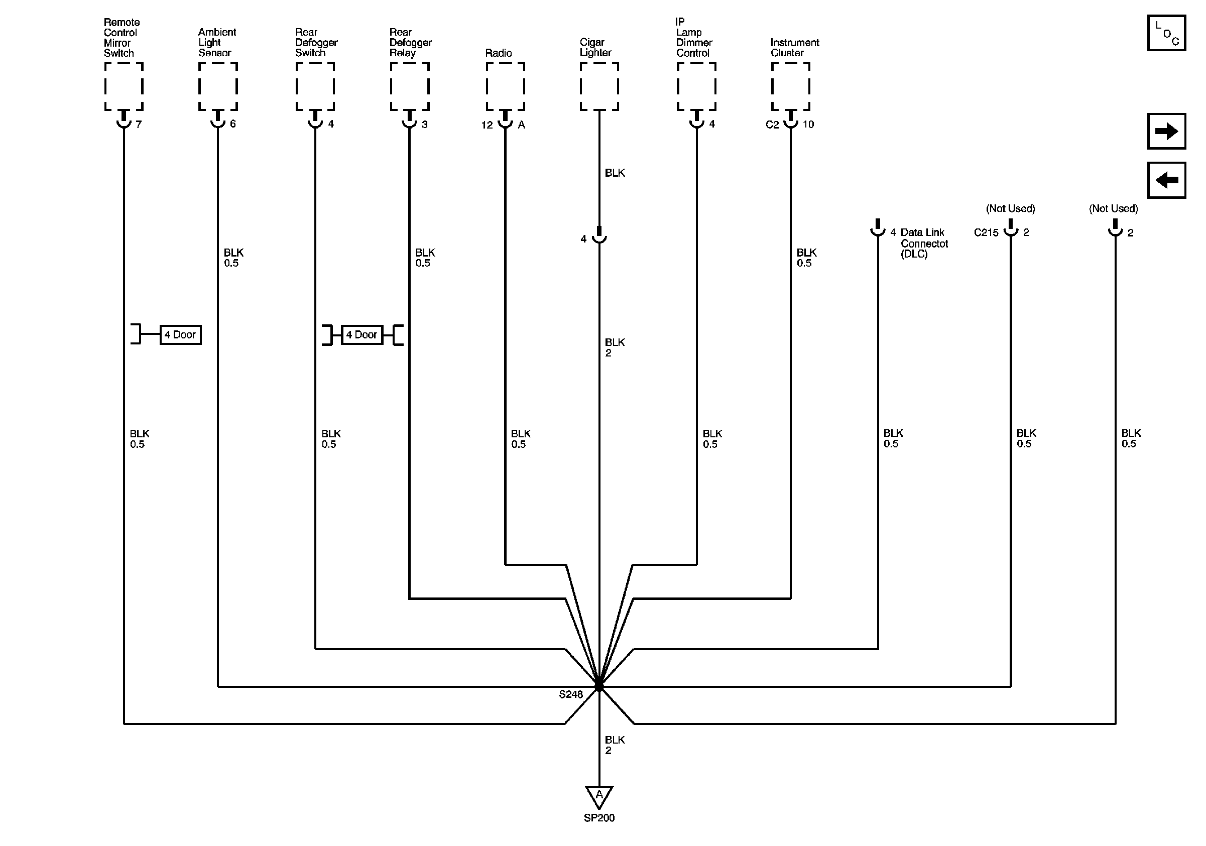
S248
G105
Figure 6:

S248


Object Number: 883447  Size: FS
Master Electrical Component List
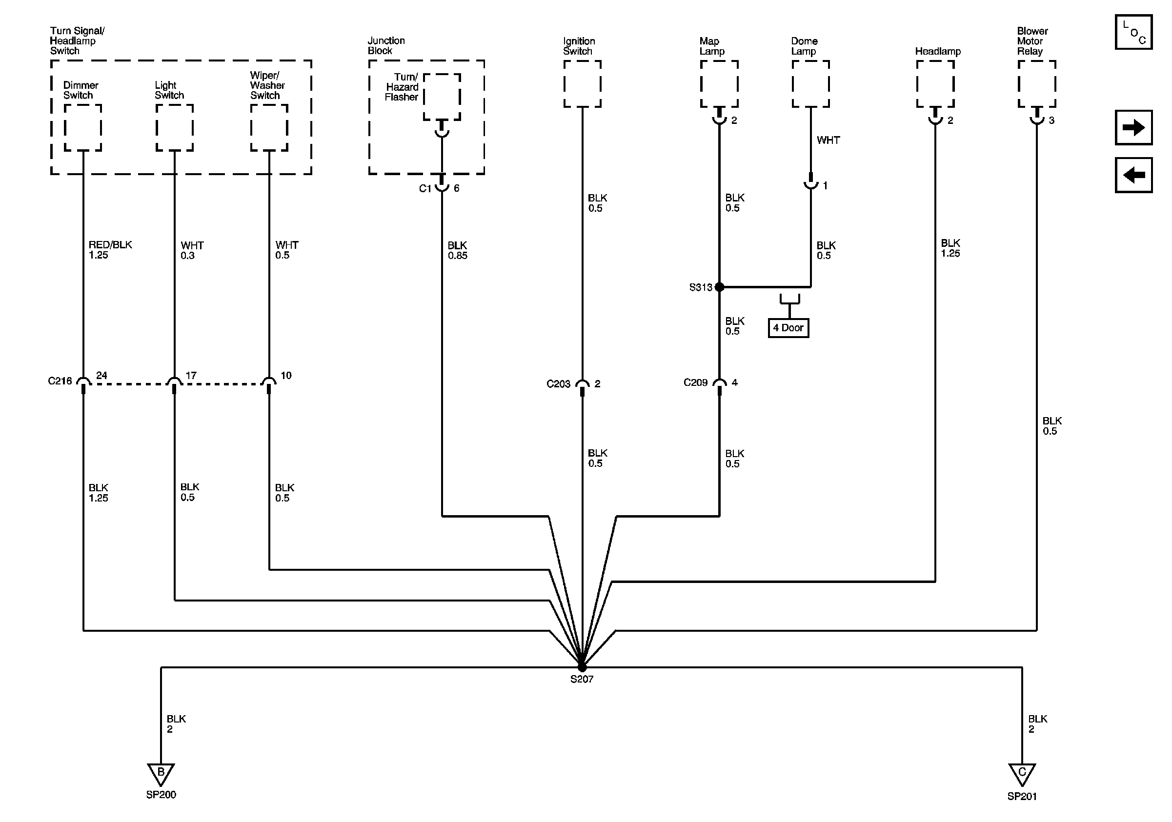
S207
G200
Figure 7:

S207


Object Number: 883448  Size: FS
Master Electrical Component List
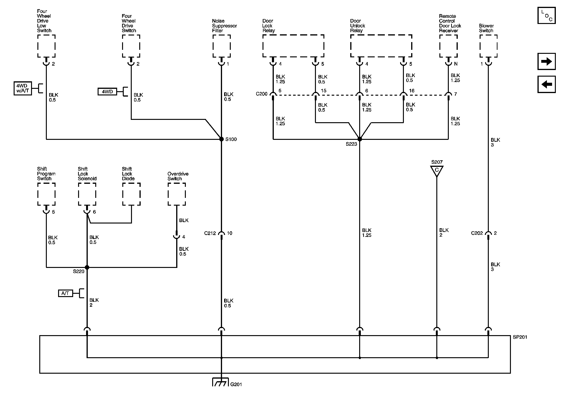
G201
S248
Figure 8:

G201


Object Number: 883449  Size: FS
Master Electrical Component List
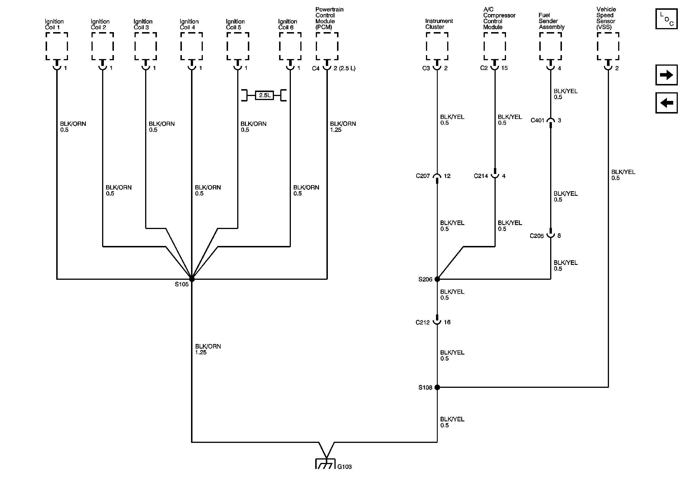
G202
S207
Figure 9:

G202


Object Number: 883451  Size: FS
Master Electrical Component List
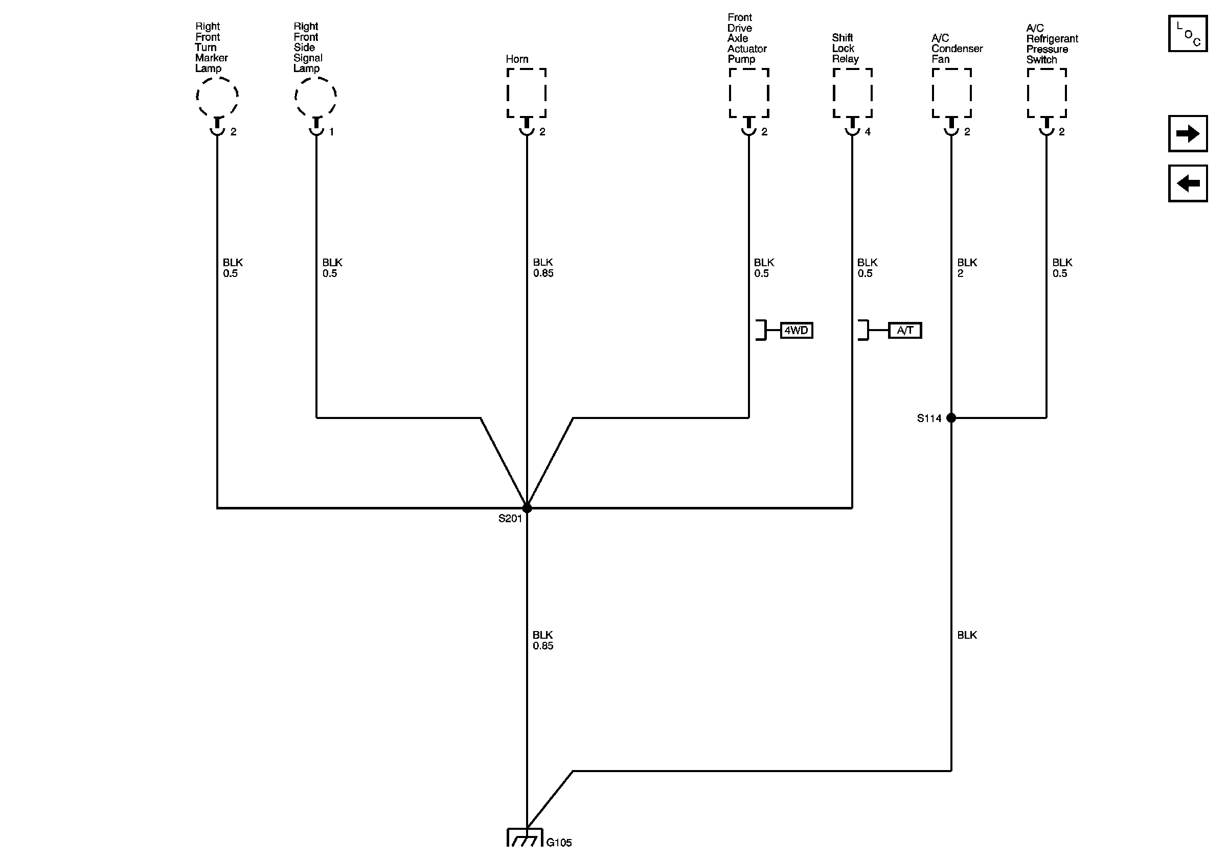
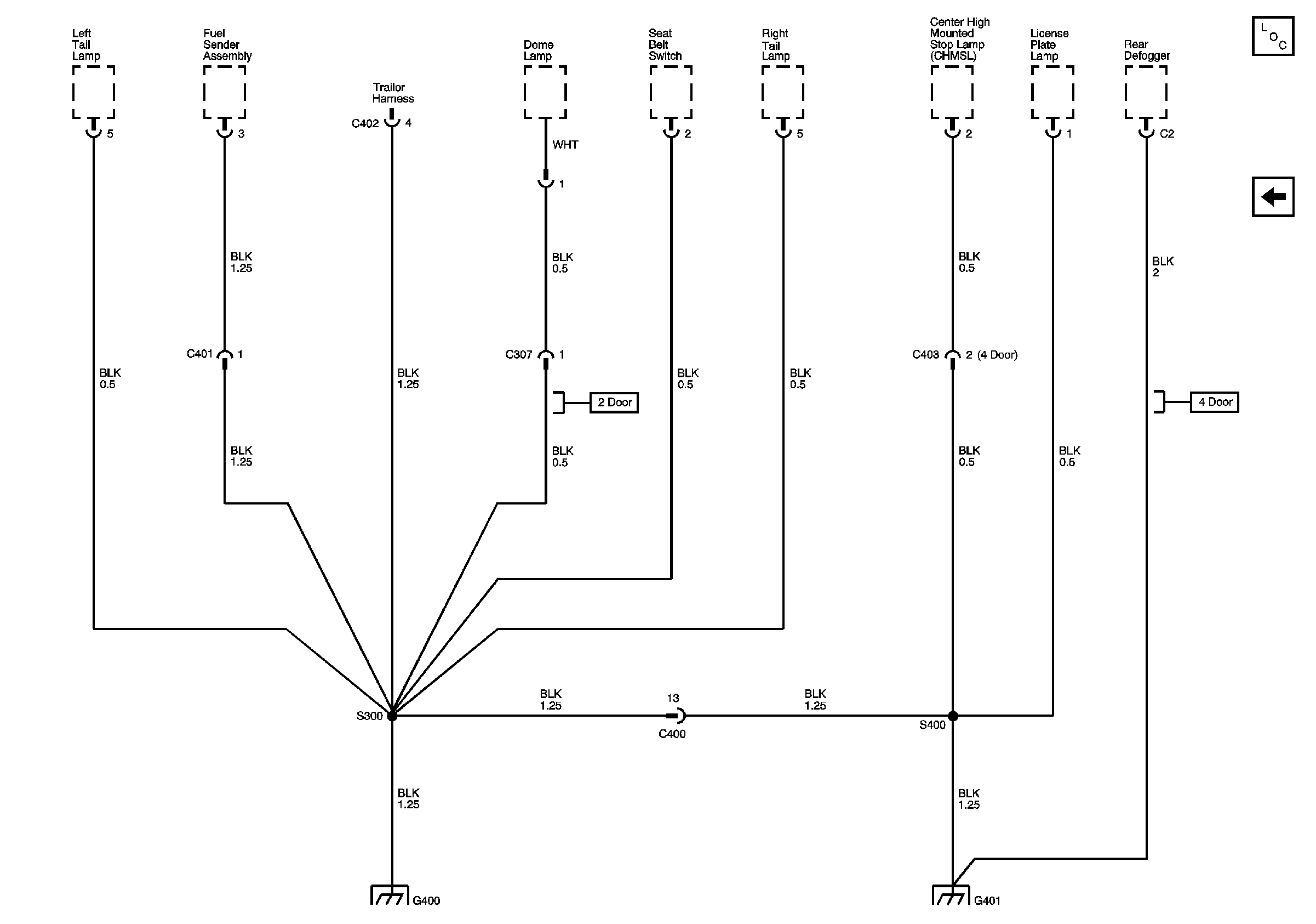
G400 and G401
G201
Figure 10:

G400 and G401


Object Number: 883452  Size: FS
Master Electrical Component List
G202