GM Service Manual Online
For 1990-2009 cars only
Makes
🢒
Chevrolet
🢒
2003
🢒
Tracker - 4WD
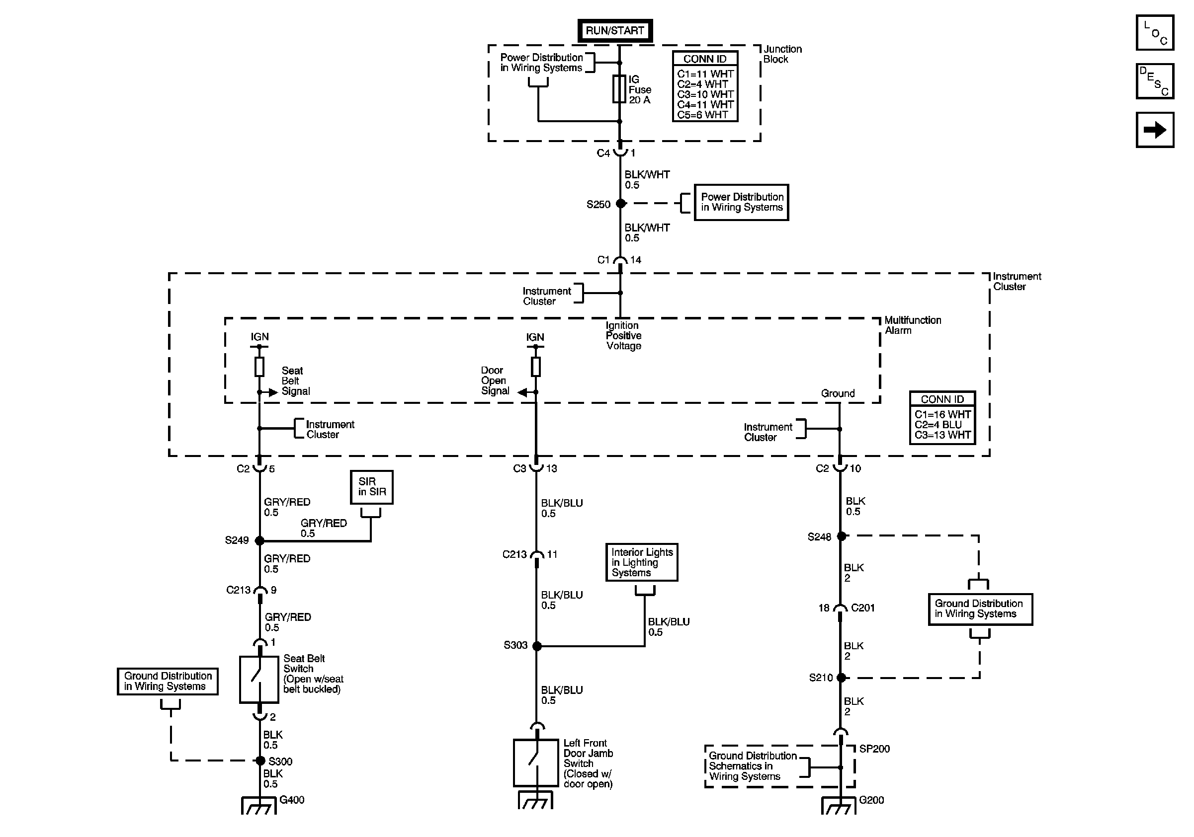
🢒 Multifunction Alarm Module, Seat Belt Signal, Door Open Signal
Multifunction Alarm Module, Seat Belt Signal, Door Open Signal
Multifunction Alarm Module, Seat Belt Signal, Door Open Signal
Master Electrical Component List
Audible Warnings Description and Operation
Multifunction Alarm Module, Ignition Key-In Signal, Lights On Signal
TURN, WIP Fuses
TURN, WIP Fuses
Power, O/D OFF, 4WD, MIL, CRUISE, Charge Indicators
ABS, Brake, Seat Belt, Air Bag Indicators
SIR Schematics
G400 and G401
Dome Lamps, Map Lamps (4 Door)
G200
G200