GM Service Manual Online
For 1990-2009 cars only
Makes
🢒
Chevrolet
🢒
2003
🢒
Tracker - 4WD
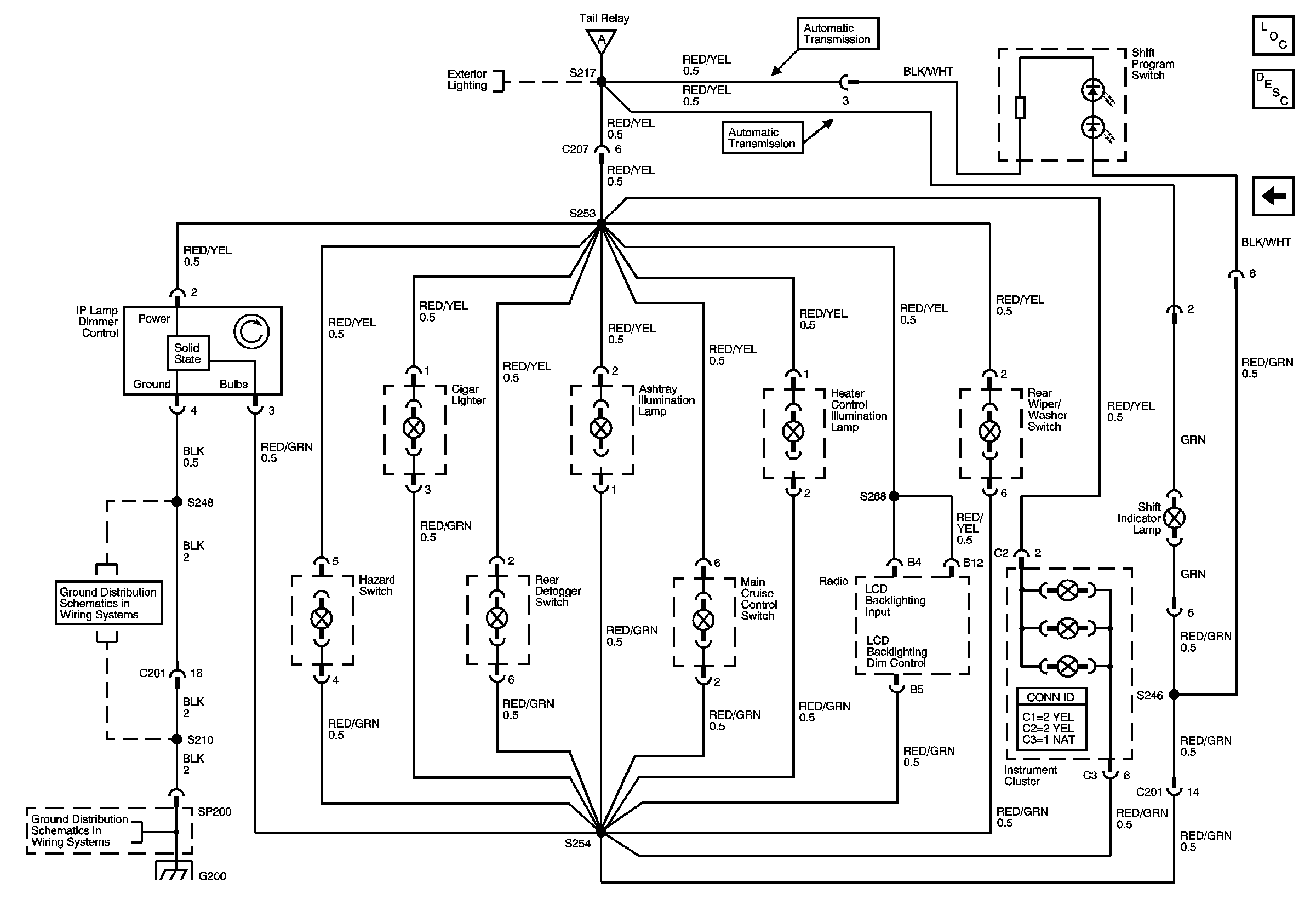
🢒 Instrument Panel Lamp Dimmer Control
Instrument Panel Lamp Dimmer Control
Instrument Panel Lamp Dimmer Control
Master Electrical Component List
Interior Lighting Systems Description and Operation
Tail Relay, Light Switch
Tail Relay, Light Switch
S248
G200