GM Service Manual Online
For 1990-2009 cars only
Makes
🢒
Chevrolet
🢒
2004
🢒
Tracker - 4WD
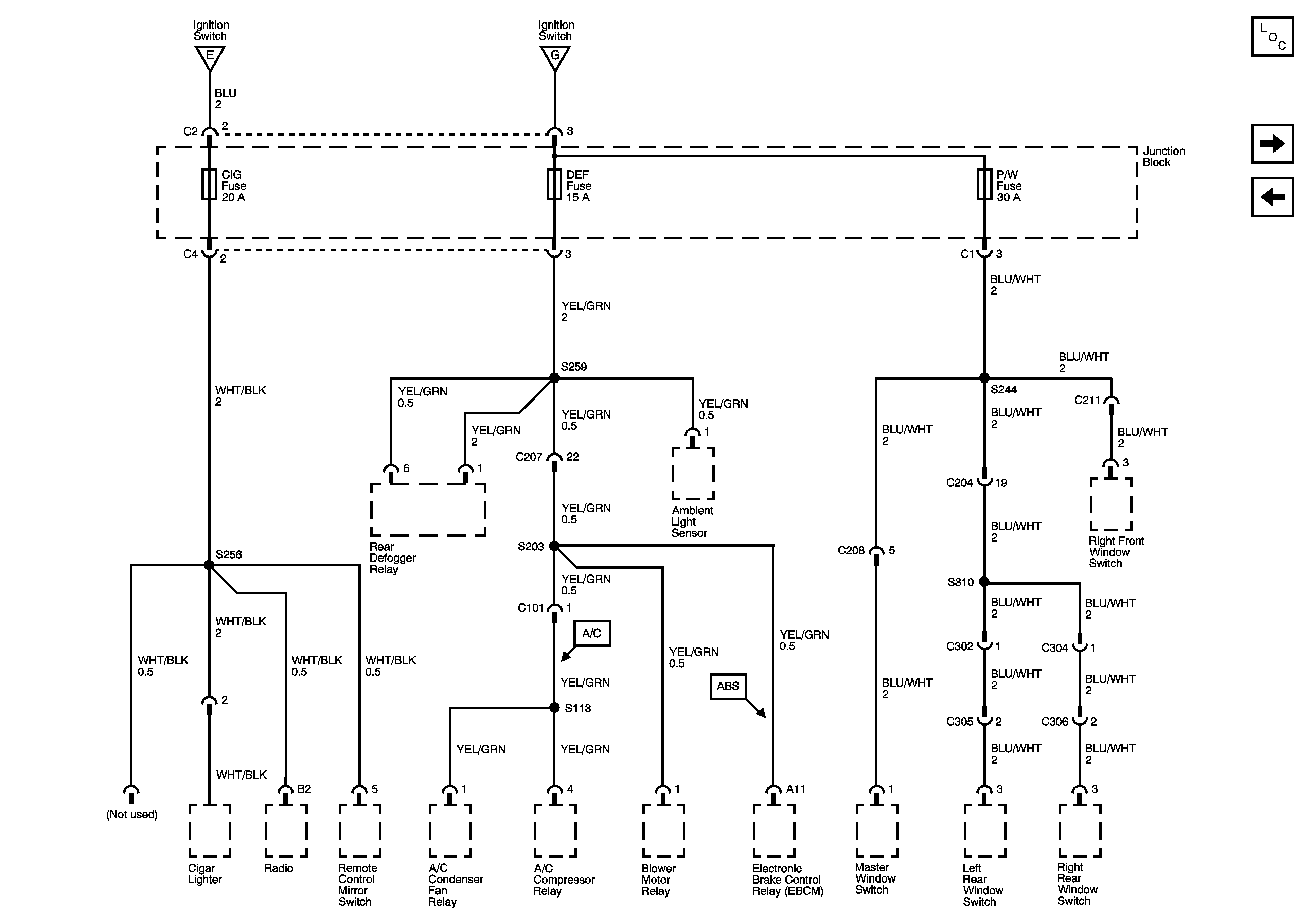
🢒 CIG, DEF and P/W Fuses
CIG, DEF and P/W Fuses
CIG, DEF and P/W Fuses
Master Electrical Component List
TURN and WIP Fuses
IG Fuse, S205 and S101