GM Service Manual Online
For 1990-2009 cars only
Makes
🢒
Chevrolet
🢒
2004
🢒
Tracker - 4WD
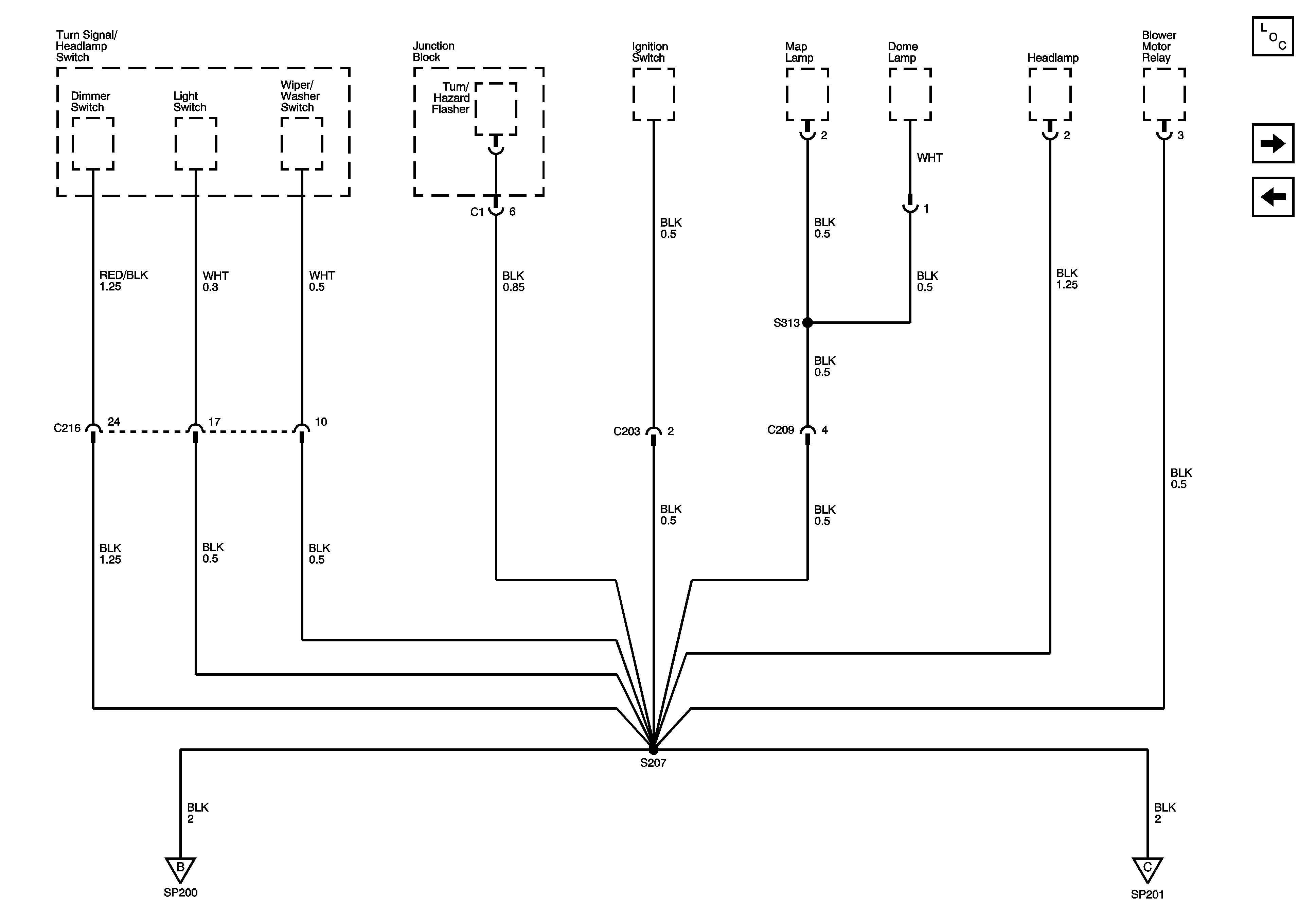
🢒 S207
S207
S207
Master Electrical Component List
SP201 and G201
S248