GM Service Manual Online
For 1990-2009 cars only
Makes
🢒
Chevrolet
🢒
2004
🢒
TrailBlazer - 2WD
🢒 04 S/T Utility Engine Cooling Schematics
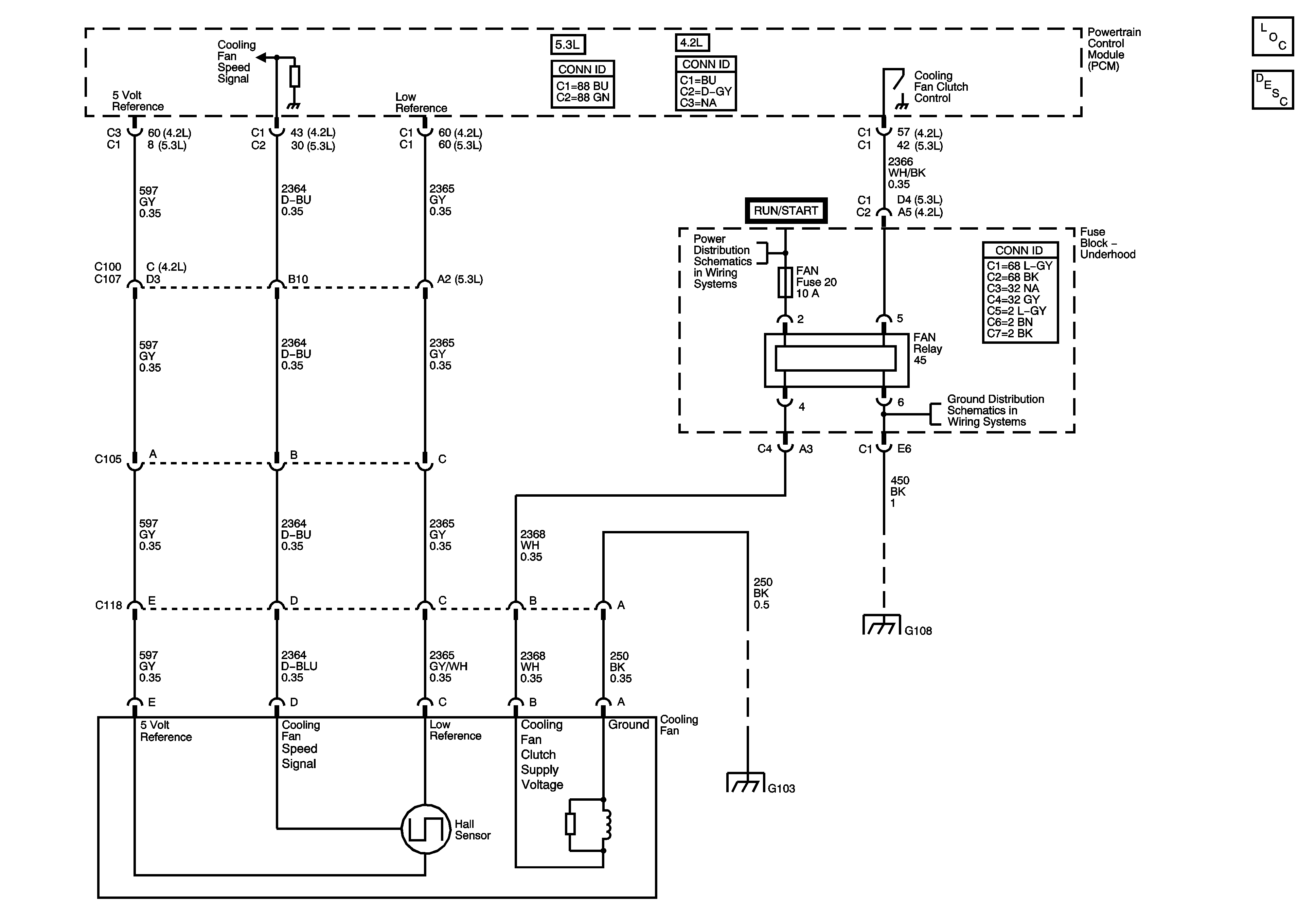
04 S/T Utility Engine Cooling Schematics
Master Electrical Component List
Cooling System Description and Operation
ACCY/RUN and RUN/START Bus Bars
G108
G108
G101, G103, G106, and G110