GM Service Manual Online
For 1990-2009 cars only
Figure 1:

B+ Bus - Underhood Fuse Block


Object Number: 1593861  Size: FS
Master Electrical Component List
Control Module References
B+ Bus - Rear Fuse Block
Figure 2:

B+ Bus - Rear Fuse Block


Object Number: 1593862  Size: FS
Master Electrical Component List
Control Module References
ABS, ATC, BLWR, ECAS, ELEC BRK, HAZRD, IPC/DIC, LTR, STOP LAMP, TRLR, VEH CHMSL, VEH STOP, and VSES Fuses
Underhood Fuse Block
Underhood Fuse Block
Figure 3:

ABS, ATC, BLWR, ECAS, ELEC BRK, HAZRD, IPC/DIC, LTR, STOP LAMP, TRLR, VEH CHMSL, VEH STOP, and VSES Fuses


Object Number: 1593863  Size: FS
Master Electrical Component List
Control Module References
AIR PUMP, EAP, ECM, HDM, HI HEADLAMP-LT, HI HEADLAMP-RT, IGN COILS, LO HEADLAMP-LT, LO HEADLAMP-RT, PCM B and TBC I Fuses
B+ Bus - Rear Fuse Block
Underhood Fuse Block
Figure 4:

AIR PUMP, EAP, ECM, HDM, HI HEADLAMP-LT, HI HEADLAMP-RT, IGN COILS, LO HEADLAMP-LT, LO HEADLAMP-RT, PCM B and TBC I Fuses


Object Number: 1593865  Size: FS
Master Electrical Component List
Control Module References
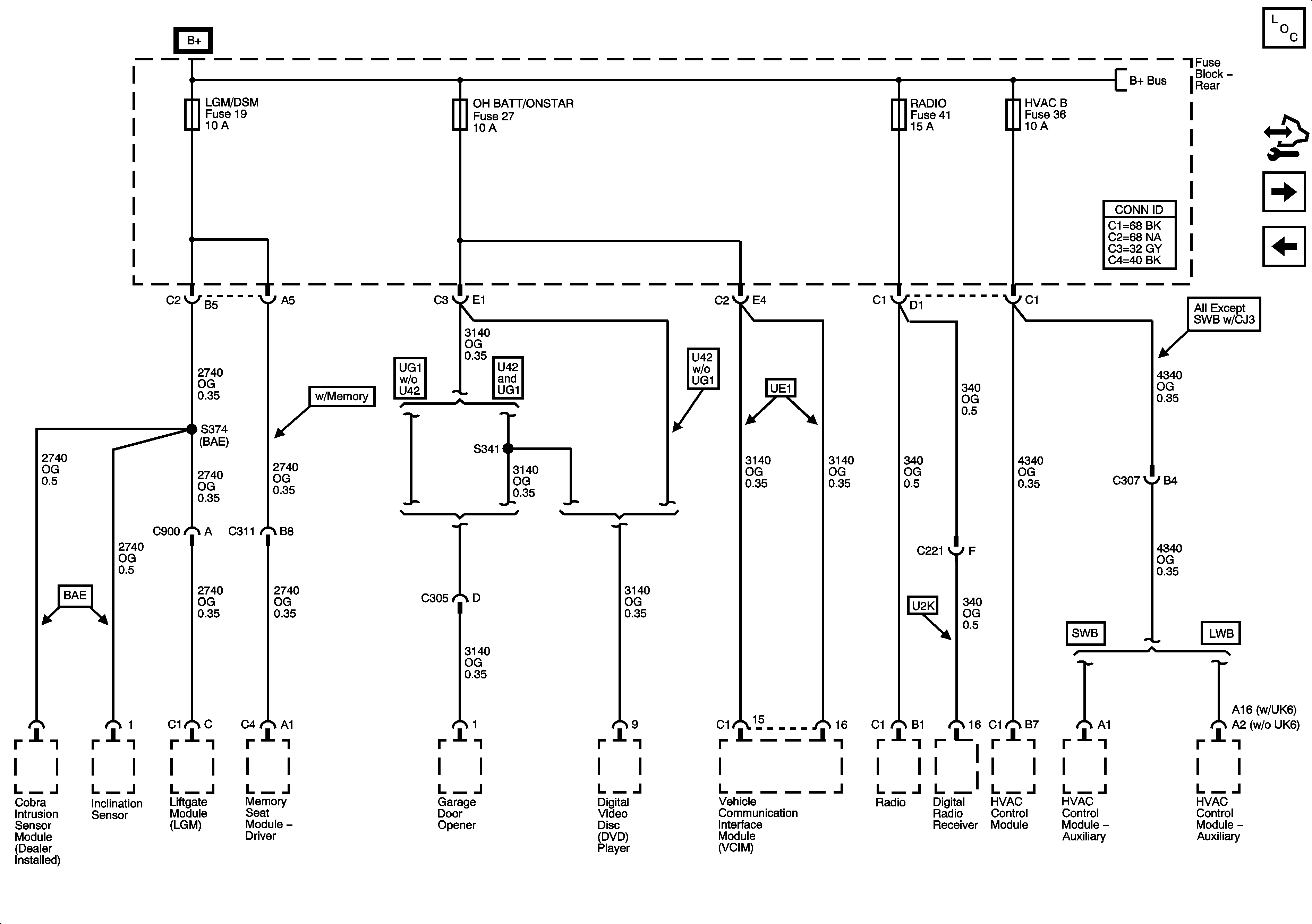
HVAC B, LGM/DSM, OH BATT/ONSTAR, and RADIO FUSES
ABS, ATC, BLWR, ECAS, ELEC BRK, HAZRD, IPC/DIC, LTR, STOP LAMP, TRLR, VEH CHMSL, VEH STOP, and VSES Fuses
Underhood Fuse Block
Figure 5:

HVAC B, LGM/DSM, OH BATT/ONSTAR, and Radio Fuses


Object Number: 1593868  Size: FS
Master Electrical Component List
Control Module References
AUX PWR 1, RR HVAC, SUNROOF, TBC 2, TBC 3, TBC 4, TBC 5, and TCM CNSTR Fuses
AIR PUMP, EAP, ECM, HDM, HI HEADLAMP-LT, HI HEADLAMP-RT, IGN COILS, LO HEADLAMP-LT, LO HEADLAMP-RT, PCM B and TBC I Fuses
B+ Bus - Rear Fuse Block
Figure 6:

AXU PWR 1, RR HVAC, SUNROOF, TBC 2, TBC 3, TBC 4, TBC 5, and TCM CNSTR Fuses


Object Number: 1593874  Size: FS
Master Electrical Component List
Control Module References
AMP, DDM, PDM Fuses, LT DOORS, RT DOORS, and SEATS Circuit Breakers
HVAC B, LGM/DSM, OH BATT/ONSTAR, and RADIO FUSES
Underhood Fuse Block
B+ Bus - Rear Fuse Block
Figure 7:

AMP, DDM, PDM Fuses, LT DOORS, RT DOOR, and SEATS Circuit Breakers


Object Number: 1593878  Size: FS
Master Electrical Component List
Control Module References
F PARK, LGM #2, LR PARK, RR FOG, RR PARK, TR PARK Fuses, and RR WIPER Circuit Breaker
AUX PWR 1, RR HVAC, SUNROOF, TBC 2, TBC 3, TBC 4, TBC 5, and TCM CNSTR Fuses
B+ Bus - Rear Fuse Block
Figure 8:

F PARK, LGM #2, RR FOG, RR PARK, TR PARK Fuses, and RR WIPER Circuit Breaker


Object Number: 1593879  Size: FS
Master Electrical Component List
Control Module References
Ignition Switch - ACCY/RUN/START, RUN, and START Bus Bars, IGN A and CRNK Fuses
AMP, DDM, PDM Fuses, LT DOORS, RT DOORS, and SEATS Circuit Breakers
B+ Bus - Rear Fuse Block
Figure 9:

Ignition Switch - ACCY/RUN/START, RUN, and START Bus Bars, IGN A and CRNK Fuses


Object Number: 1593883  Size: FS
Master Electrical Component List
Control Module References
ACCY/RUN, RUN/START, Bus Bars, and IGN B Fuse
F PARK, LGM #2, LR PARK, RR FOG, RR PARK, TR PARK Fuses, and RR WIPER Circuit Breaker
Underhood Fuse Block
Figure 10:

Ignition Switch - ACCY/RUN, RUN/START, Bus Bars, and IGN B Fuse


Object Number: 1593884  Size: FS
Master Electrical Component List
Control Module References
FRT WPR, IGN 0, RAIN, TBC ACC, TBC IG, and TCM Fuses
Ignition Switch - ACCY/RUN/START, RUN, and START Bus Bars, IGN A and CRNK Fuses
Underhood Fuse Block
Figure 11:

FRT WPR, IGN 0, RAIN, TBC ACC, TBC IG, and, TCM Fuses


Object Number: 1593887  Size: FS
Master Electrical Component List
Control Module References
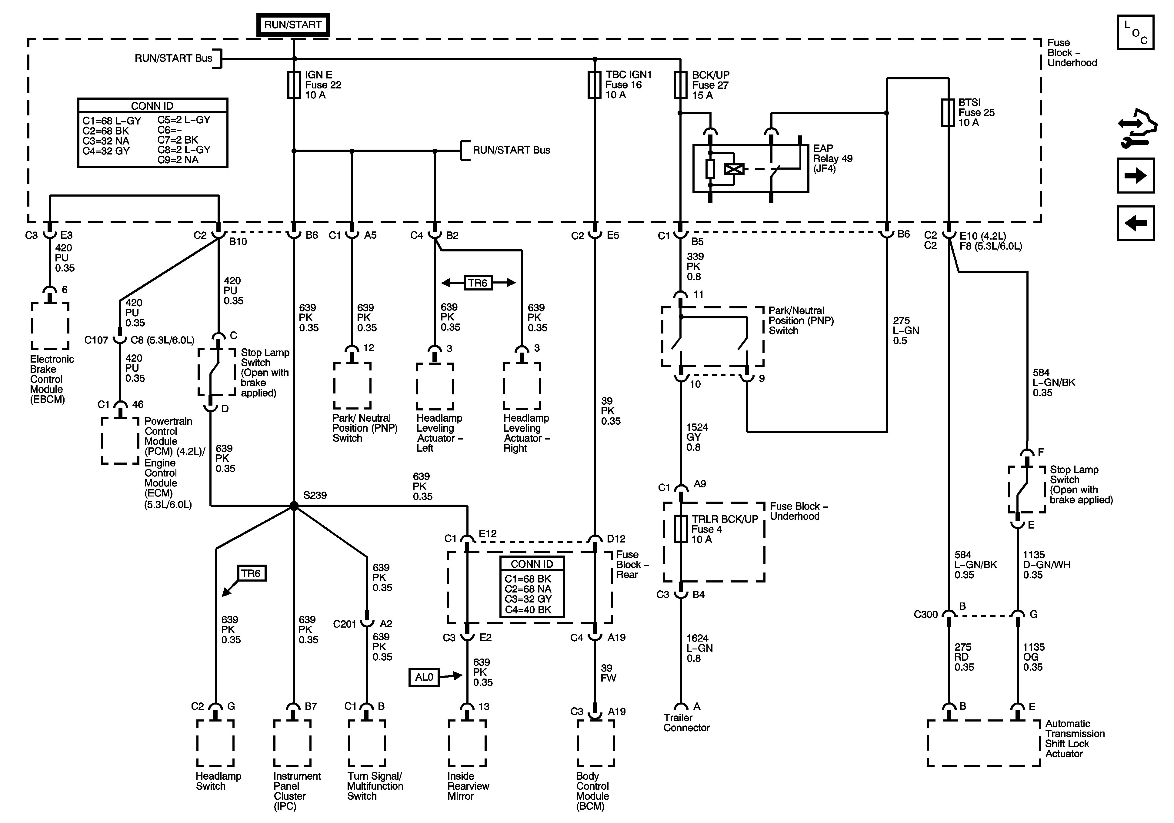
BCK/UP, BTSI, IGN E, TBC IGN1, and TRLR BCK/UP Fuses
ACCY/RUN, RUN/START, Bus Bars, and IGN B Fuse
Figure 12:

BCK/UP, BTSI, IGN E, TBC IGN1, and TRLR BCK/UP Fuses


Object Number: 1593889  Size: FS
Master Electrical Component List
Control Module References
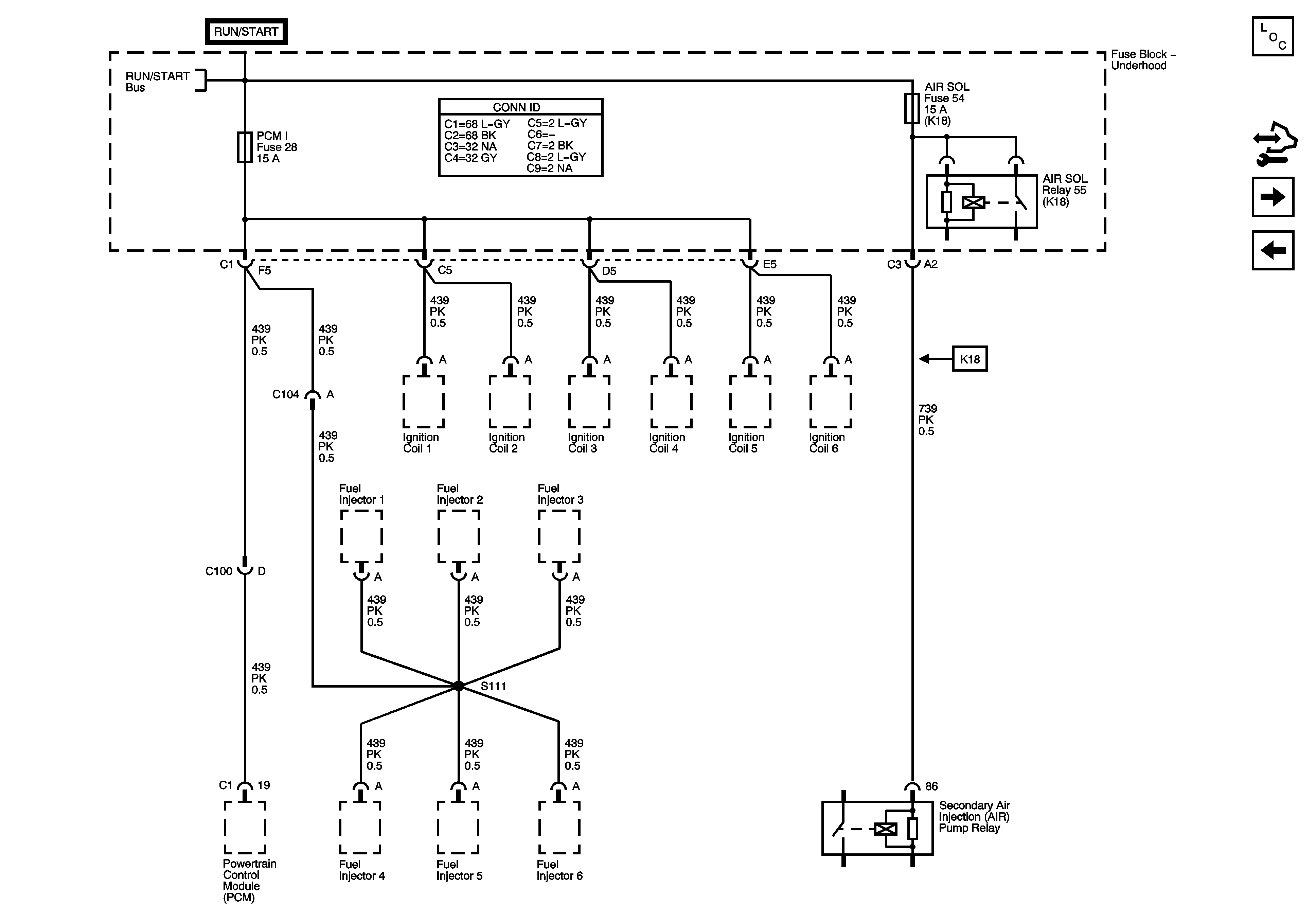
AIR SOL, and PCM I Fuses - 4.2L
FRT WPR, IGN 0, RAIN, TBC ACC, TBC IG, and TCM Fuses
ACCY/RUN, RUN/START, Bus Bars, and IGN B Fuse
ACCY/RUN, RUN/START, Bus Bars, and IGN B Fuse
Figure 13:

AIR SOL, and PCMI Fuses - 4.2L


Object Number: 1593890  Size: FS
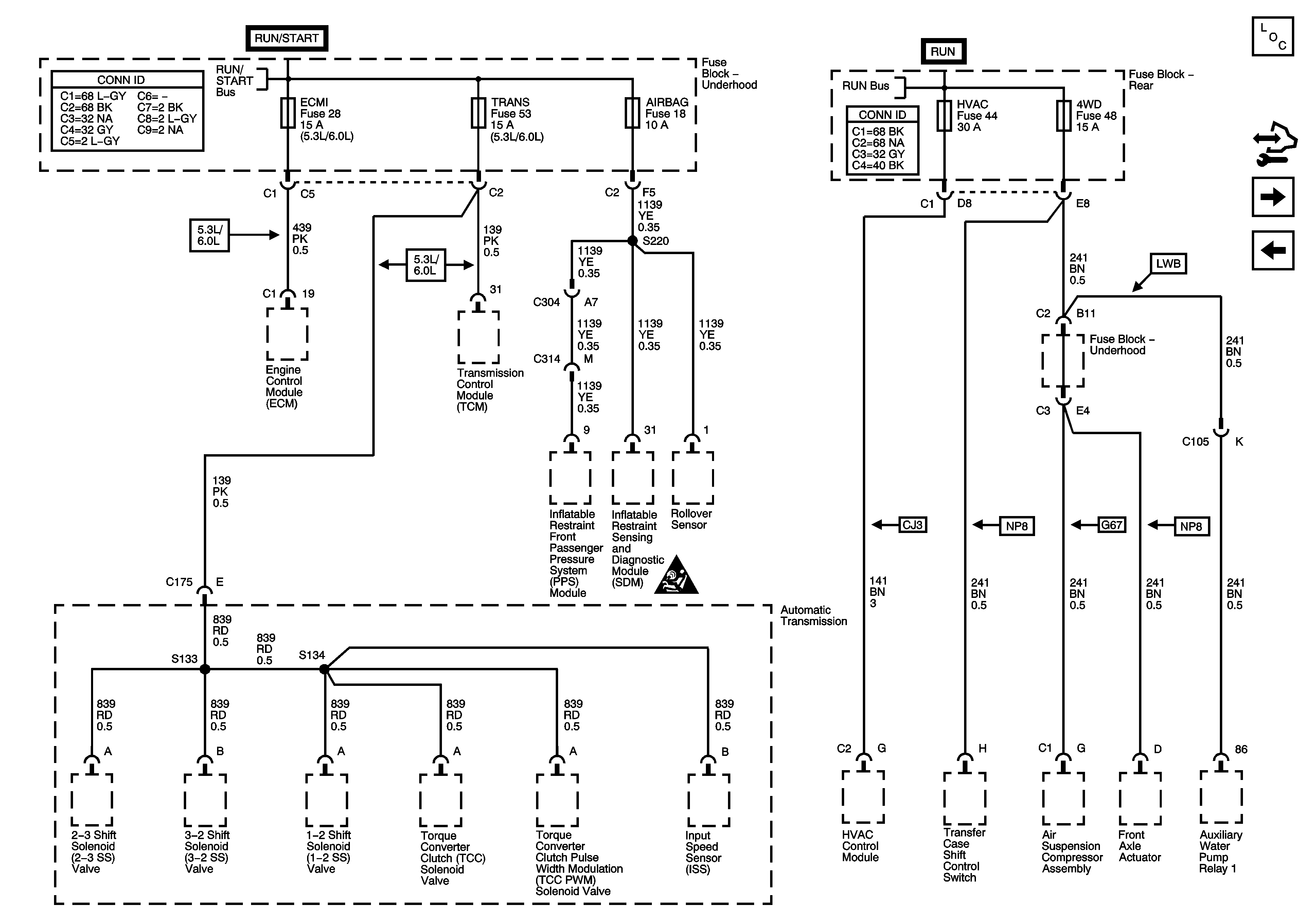
Figure 14:

4WD, AIRBAG, ECM1, HVAC, and TRANS Fuses


Object Number: 1593891  Size: FS
Master Electrical Component List
Control Module References
BRAKE, HVAC I, and TBC RUN Fuses
AIR SOL, and PCM I Fuses - 4.2L
ACCY/RUN, RUN/START, Bus Bars, and IGN B Fuse
Ignition Switch - ACCY/RUN/START, RUN, and START Bus Bars, IGN A and CRNK Fuses
Power and Grounding Schematic Icons
Figure 15:

BRAKE, HVAC I, and TBC RUN Fuses


Object Number: 1593893  Size: FS
Master Electrical Component List
Control Module References
ETC and O2 SNSR Fuses - 4.2L
4WD, AIRBAG, ECMI, HVAC, and TRANS Fuses
Ignition Switch - ACCY/RUN/START, RUN, and START Bus Bars, IGN A and CRNK Fuses
Figure 16:

ETC, and O2 SNSR Fuses - 4.2L


Object Number: 1593897  Size: FS
Master Electrical Component List
Control Module References
ENG I, ETC, INJA, INJB, O2 SNSR A, and O2 SNSR B Fuses - 5.3L/6.0L
BRAKE, HVAC I, and TBC RUN Fuses
Underhood Fuse Block
Figure 17:

ENG I, ETC, INJA, INJB, O2 SNSR A, and O2 SNSR B Fuses - 5.3L/6.0L


Object Number: 1593900  Size: FS
Master Electrical Component List
Control Module References
LT TRUN, RT TRUN, TRLR LT TRN, and TRLR RT TRN Fuses
ETC and O2 SNSR Fuses - 4.2L
ABS, ATC, BLWR, ECAS, ELEC BRK, HAZRD, IPC/DIC, LTR, STOP LAMP, TRLR, VEH CHMSL, VEH STOP, and VSES Fuses
Figure 18:

LT TURN, RT TURN, TRLR LT TRN, and TRLR RT TRN Fuses


Object Number: 1593902  Size: FS
Master Electrical Component List
Control Module References
ENG I, ETC, INJA, INJB, O2 SNSR A, and O2 SNSR B Fuses - 5.3L/6.0L