GM Service Manual Online
For 1990-2009 cars only
Makes
🢒
Chevrolet
🢒
2006
🢒
TrailBlazer - 2WD
🢒 Starting System
Starting System
Starting System
Master Electrical Component List
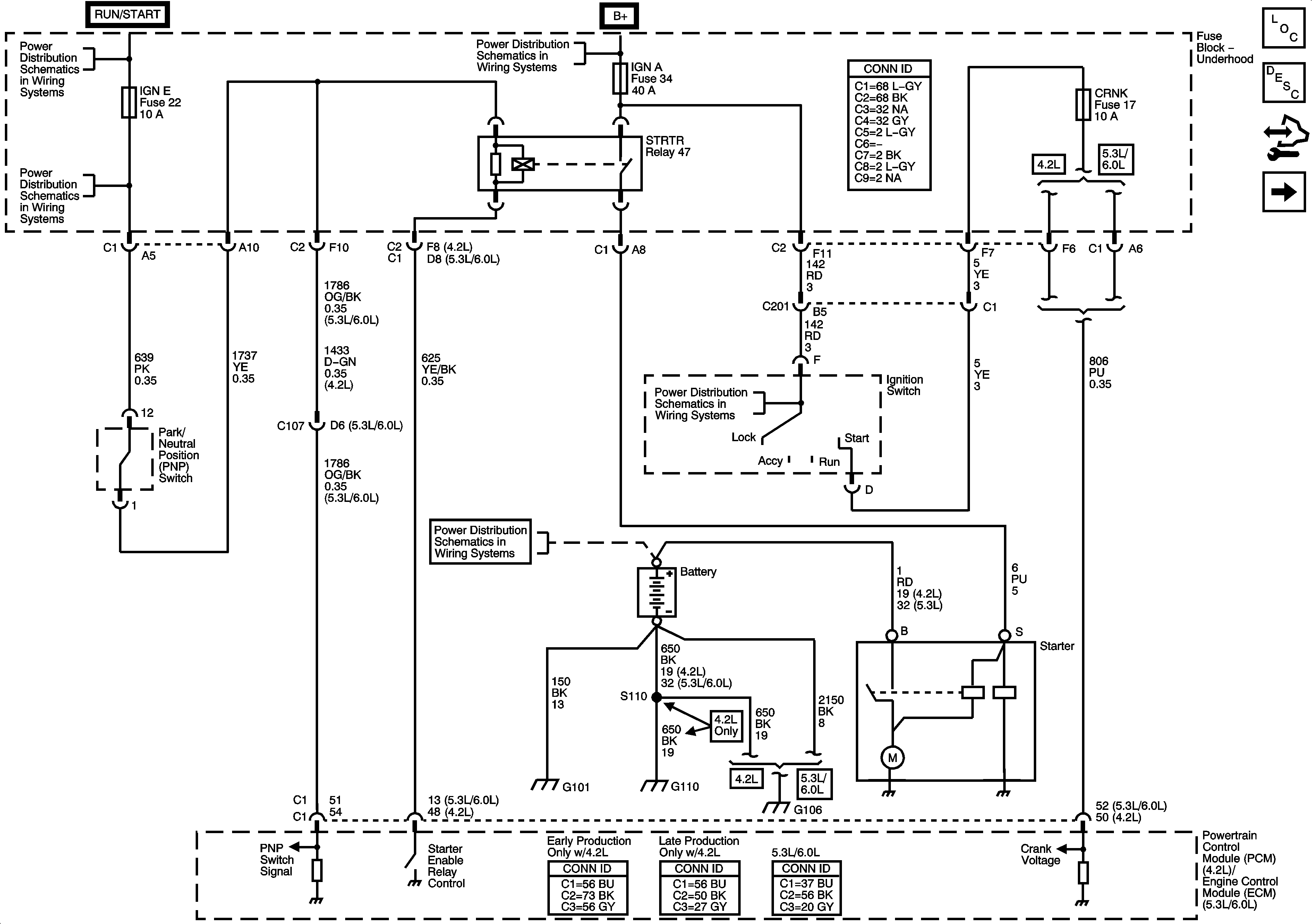
Starting System Description and Operation
Control Module References
Charging System
ACCY/RUN, RUN/START, Bus Bars, and IGN B Fuse
BCK/UP, BTSI, IGN E, TBC IGN1, and TRLR BCK/UP Fuses
Underhood Fuse Block
Underhood Fuse Block