GM Service Manual Online
For 1990-2009 cars only
Makes
🢒
Chevrolet
🢒
2006
🢒
TrailBlazer - 2WD
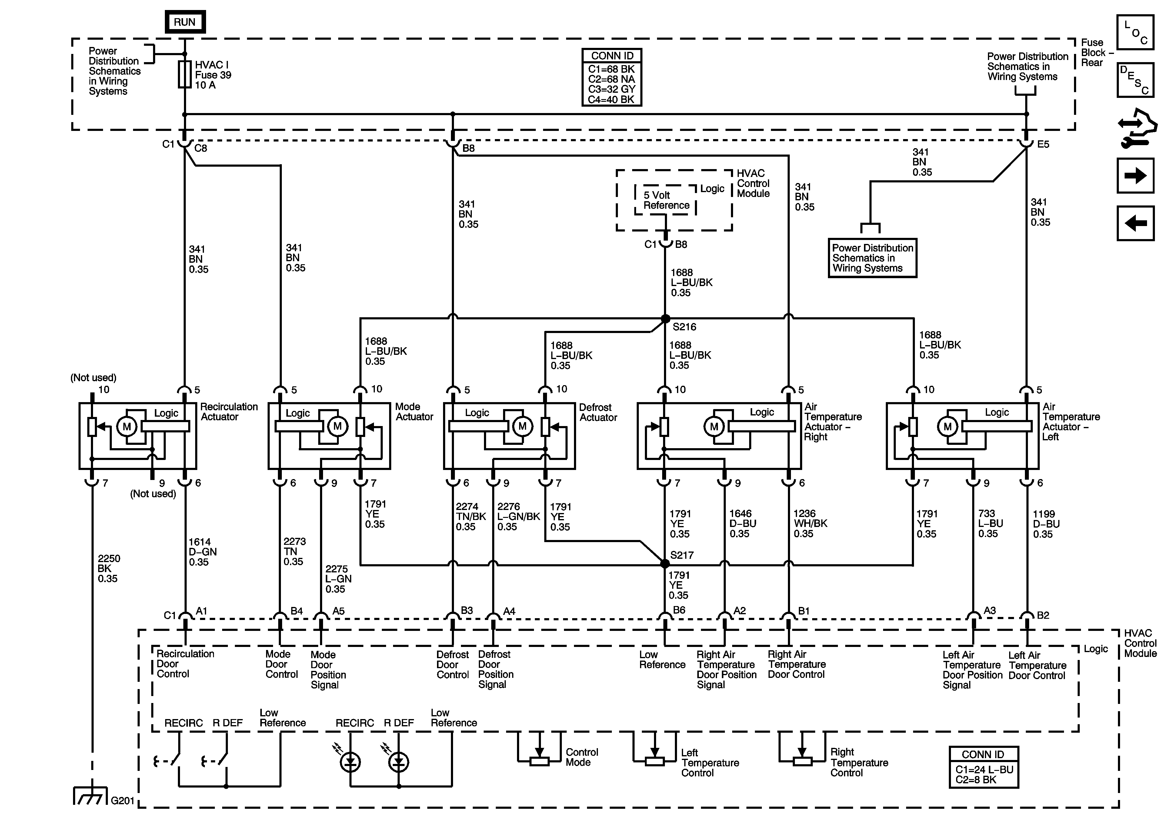
🢒 Air Delivery/Temperature Actuator
Air Delivery/Temperature Actuator
Air Delivery/Temperature Actuator
Master Electrical Component List
Air Delivery Description and Operation
Control Module References
Rear Mode Controls - SWB
Compressor Controls
Ignition Switch - ACCY/RUN/START, RUN, and START Bus Bars, IGN A and CRNK Fuses
BRAKE, HVAC I, and TBC RUN Fuses
BRAKE, HVAC I, and TBC RUN Fuses
G201 - 1 of 2