GM Service Manual Online
For 1990-2009 cars only
Makes
🢒
Chevrolet
🢒
2007
🢒
TrailBlazer - 2WD
🢒
Suspension
🢒
Air Suspension
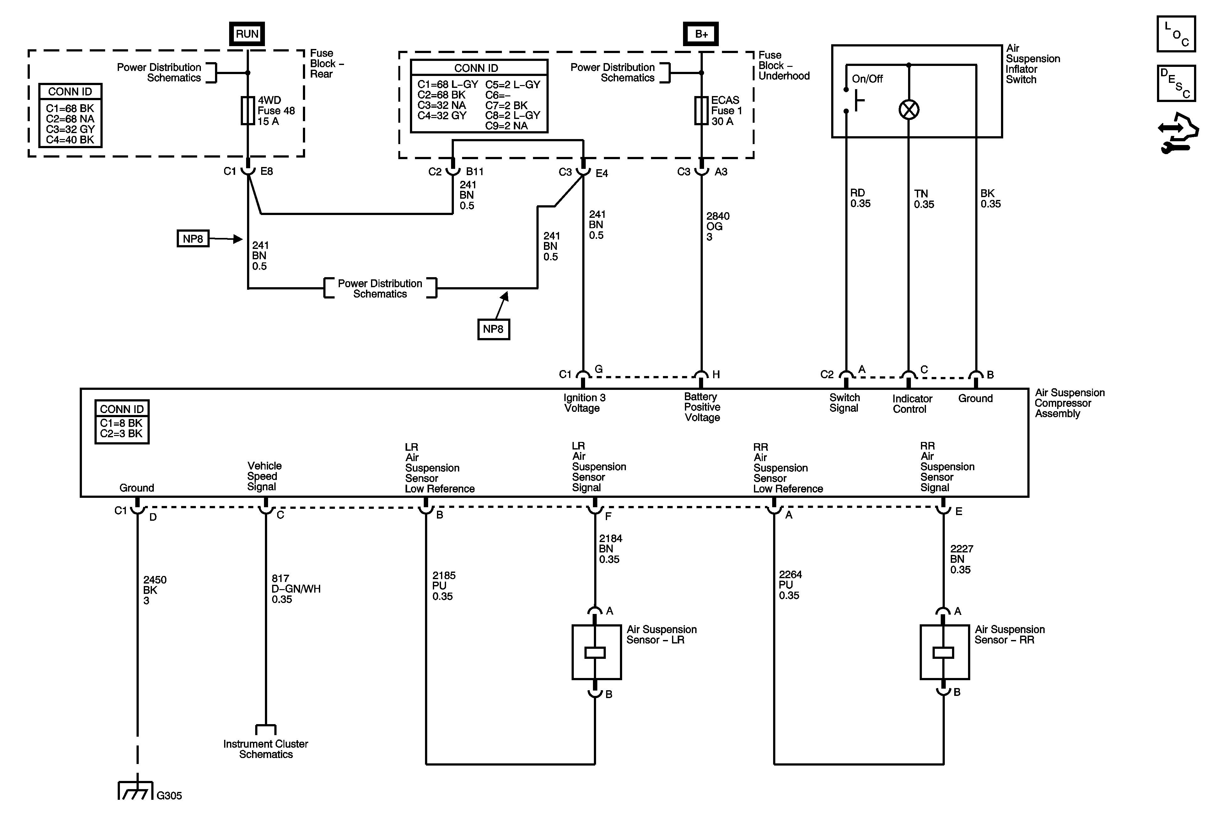
🢒 Air Suspension Schematics
Master Electrical Component List
Air Suspension Description and Operation
Control Module References
Ignition Switch - ACCY/RUN/START, RUN, and START Bus Bars, IGN A and CRNK Fuses
4WD, AIRBAG, ECMI, HVAC, and TRANS Fuses
B+ Bus - Underhood Fuse Block
G201 - 2 of 2, and G305
Gages