GM Service Manual Online
For 1990-2009 cars only
Makes
🢒
Chevrolet
🢒
2007
🢒
TrailBlazer - 2WD
🢒
Power and Signal Distribution
🢒
Wiring Systems and Power Management
🢒 Passenger Seat Schematics
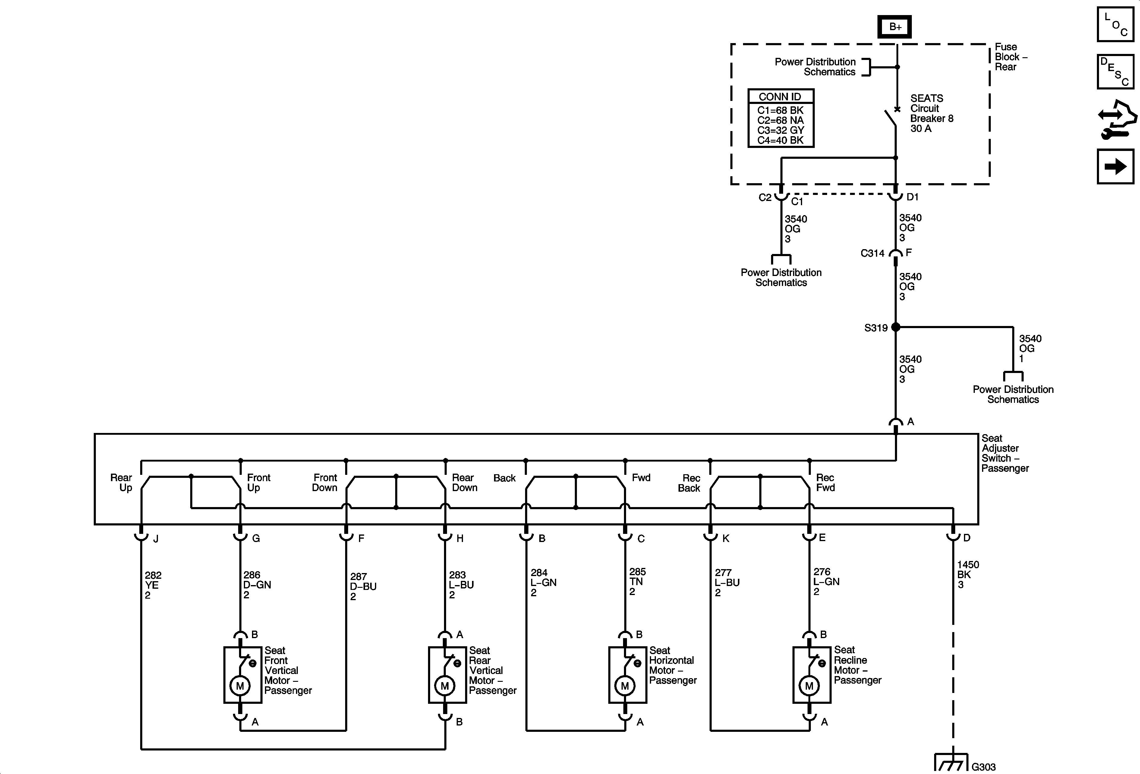
Figure
1:
Power Seat Controls
Master Electrical Component List
Power Seats System Description and Operation
Control Module References
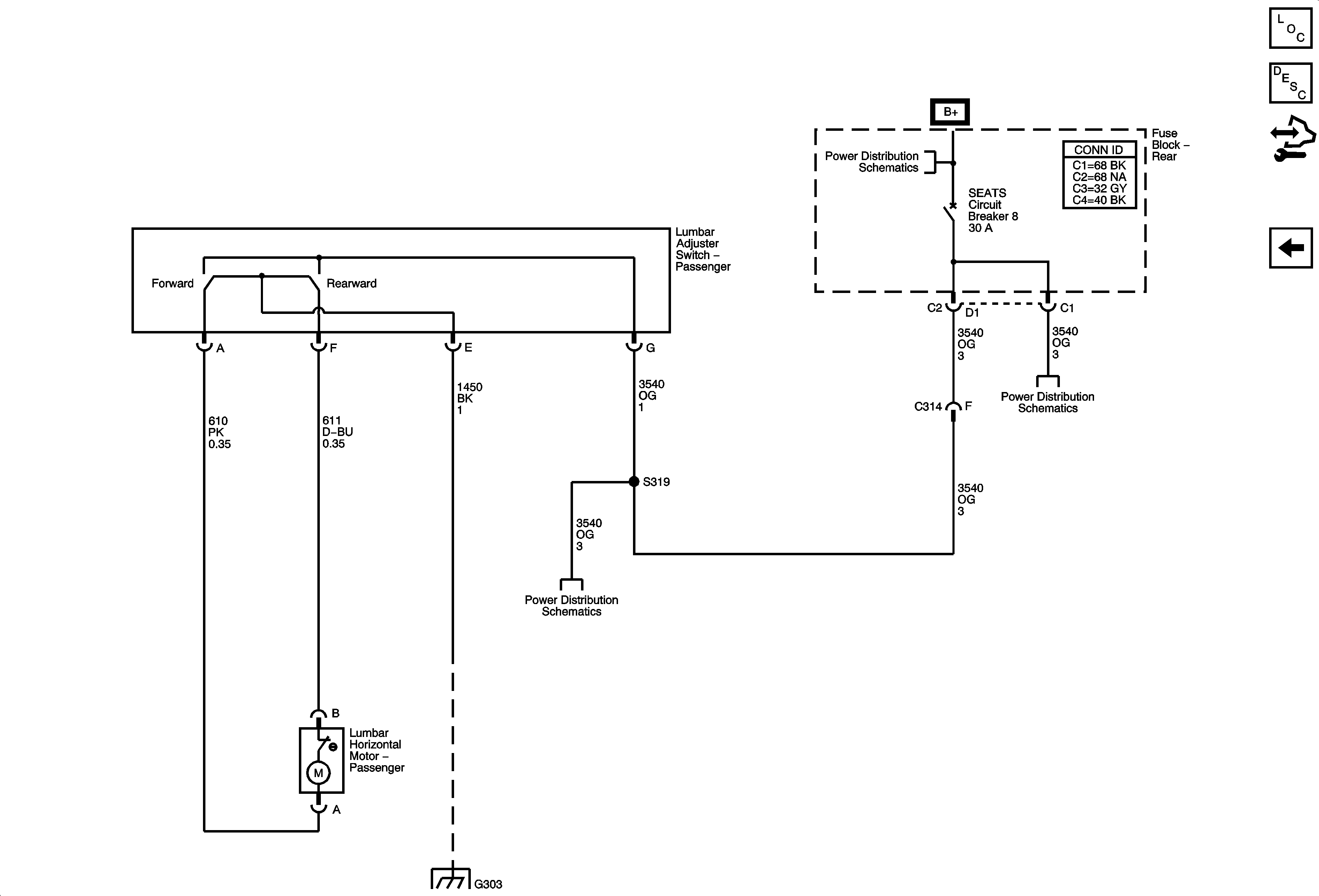
Lumbar Controls
B+ Bus - Underhood Fuse Block
AMP, DDM, PDM Fuses, LT DOORS, RT DOORS, and SEATS Circuit Breakers
AMP, DDM, PDM Fuses, LT DOORS, RT DOORS, and SEATS Circuit Breakers
G302 - 1 of 2, G303, and G304
Figure
2:
Lumbar Controls
Master Electrical Component List
Lumbar Support Description and Operation
Control Module References
Power Seat Controls
B+ Bus - Rear Fuse Block
AMP, DDM, PDM Fuses, LT DOORS, RT DOORS, and SEATS Circuit Breakers
AMP, DDM, PDM Fuses, LT DOORS, RT DOORS, and SEATS Circuit Breakers
G302 - 1 of 2, G303, and G304