GM Service Manual Online
For 1990-2009 cars only
Makes
🢒
Chevrolet
🢒
2007
🢒
TrailBlazer - 2WD
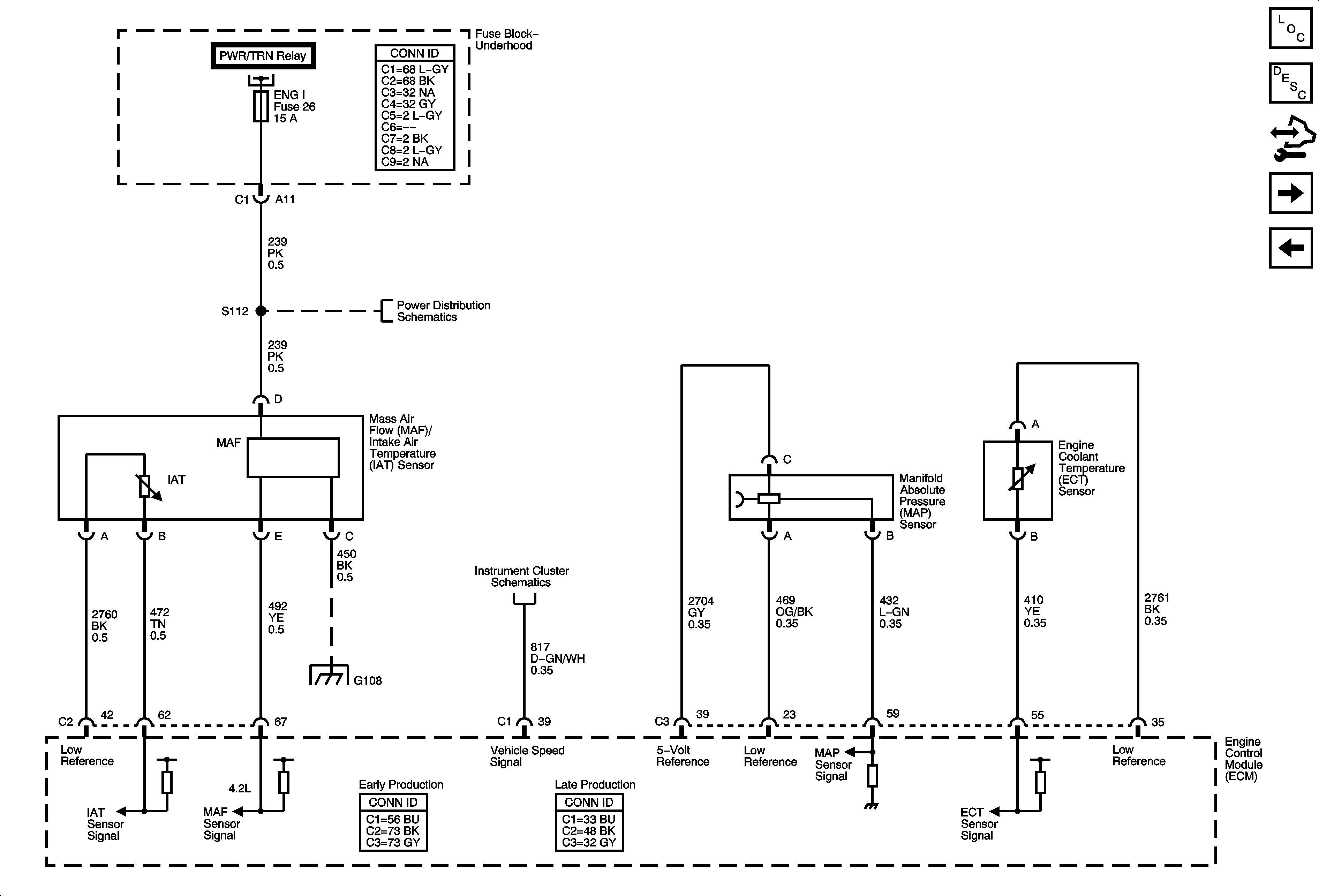
🢒 Engine Data Sensors - MAF, Pressure, Temperature, and VSS
Engine Data Sensors - MAF, Pressure, Temperature, and VSS
Engine Data Sensors - MAF, Pressure, Temperature, and VSS
Master Electrical Component List
Engine Control Module Description
Control Module References
Engine Data Sensors - Oxygen Sensors
Engine Data Sensors - 5-Volt and Low Reference
Underhood Fuse Block - PWR/TRN Relay - 2 of 2
ENG 1, ETC, INJA, INJB, O2 SNSR A, O2 SNSR B Fuses - 5.3L/6.0L
Gages
G108