GM Service Manual Online
For 1990-2009 cars only
Makes
🢒
Chevrolet
🢒
2007
🢒
TrailBlazer - 2WD
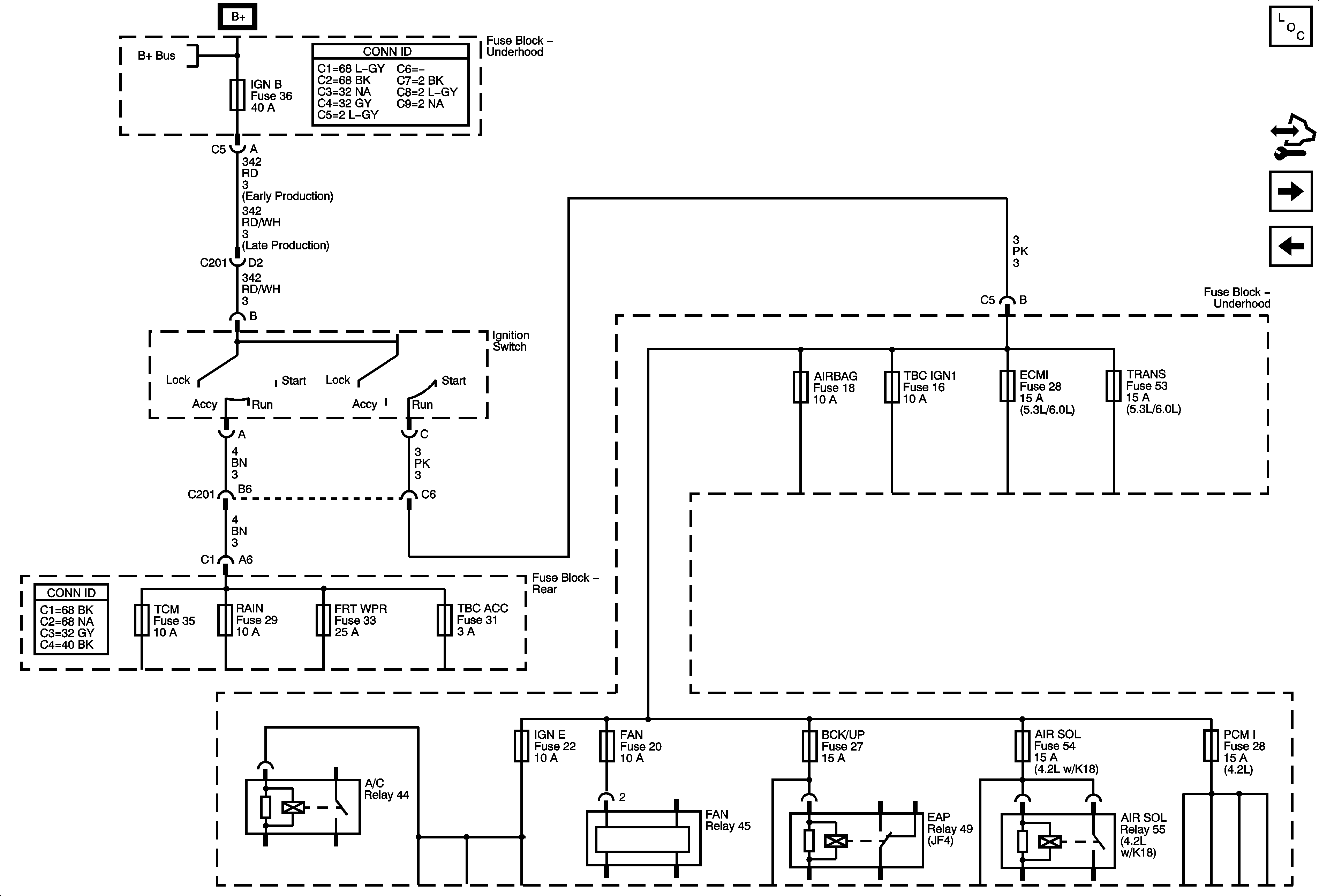
🢒 Ignition Switch - ACCY/RUN, RUN/START Bus Bars and IGN B Fuse
Ignition Switch - ACCY/RUN, RUN/START Bus Bars and IGN B Fuse
Ignition Switch - ACCY/RUN, RUN/START, Bus Bars and IGN B Fuse
Master Electrical Component List
Control Module References
FRT WPR, IGN 0, RAIN, TBC ACC, TBC IG, and TCM Fuses
Ignition Switch - ACCY/RUN/START, RUN, and START Bus Bars, IGN A and CRNK Fuses
B+ Bus - Underhood Fuse Block