GM Service Manual Online
For 1990-2009 cars only
Makes
🢒
Chevrolet
🢒
2007
🢒
TrailBlazer - 2WD
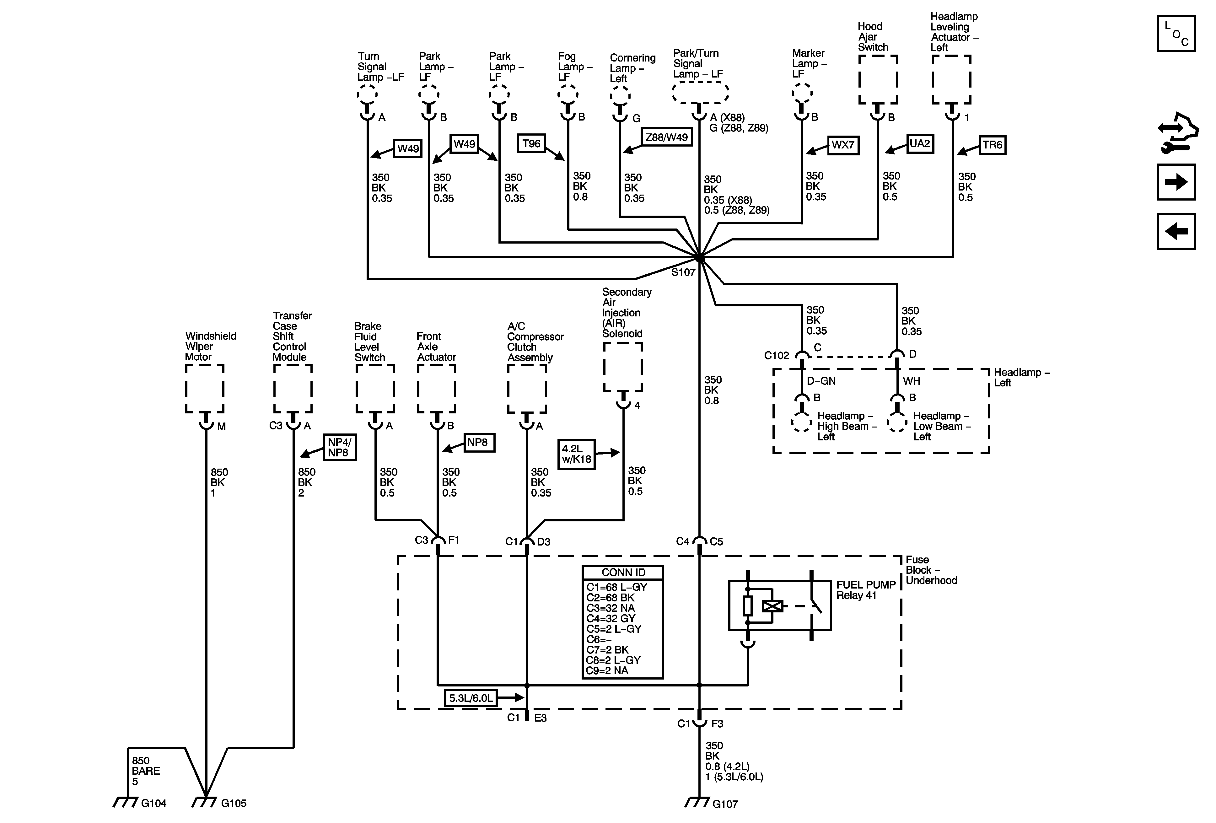
🢒 G104, G105, and G107
G104, G105, and G107
G104, G105, and G107
Master Electrical Component List
Control Module References
G108
G102