GM Service Manual Online
For 1990-2009 cars only
Makes
🢒
Chevrolet
🢒
2007
🢒
TrailBlazer - 2WD
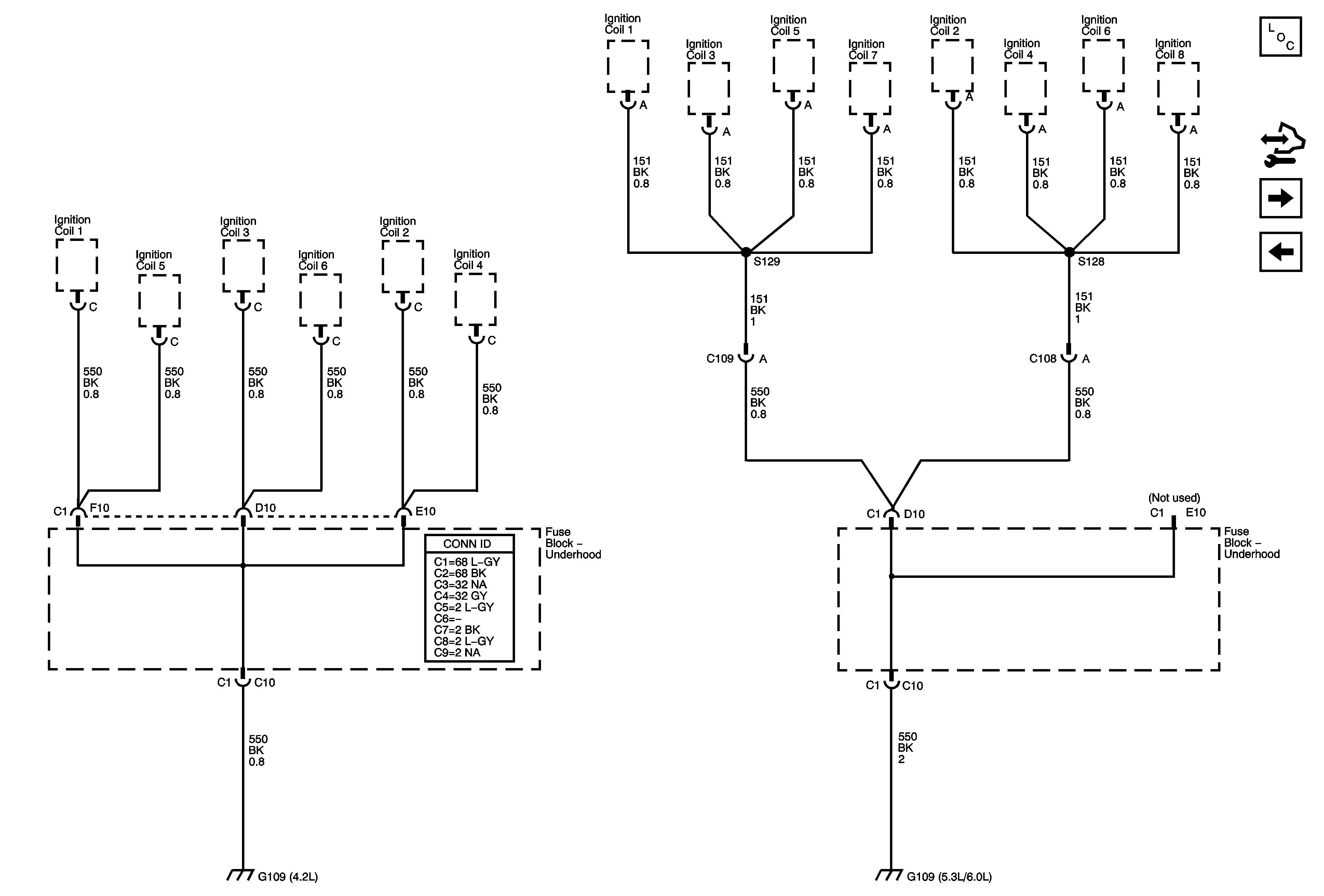
🢒 G109
G109
G109
Master Electrical Component List
Control Module References
G201 - 1 of 2
G108