GM Service Manual Online
For 1990-2009 cars only
Makes
🢒
Chevrolet
🢒
2008
🢒
TrailBlazer - 2WD
🢒
Engine
🢒
Engine Electrical
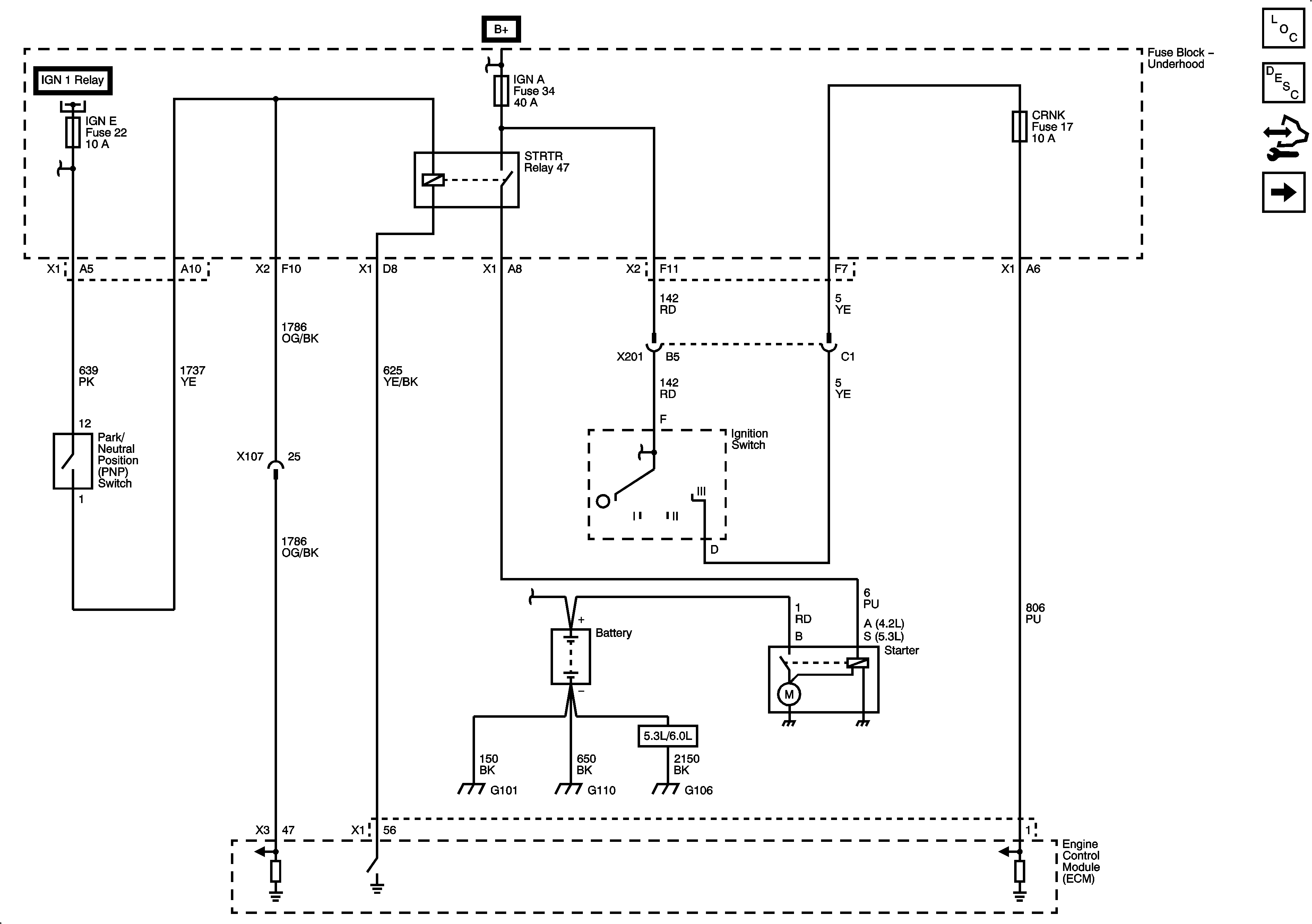
🢒 Starting and Charging Schematics
Figure
1:
Starting System
Master Electrical Component List
Starting System Description and Operation
Control Module References
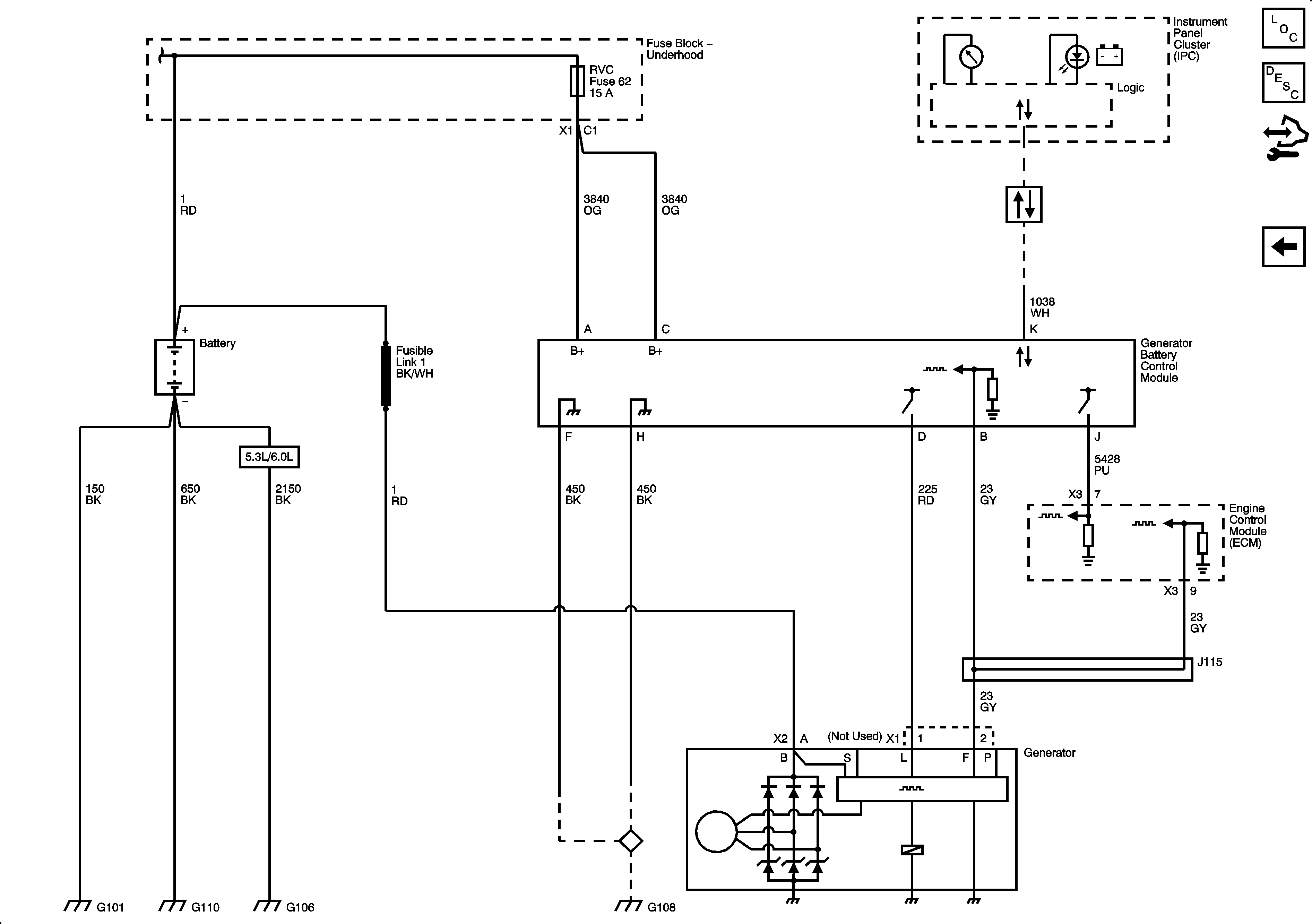
Charging System
Figure
2:
Charging System
Master Electrical Component List
Charging System Description and Operation
Control Module References
Starting System