GM Service Manual Online
For 1990-2009 cars only

Battery Negative Cable Replacement 4.2L Engine

Removal Procedure


    Object Number: 1804767  Size: SH
  1. Disconnect the negative battery cable. Refer to Battery Negative Cable Disconnection and Connection .
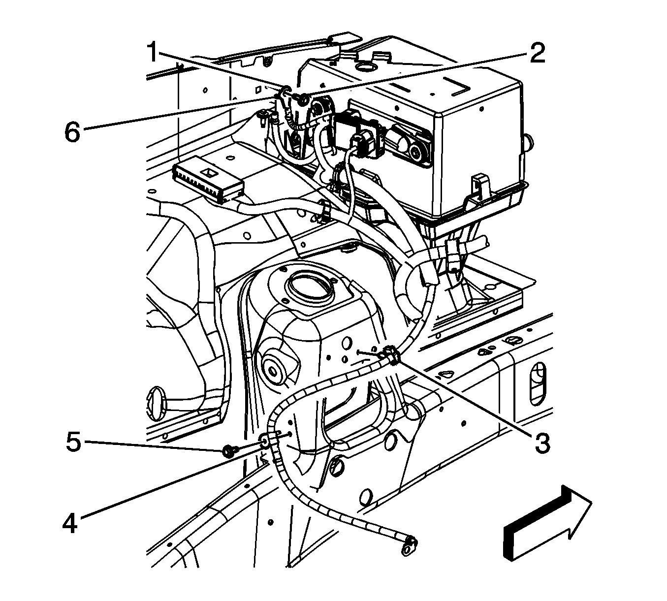
  2. Disconnect the engine wiring harness electrical connector (2) from the generator battery control module.

  3. Object Number: 1804779  Size: SH
  4. Remove the negative battery cable ground terminal bolt (2) at the left wheelhouse panel.
  5. Remove the negative battery cable ground terminal (1) from the left wheelhouse panel.
  6. Remove the negative battery cable ground terminal bolt (5) from the shock tower.
  7. Remove the negative battery cable ground terminal from the shock tower.
  8. Remove the negative battery cable clip (3) from the shock tower.

  9. Object Number: 1804782  Size: SH
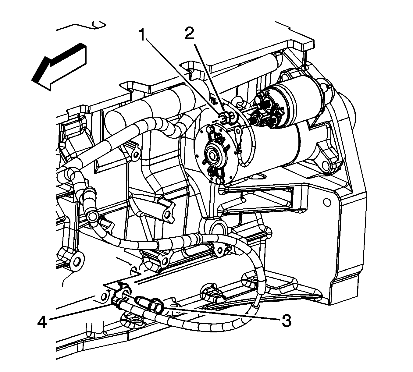
  10. Remove the negative battery cable ground terminal bolt (3) from the engine block.
  11. Remove the negative battery cable ground from the engine block.
  12. Cut the tape wrapped around the conduit and remove the negative battery cable.

Installation Procedure

Important: 

   • The negative battery cable must not be connected to the battery prior to the installation of the engine harness ground terminal to the engine block.
   • The negative battery cable must not be connected to the battery prior to the installation of the instrument panel harness and the engine harness to the powertrain control module.


    Object Number: 1804782  Size: SH
  1. Install the negative battery cable and re-tape the conduit.
  2. Position the negative battery cable ground to the engine block.
  3. Notice: Refer to Fastener Notice in the Preface section.

  4. Install the negative battery cable ground terminal bolt (3) to the engine block.
  5. Tighten
    Tighten the bolt to 50 N·m (37 lb ft).


    Object Number: 1804779  Size: SH
  6. Install the negative battery cable ground terminal to the shock tower. Ensure that the anti-rotation tab is inserted into the hole in the shock tower.
  7. Install the negative battery cable ground terminal bolt (5) to the shock tower.
  8. Tighten
    Tighten the bolt to 10 N·m (89 lb in).

  9. Install the negative battery cable ground terminal (1) to the left wheelhouse panel. Ensure that the anti-rotation tab (6) is inserted into the hole in the wheelhouse panel.
  10. Install the negative battery cable ground terminal bolt (2) at the left wheelhouse panel.
  11. Tighten
    Tighten the bolt to 10 N·m (89 lb in).

  12. Install the negative battery cable clip (3) to the shock tower.

  13. Object Number: 1804767  Size: SH
  14. Connect the engine wiring harness electrical connector (2) to the generator battery control module.
  15. Connect the negative battery cable. Refer to Battery Negative Cable Disconnection and Connection .

Battery Negative Cable Replacement 5.3L and 6.0L Engines

Removal Procedure


    Object Number: 1804784  Size: SH
  1. Disconnect the negative battery cable. Refer to Battery Negative Cable Disconnection and Connection .
  2. Disconnect the engine wiring harness electrical connector from the generator battery control module.

  3. Object Number: 1804770  Size: SH
  4. Remove the negative battery cable ground terminal bolt (2) at the left wheelhouse panel.
  5. Remove the negative battery cable ground terminal (1) from the left wheelhouse panel.
  6. Remove the battery cable from the battery cable clip attached to the junction block bracket.

  7. Object Number: 1804773  Size: SH
  8. Remove the negative battery cable ground bolt (7) from the shock tower.
  9. Remove the negative battery cable ground terminal (6) from the shock tower.
  10. Remove the negative battery cable clip (5) from the shock tower.

  11. Object Number: 1804776  Size: SH
  12. Remove the negative battery cable terminal bolt (2) from the engine block.
  13. Remove the negative battery cable ground (1) from the engine block.
  14. Cut the tape wrapped around the conduit and remove the negative battery cable.

Installation Procedure

Important: 

   • The negative battery cable must not be connected to the battery prior to the installation of the engine harness ground terminal to the engine block.
   • The negative battery cable must not be connected to the battery prior to the installation of the instrument panel harness and the engine harness to the powertrain control module.


    Object Number: 1804776  Size: SH
  1. Install the negative battery cable and re-tape the conduit.
  2. Position the negative battery cable ground (1) to the engine block.
  3. Notice: Refer to Fastener Notice in the Preface section.

  4. Install the negative battery cable ground terminal bolt (2) to the engine block.
  5. Tighten
    Tighten the bolt to 50 N·m (37 lb ft).


    Object Number: 1804773  Size: SH
  6. Position the negative battery cable ground terminal (6) to the shock tower.
  7. Install the negative battery cable ground bolt (7) to the shock tower.
  8. Tighten
    Tighten the bolt to 10 N·m (89 lb in).

  9. Install the negative battery cable clip (5) to the shock tower.

  10. Object Number: 1804770  Size: SH
  11. Install the negative battery cable ground terminal (1) to the left wheelhouse panel. Ensure that the anti-rotation tab (3) is inserted into the hole in the wheelhouse panel.
  12. Install the negative battery cable ground terminal bolt (2) at the left wheelhouse panel.
  13. Tighten
    Tighten the bolt to 10 N·m (89 lb in).

  14. Install the battery cable to the battery cable clip attached to the junction block bracket.

  15. Object Number: 1804784  Size: SH
  16. Connect the engine wiring harness electrical connector to the generator battery control module.
  17. Connect the negative battery cable. Refer to Battery Negative Cable Disconnection and Connection .