GM Service Manual Online
For 1990-2009 cars only
Figure 1:

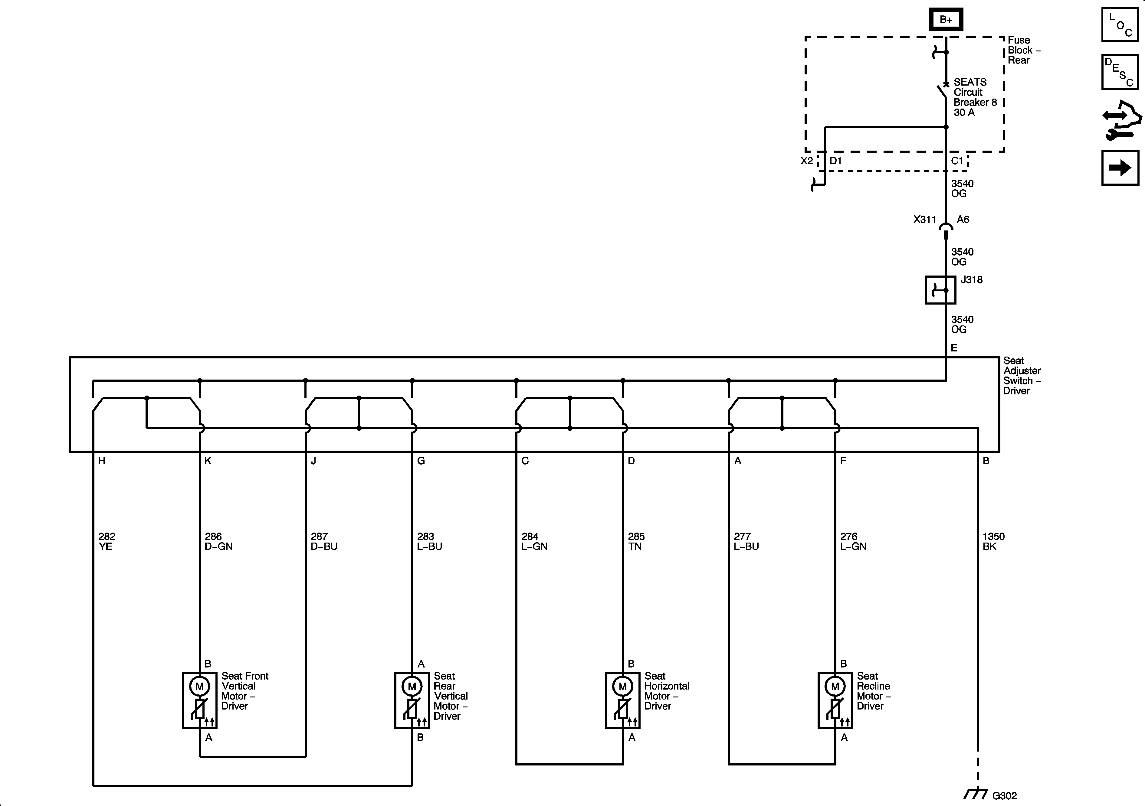
Power Seat Controls w/o Memory


Object Number: 1924124  Size: FS
Master Electrical Component List
Power Seats System Description and Operation
Control Module References
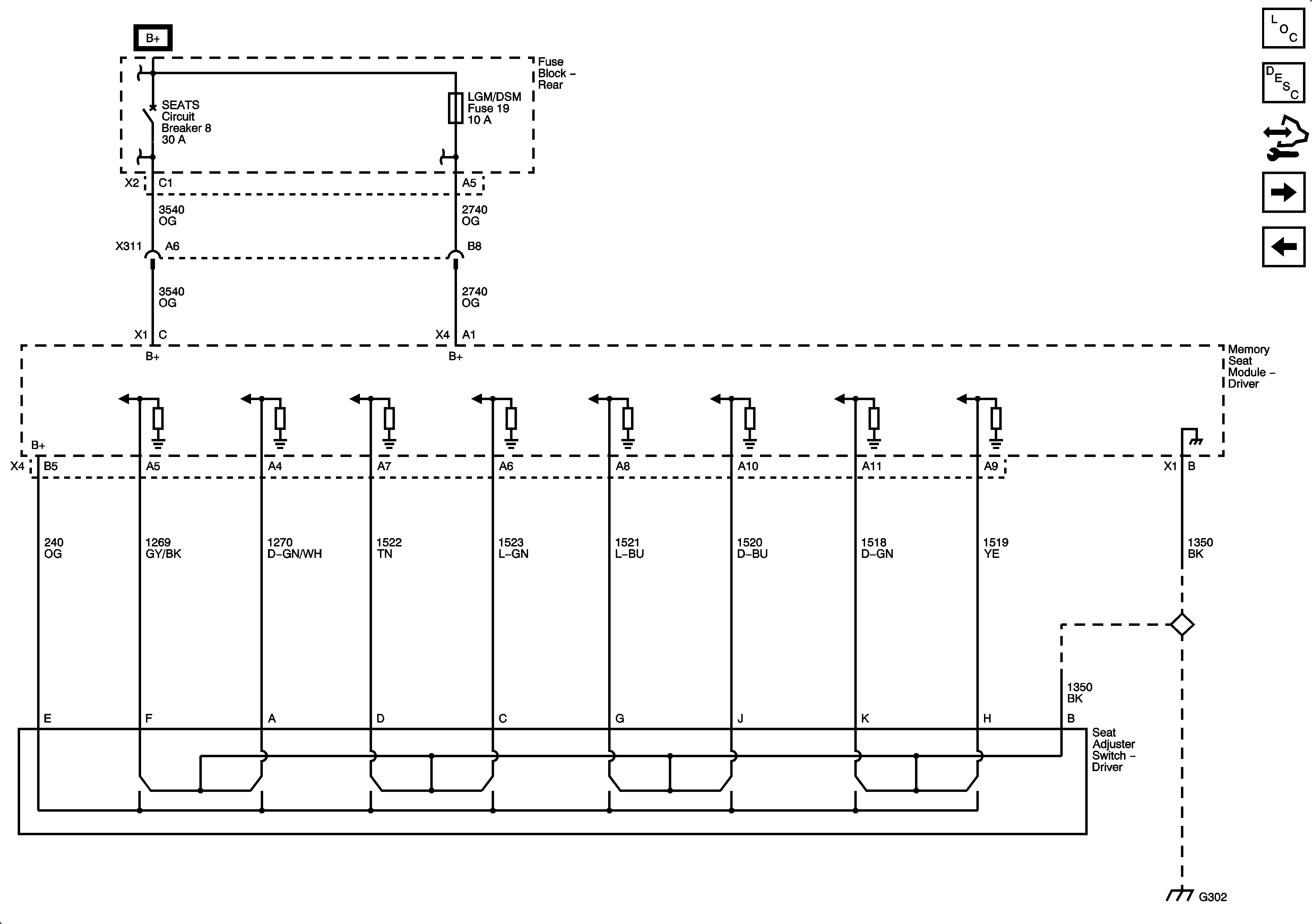
Power Seat Controls w/Memory - Power, Ground, and Switch Controls
Figure 2:

Power Seat Controls w/Memory - Power, Ground, and Switch Controls


Object Number: 1924125  Size: FS
Master Electrical Component List
Power Seats System Description and Operation
Control Module References
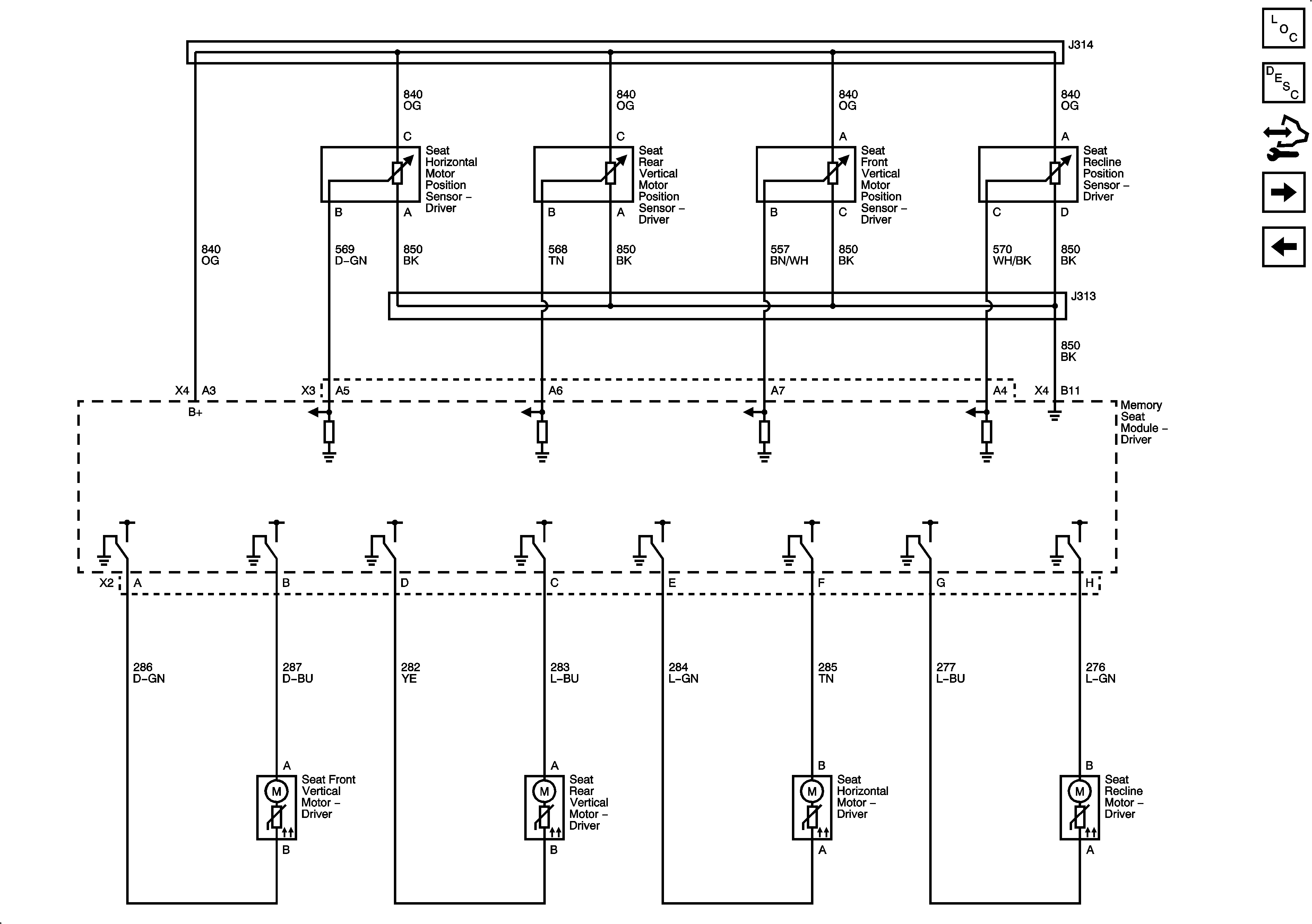
Power Seat Controls w/Memory - Motors and Position Sensors
Power Seat Controls w/o Memory
Figure 3:

Power Seat Controls w/Memory - Motors and Position Sensors


Object Number: 1924126  Size: FS
Master Electrical Component List
Power Seats System Description and Operation
Control Module References
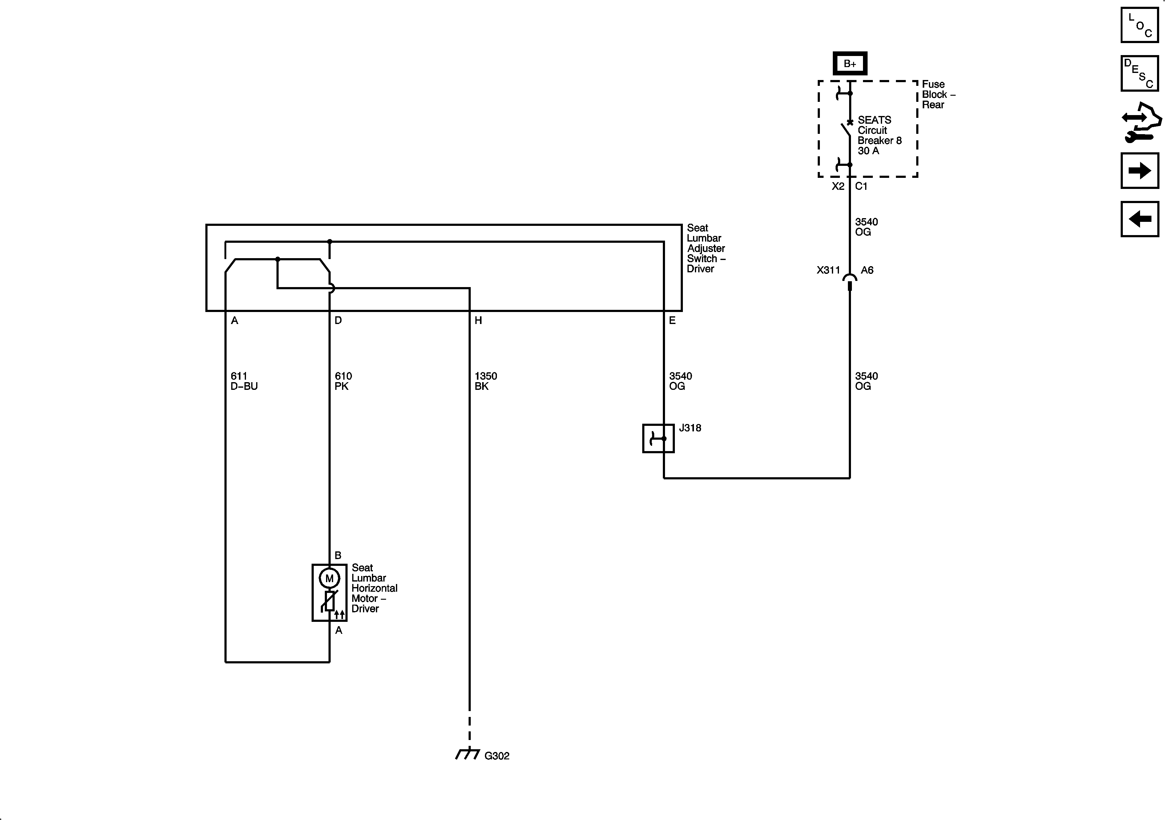
Lumbar Controls - w/o Memory
Power Seat Controls w/Memory - Power, Ground, and Switch Controls
Figure 4:

Lumbar Controls - w/o Memory


Object Number: 1924127  Size: FS
Master Electrical Component List
Lumbar Support Description and Operation
Control Module References
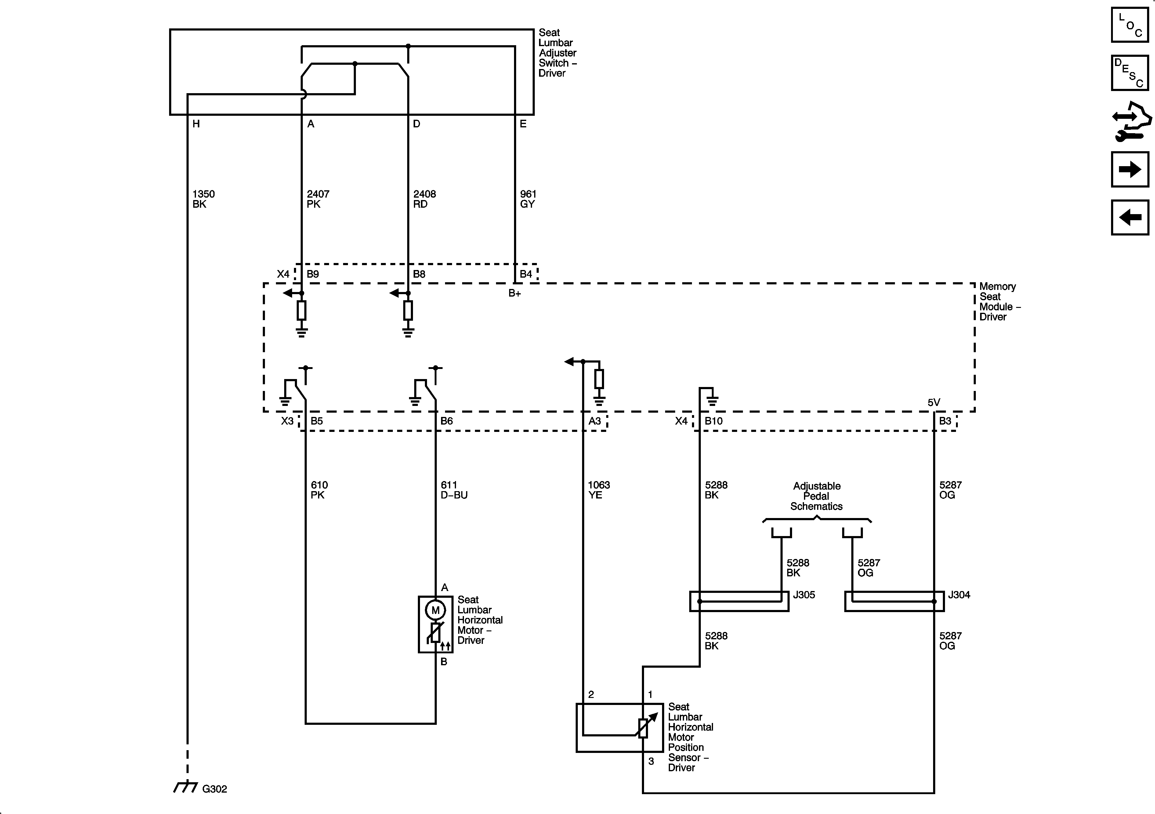
Lumbar Controls - w/Memory
Power Seat Controls w/Memory - Motors and Position Sensors
Figure 5:

Lumbar Controls - w/Memory


Object Number: 1924129  Size: FS
Master Electrical Component List
Lumbar Support Description and Operation
Control Module References
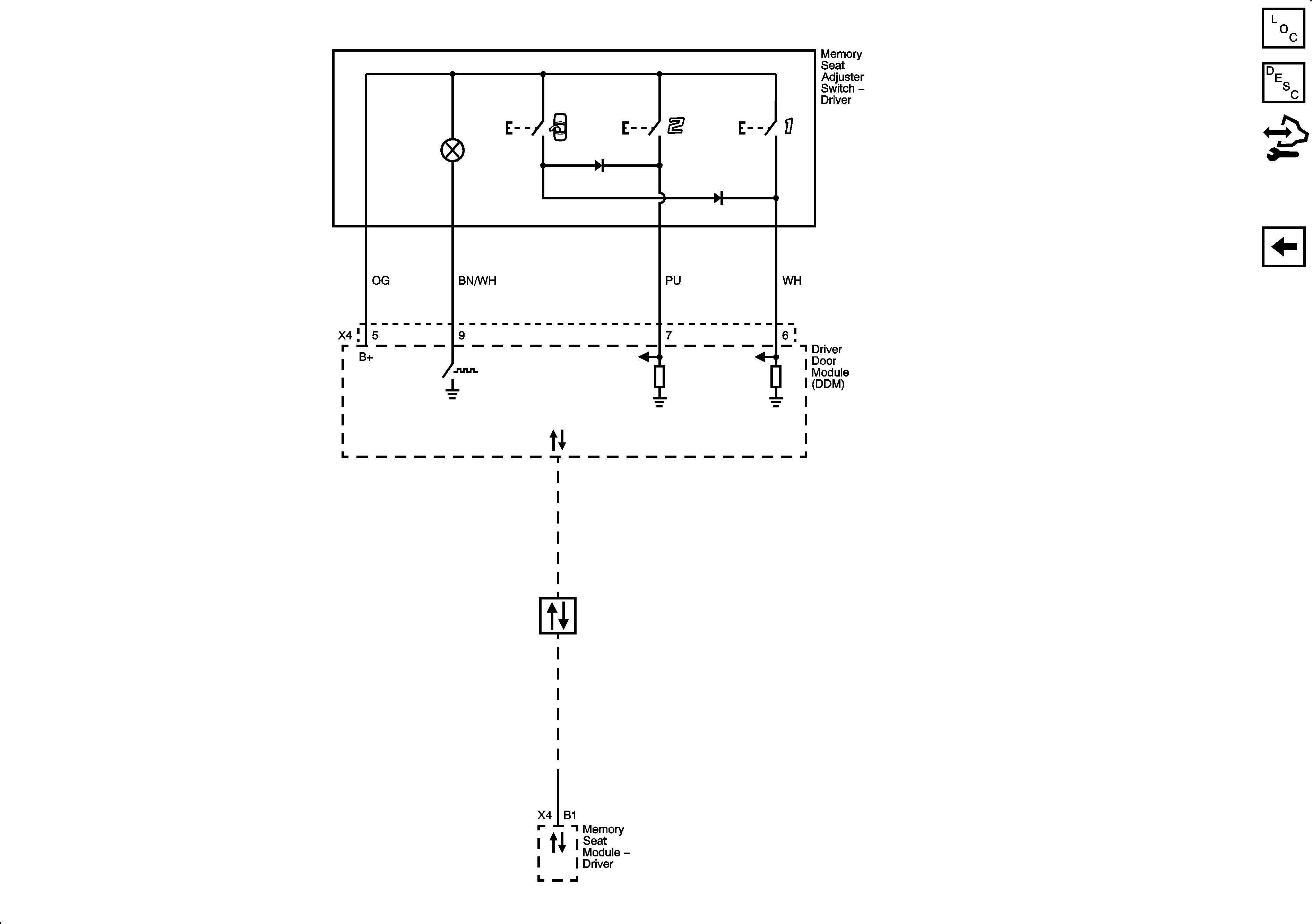
Memory Controls
Lumbar Controls - w/o Memory
Figure 6:

Memory Controls


Object Number: 1924130  Size: FS
Master Electrical Component List
Memory Seats Description and Operation
Control Module References
Lumbar Controls - w/Memory