GM Service Manual Online
For 1990-2009 cars only
Makes
🢒
Chevrolet
🢒
2008
🢒
TrailBlazer - 2WD
🢒
Diagnostic Navigation
🢒
Vehicle Diagnostic Information
🢒 Data Communication Schematics
Figure
1:
Power, Ground, and Data Link Connector
Master Electrical Component List
Data Link Communications Description and Operation
Control Module References
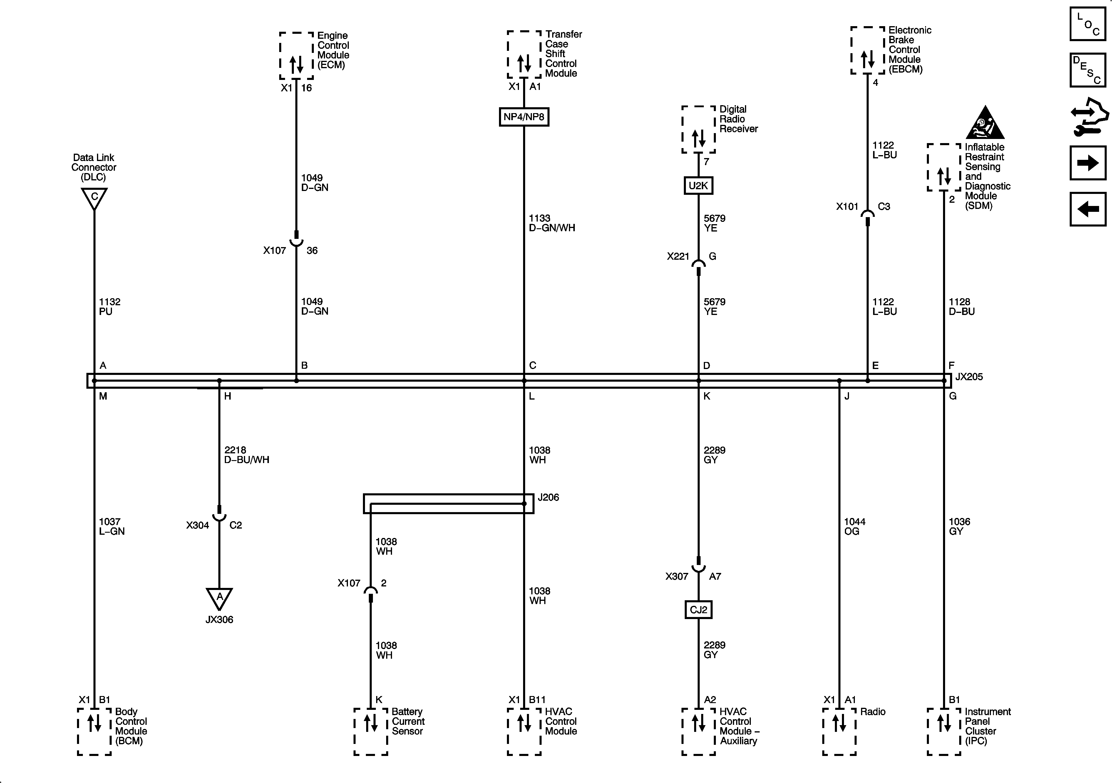
SP205
Figure
2:
SP205
Master Electrical Component List
Data Link Communications Description and Operation
Control Module References
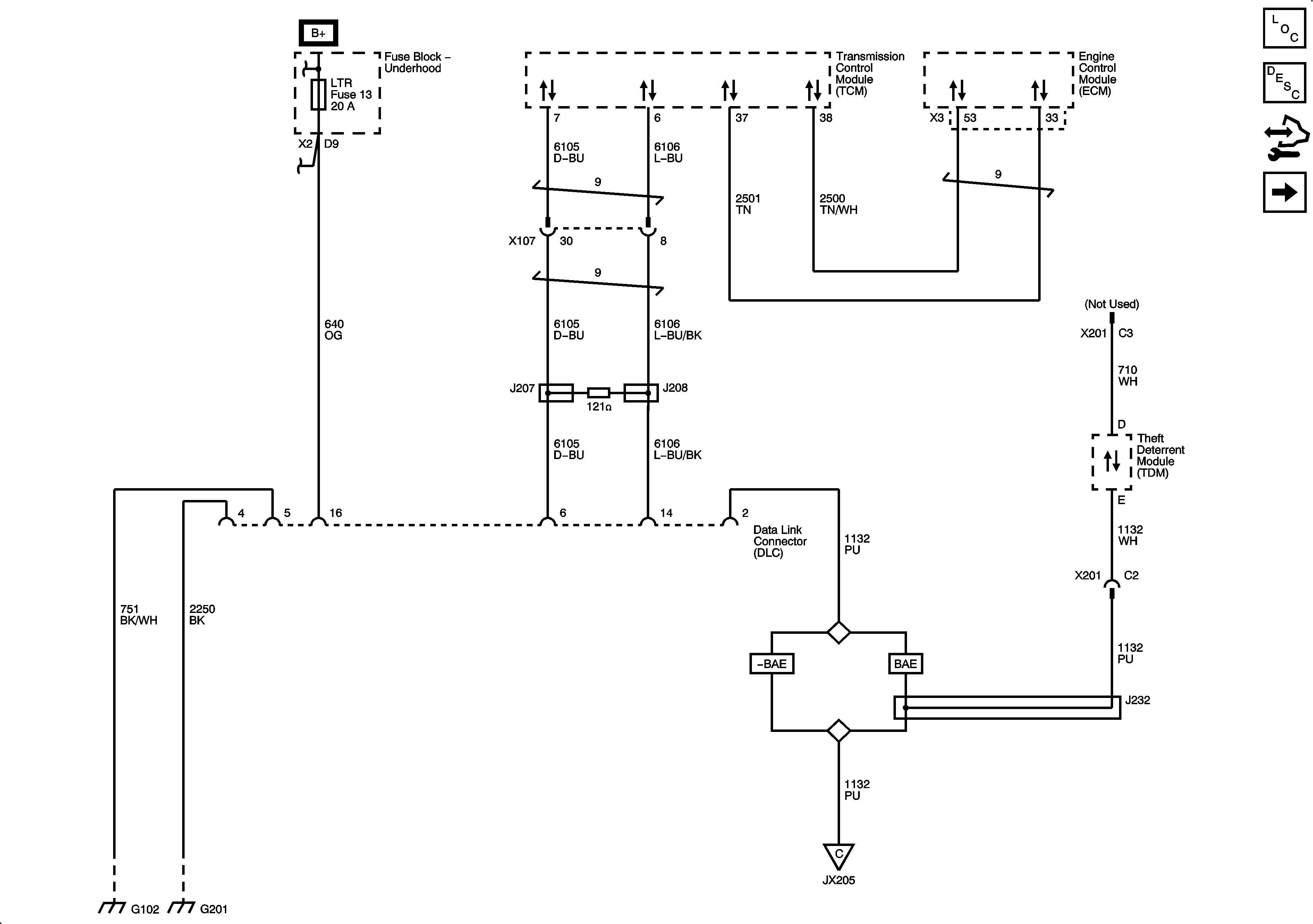
SP306
Power, Ground, and Data Link Connector
Figure
3:
SP306
Master Electrical Component List
Data Link Communications Description and Operation
Control Module References
SP205