GM Service Manual Online
For 1990-2009 cars only
Figure 1:

Module Power, Ground, Serial Data, and MIL


Object Number: 1923502  Size: FS
Master Electrical Component List
Engine Control Module Description
Control Module References
Engine Data Sensors - 5-Volt and Low Reference
Figure 2:

Engine Data Sensors - 5-Volt and Low Reference


Object Number: 1923507  Size: FS
Master Electrical Component List
Electronic Ignition (EI) System Description
Control Module References
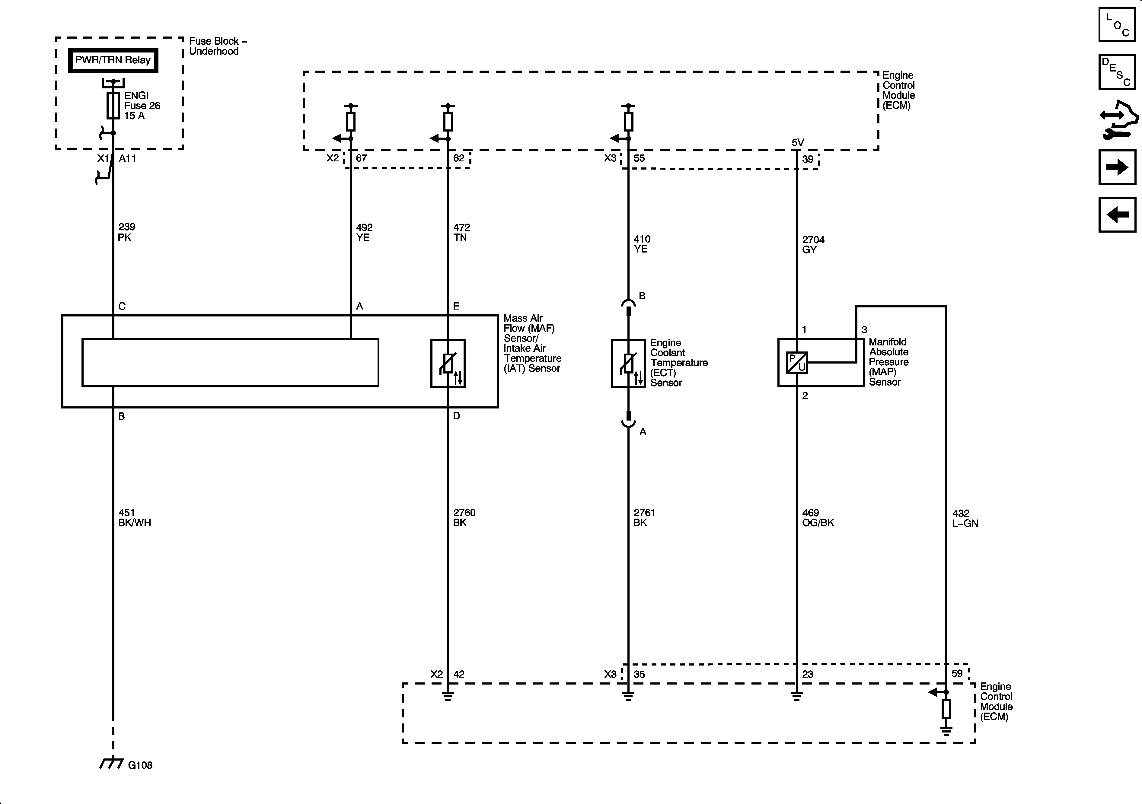
Engine Data Sensors - Pressure and Temperature
Module Power, Ground, Serial Data, and MIL
Figure 3:

Engine Data Sensors - Pressure and Temperature


Object Number: 1923512  Size: FS
Master Electrical Component List
Electronic Ignition (EI) System Description
Control Module References
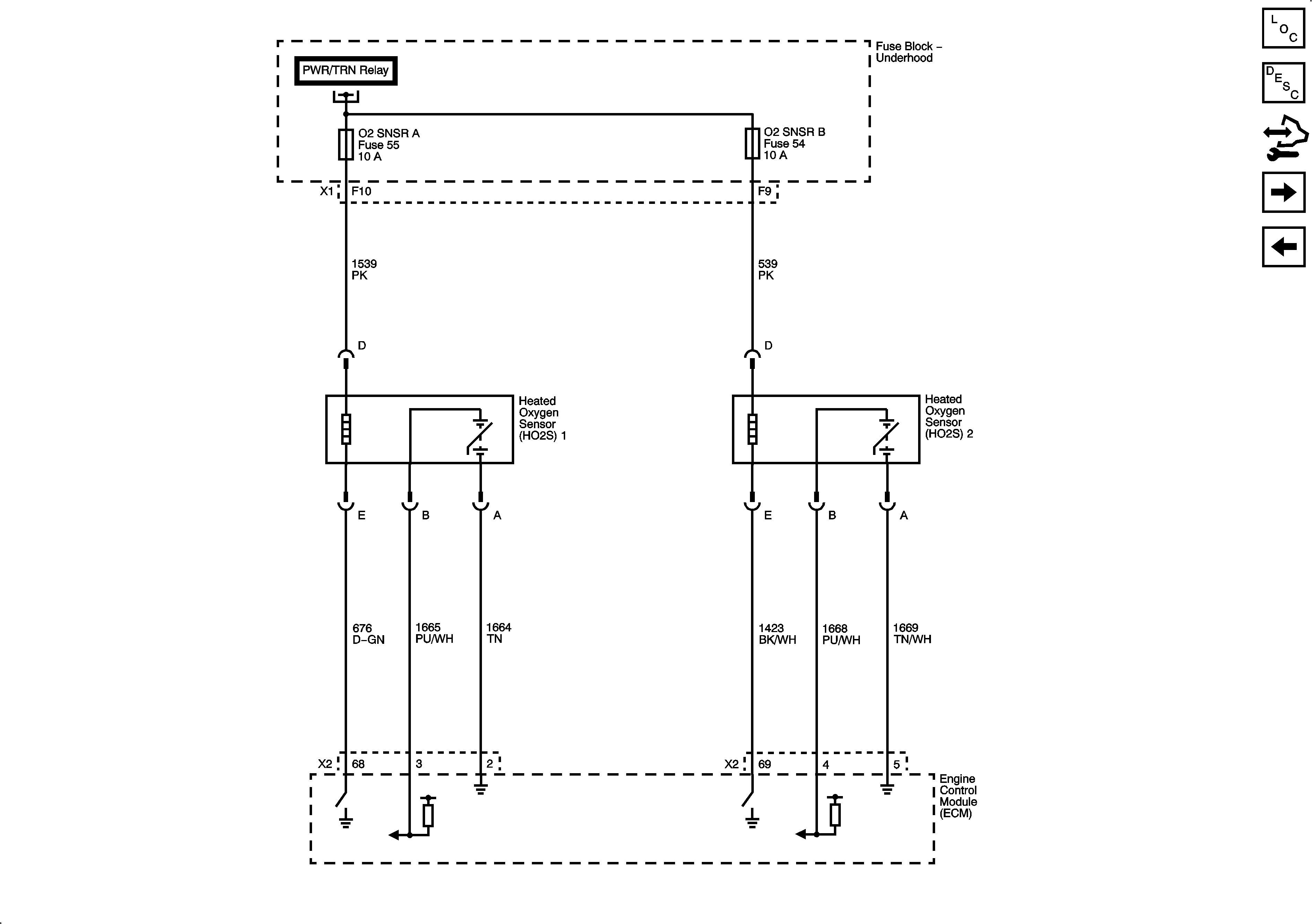
Engine Data Sensors - Oxygen Sensors
Engine Data Sensors - 5-Volt and Low Reference
Figure 4:

Engine Data Sensors - Oxygen Sensors


Object Number: 1923517  Size: FS
Master Electrical Component List
Electronic Ignition (EI) System Description
Control Module References
Engine Data Sensors - Throttle Actuator Control and VSS
Engine Data Sensors - Pressure and Temperature
Figure 5:

Engine Data Sensors - Electronic Throttle Control


Object Number: 1923521  Size: FS
Master Electrical Component List
Throttle Actuator Control (TAC) System Description
Control Module References
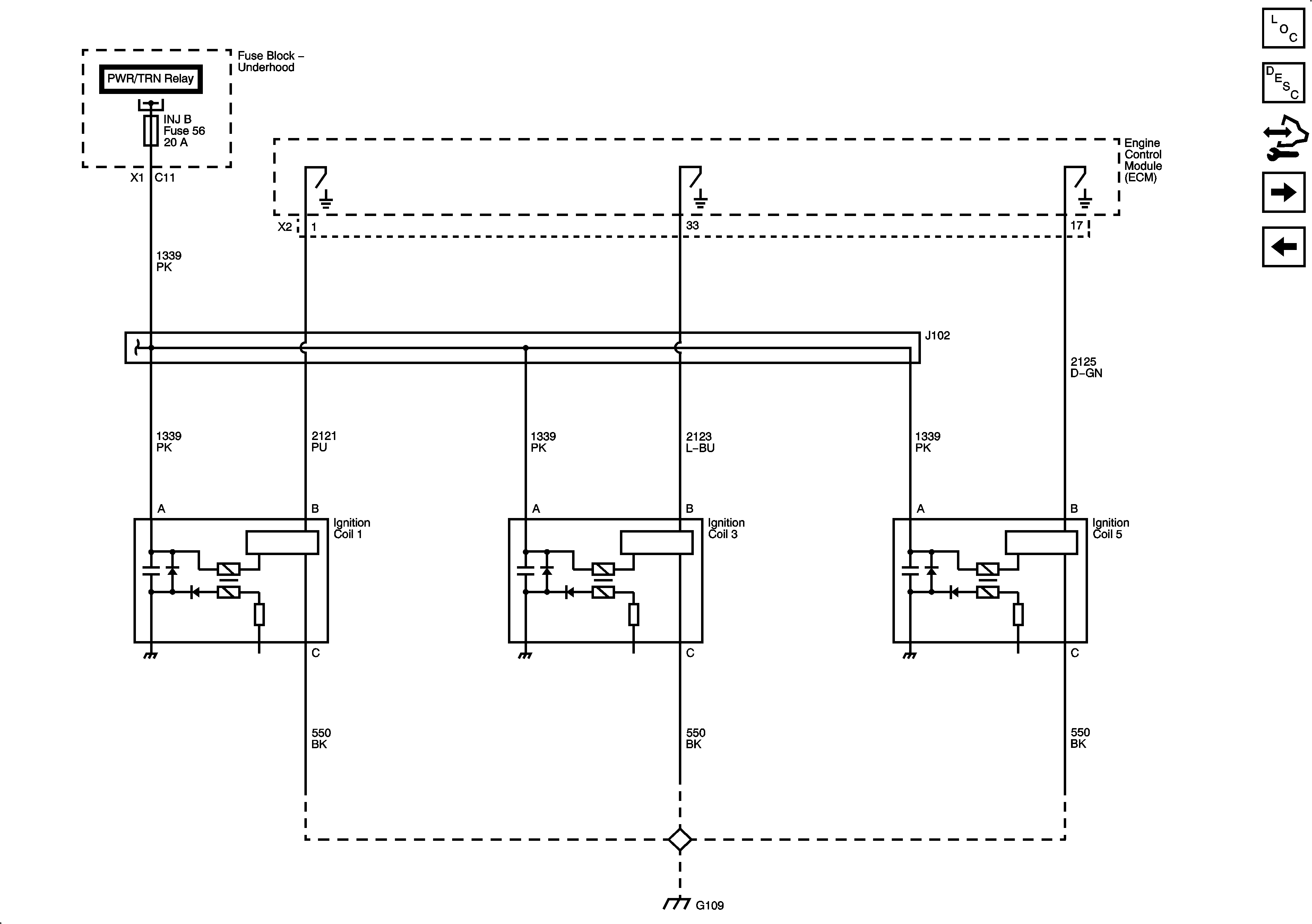
Ignition Controls - Ignition System Coils 1, 3, and 5
Engine Data Sensors - Oxygen Sensors
Figure 6:

Ignition Controls - Ignition System Coils 1, 3, and 5


Object Number: 1923523  Size: FS
Master Electrical Component List
Electronic Ignition (EI) System Description
Control Module References
Ignition Controls - Ignition System Coils 2, 4, and 6
Engine Data Sensors - Throttle Actuator Control and VSS
Figure 7:

Ignition Controls - Ignition System Coils 2, 4 and 6


Object Number: 1923525  Size: FS
Master Electrical Component List
Electronic Ignition (EI) System Description
Control Module References
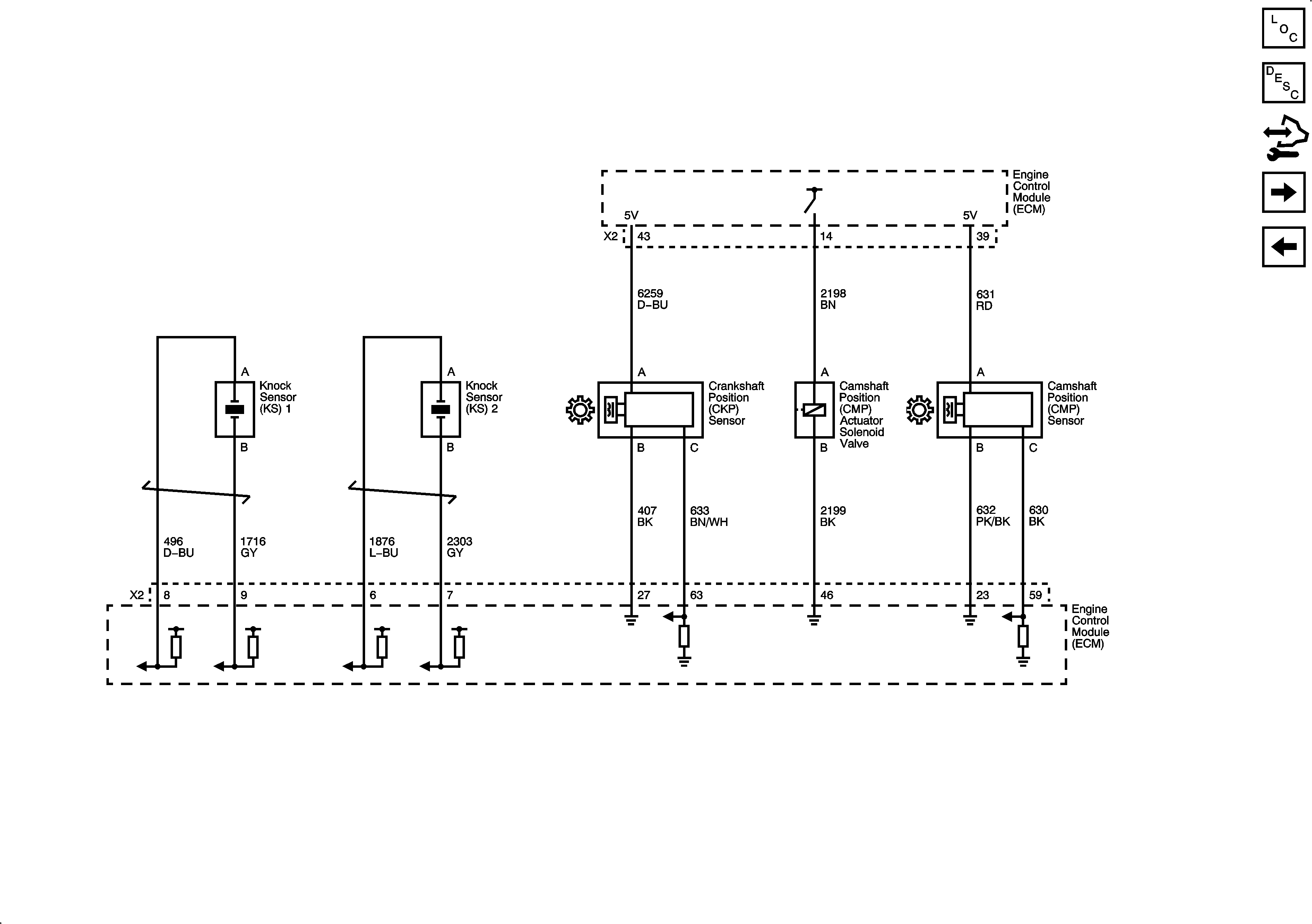
Ignition Controls - Sensors
Ignition Controls - Ignition System Coils 1, 3, and 5
Figure 8:

Ignition Controls - Sensors


Object Number: 1923527  Size: FS
Master Electrical Component List
Electronic Ignition (EI) System Description
Control Module References
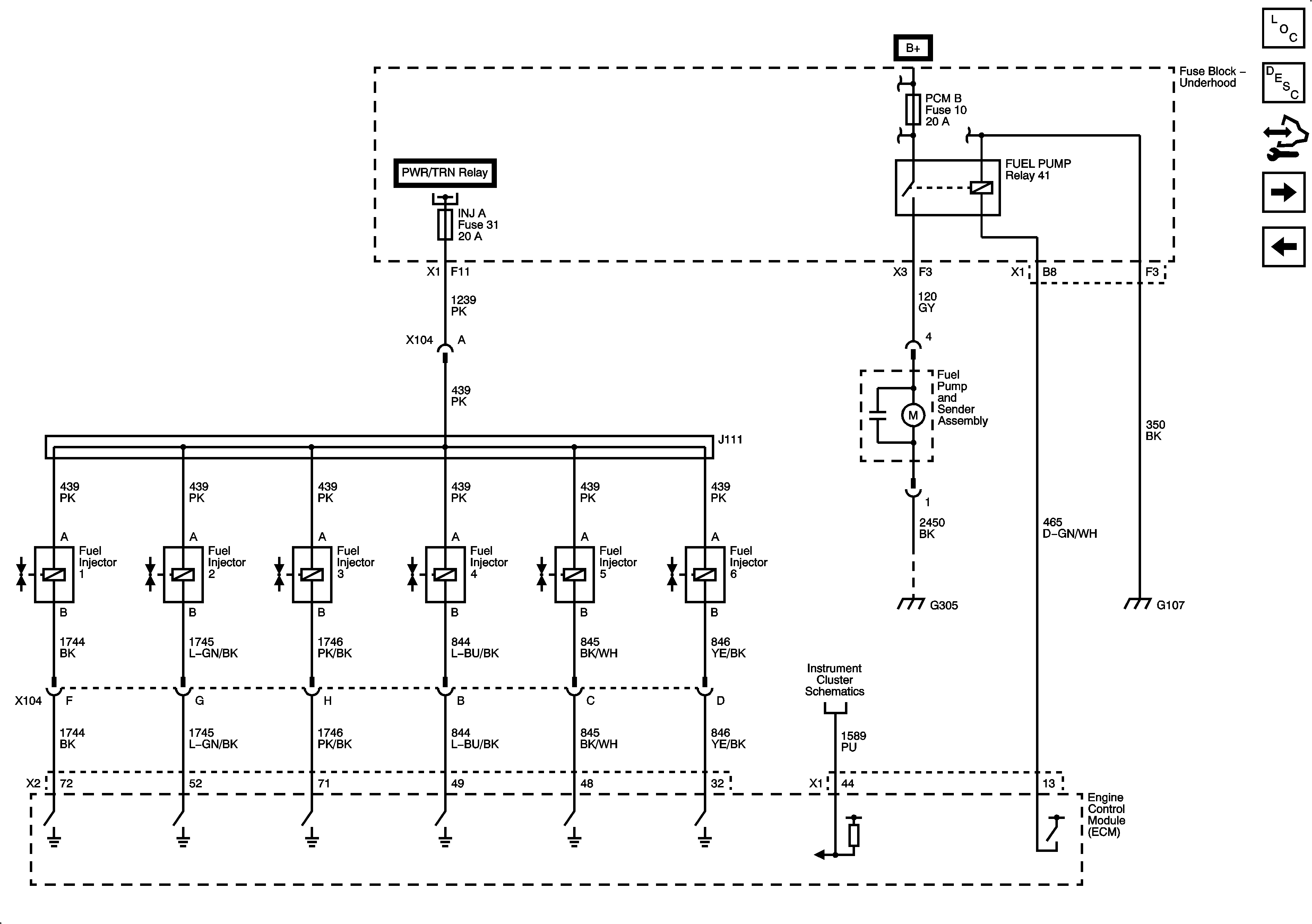
Fuel Controls - Fuel Pump and Fuel Injectors
Ignition Controls - Ignition System Coils 2, 4, and 6
Figure 9:

Fuel Controls - Fuel Pump and Fuel Injectors


Object Number: 1923529  Size: FS
Master Electrical Component List
Fuel System Description
Control Module References
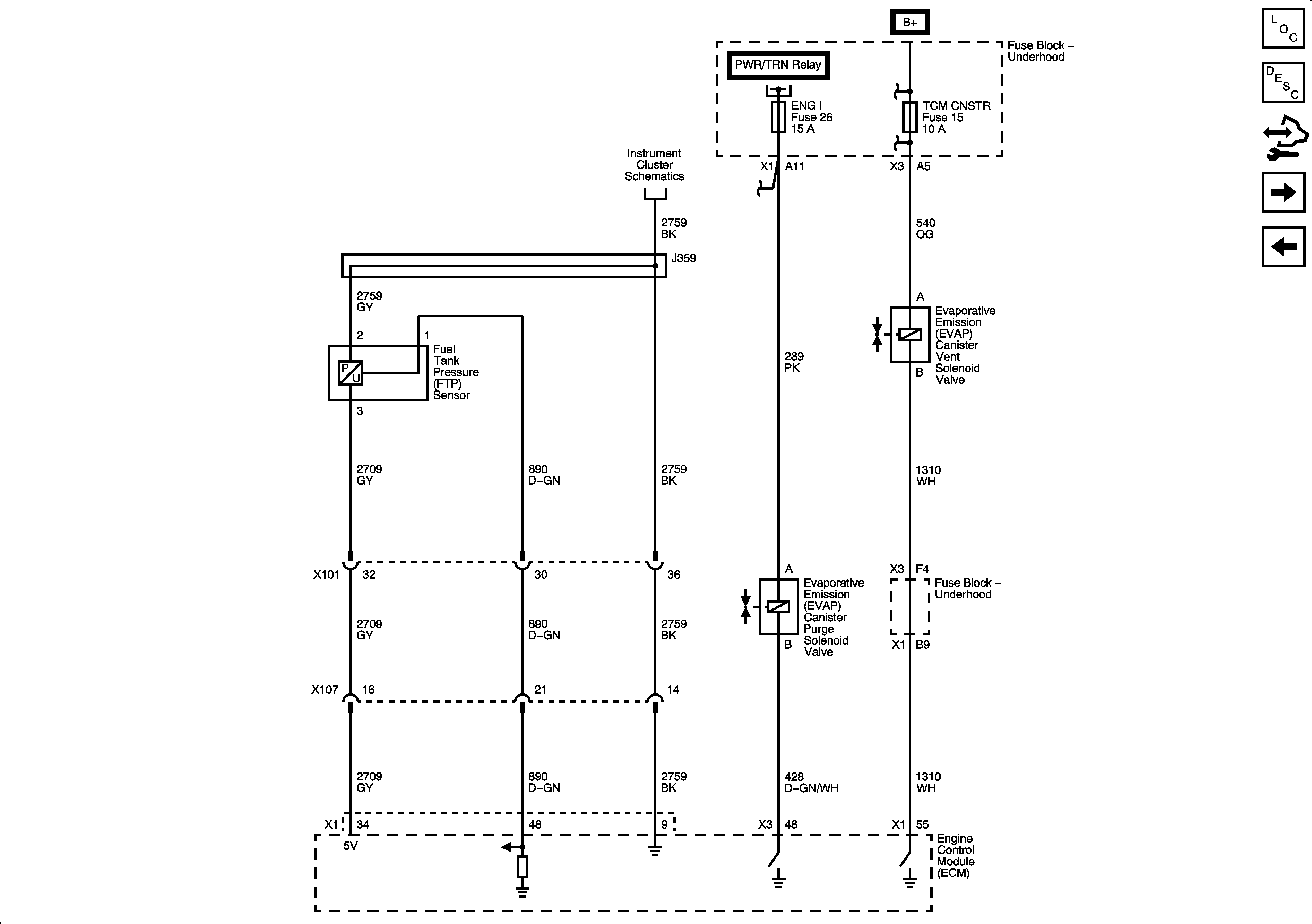
Fuel Controls - EVAP Controls
Ignition Controls - Sensors
Figure 10:

Fuel Controls - EVAP Controls


Object Number: 1923531  Size: FS
Master Electrical Component List
Evaporative Emission Control System Description
Control Module References
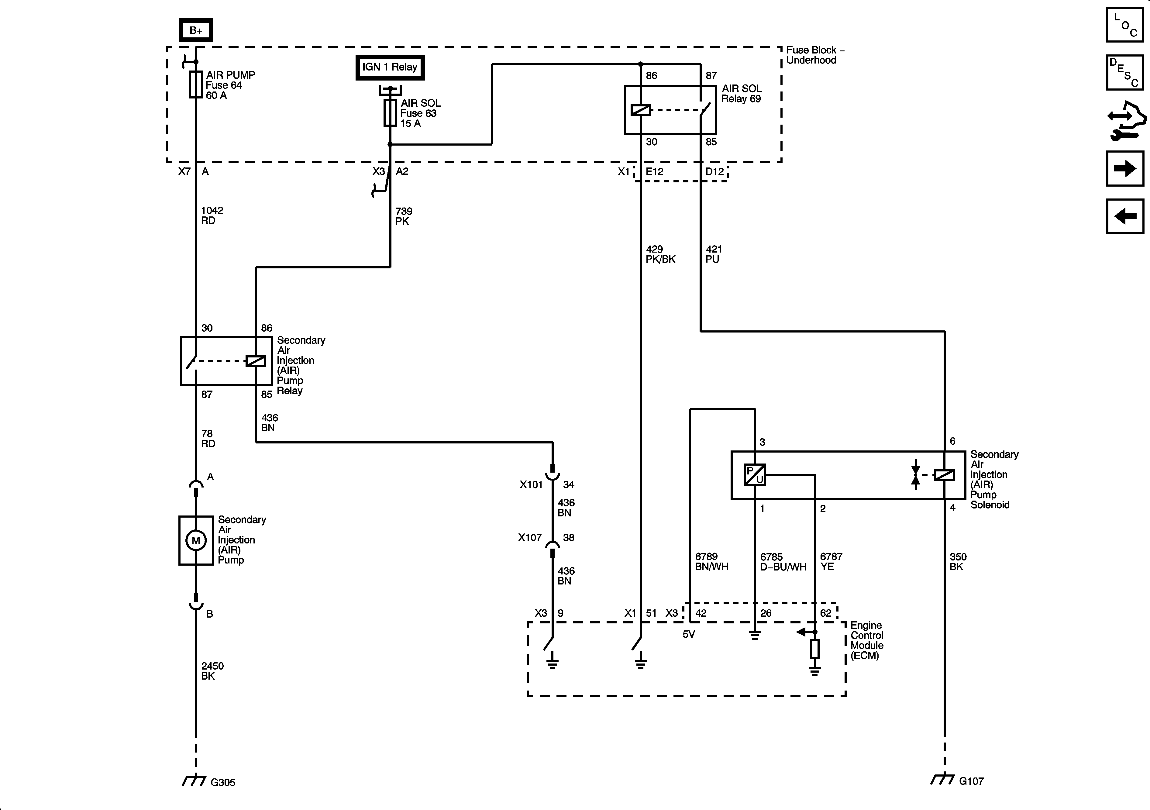
Device Controls - K18
Fuel Controls - Fuel Pump and Fuel Injectors
Figure 11:

Device Controls - K18


Object Number: 1923534  Size: FS
Master Electrical Component List
Secondary Air Injection System Description
Control Module References
Controlled/Monitored Subsystem References
Fuel Controls - EVAP Controls
Figure 12:

Controlled/Monitored Subsystem References


Object Number: 1923537  Size: FS
Master Electrical Component List
Engine Control Module Description
Control Module References
Device Controls - K18