GM Service Manual Online
For 1990-2009 cars only
Makes
🢒
Chevrolet
🢒
2008
🢒
TrailBlazer - 2WD
🢒
Diagnostic Navigation
🢒
Vehicle Diagnostic Information
🢒 Transfer Case Control Schematics
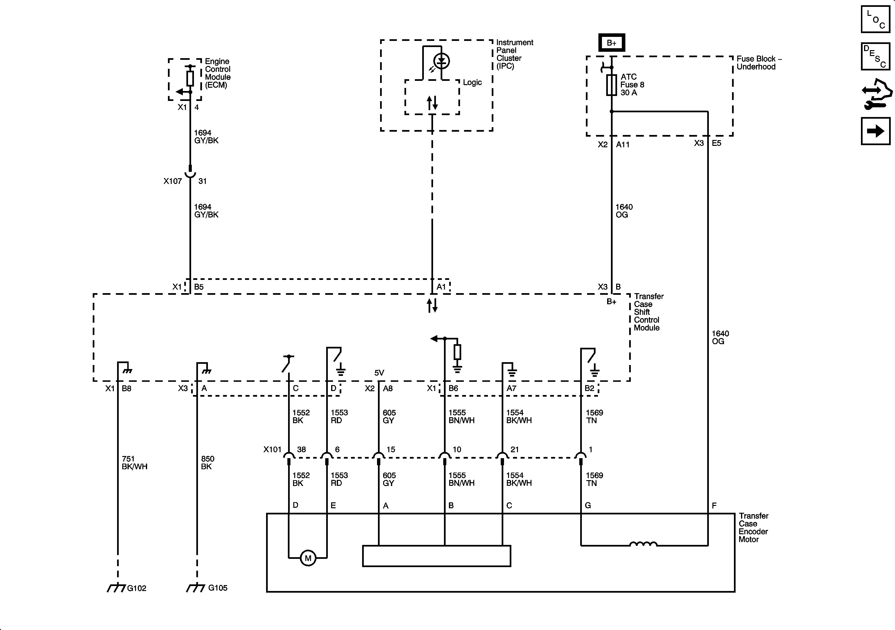
Figure
1:
Power, Ground, Serial Data, and Transfer Case Encoder Motor
Master Electrical Component List
Transfer Case Description and Operation
Control Module References
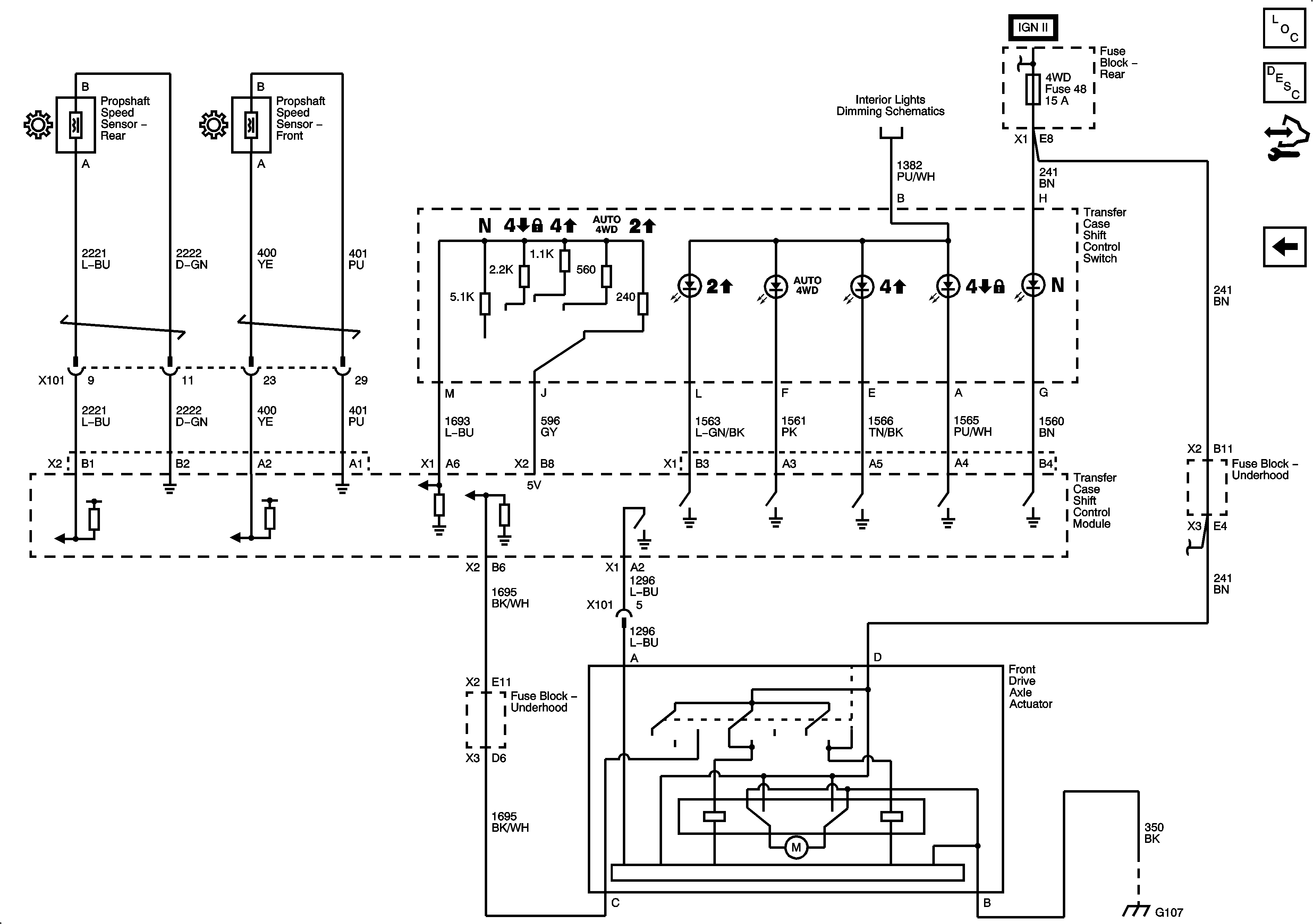
Speed Signal, Front Axle Actuator and Indicators
Figure
2:
Speed Signal, Front Axle Actuator and Indicators
Master Electrical Component List
Transfer Case Description and Operation
Control Module References
Power, Ground, Serial Data, and Transfer Case Encoder Motor08 Envoy Power, Ground, Serial Data, and Transfer Case Encoder Motor