GM Service Manual Online
For 1990-2009 cars only
Makes
🢒
Chevrolet
🢒
2008
🢒
TrailBlazer - 2WD
🢒
Diagnostic Navigation
🢒
Vehicle Diagnostic Information
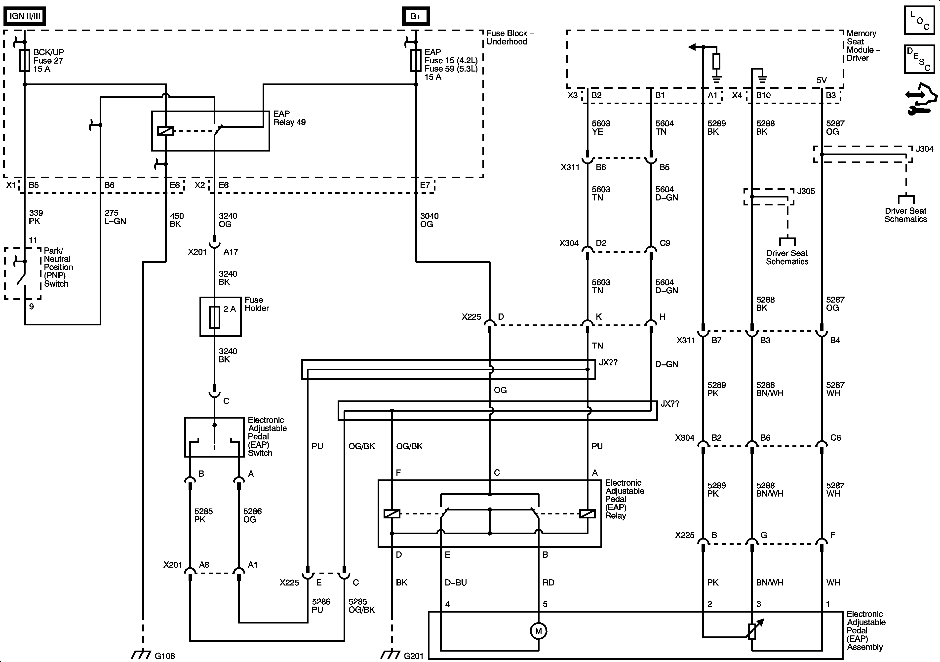
🢒 Adjustable Pedal Schematics
Master Electrical Component List
Adjustable Pedals Description and Operation
Control Module References