GM Service Manual Online
For 1990-2009 cars only
Makes
🢒
Chevrolet
🢒
2008
🢒
TrailBlazer - 2WD
🢒
Suspension
🢒
Air Suspension
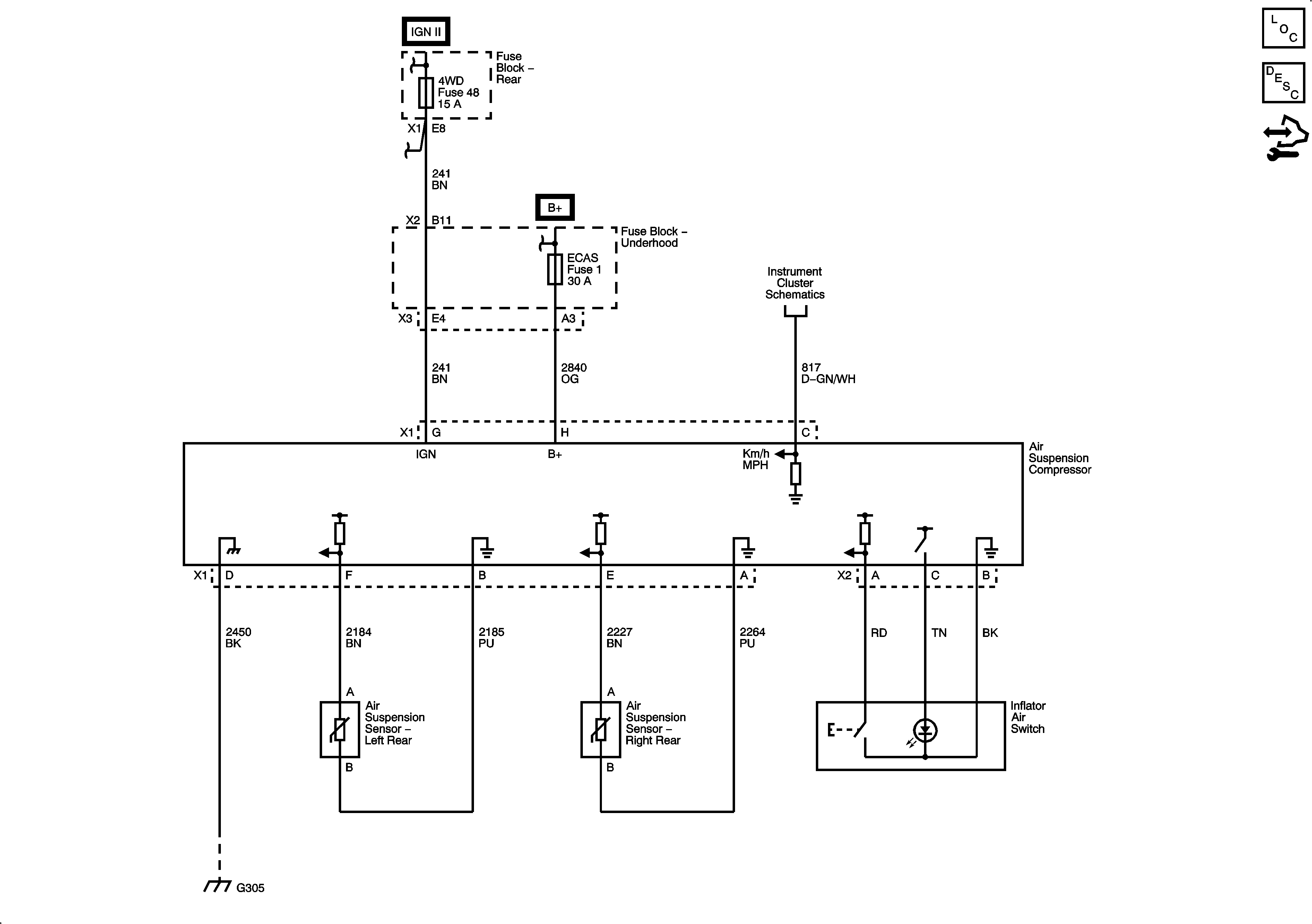
🢒 Air Suspension Schematics
Master Electrical Component List
Air Suspension Description and Operation
Control Module References